时间:2023-05-31 09:29
人气:
作者:admin
分享微波炉的工作电路原理图,微波炉的电路组成与工作原理,家用微波炉基本上都采用箱式结构,一种普及型微波炉电路的电路结构与电路原理图。
微波炉工作电路的原理图
微波炉是一种利用微波加热的现代化烹饪厨具。
用微波炉烹饪食品的最大优点是加热速度快、热效率高,并能保持食物的色、香、味和营养价值。
家用微波炉基本上都采用箱式结构,其内部主要由电源变压器微波发生器(磁控管)、传输波导管、炉腔、波型搅拌器、炉门和控制部分等组成。
如下图,一种普及型微波炉电路。它由定时器、双重闭锁开关、炉门安全开关、烹调继电器和热继电器等组成。
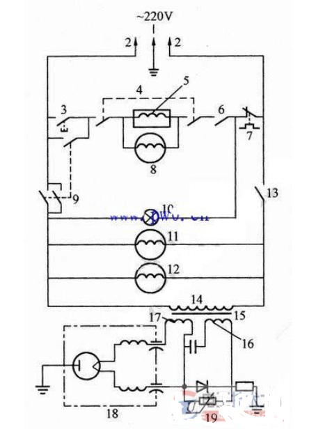
微波炉工作电路原理图,如下图:

1一接地;2—电源;3—烹调开关;4一联锁开关;5—烹调继电器绕组;6—定时器触点;7—热继电器;8一定时器电动机;9一烹调继电器触点;10一照明灯;11一鼓风电动机;12—搅拌风叶电动机;13—炉门安全开关;14一次绕组;15—电源变压器;16—高压绕组;17—灯丝绕组;18—磁控管;19一压敏电阻。
定时器采用机械数字式步进电机,通过两个数字盘来加以控制。选定烹调时间后接通电源,起动步进电机。当转盘退回到“0min 0s”位置时,即发出信号并自动切断电源。
图中4是双重联锁开关,它有两个作用,当炉门未关闭好或打开时,联锁开关一方面断开烹调继电器及定时器的电源,另一方面又断开电路,使微波炉停止工作。
图中13为炉门安全开关,它通过炉门凸轮臂来闭合烹调继电器及定时器的触点,为电源变压器的一次侧绕组提供通路。
当炉门打开时,即使联锁开关未能断开电路,安全开关也可断开电源变压器的电源,使微波炉停止工作。电工天下
图中5为烹调继电器绕组,9为其触点。它通过烹调开关或炉门开关以及热继电器,实现对小型搅拌器电动机、电源变压器和烹调照明灯电源的通、断控制。
图中7为热继电器,它是一种热敏保护元件,装在磁控管上。
当出现散热风机故障、气道阻塞或过滤器油污堵塞等情况时,便起到防止过热的作用。