时间:2023-06-07 09:10
人气:
作者:admin
空调器电源电路的组成结构
一、空调电源电路种类
目前空调器釆用的电源电路主要有两种:一种是变压器降压+线性稳压器电源电路形式; 另一种是开关稳压电源电路形式。
1、变压器降压+线性稳压器电源电路
变压器降压+线性稳压器电源电路主要由交流滤波电路、变压器、整流滤波电路、线性 稳压器电路等组成。下图所示为变压器降压+线性稳压器电源电路结构图。

2、开关稳压电源电路
开关稳压电源电路主要由交流滤波电路、整流滤波电路、开关变压电路、线性稳压器电路、保护电路等组成。下图为开关稳压器电路结构图。


二、空调器电源电路的组成结构
在空调器电源电路中,主要的元器件包括交流电220V输入接口、熔断器、滤波电容、 互感滤波器、整流二极管、桥式整流堆、开关控制芯片、光电耦合器、开关变压器、稳压二 极管等。如图所示为开关电源电路主要元器件。


1、熔断器
熔断器又称熔丝,可以称之为电源电路中的保险丝。熔断器在空调器电源电路的主要作用就是过电流保护和短路保护。如下图所示为电路中常见的熔断器。


2、压敏电阻
压敏电阻通常被并联在电源电路中,它的作用就是当电阻两端的电压发生变化超出额定值时,压敏电阻的电阻就会急剧变小,呈现短路状态,此时串联在电路中的熔断器就会自动熔断,进而起到保护电路的作用。如图所示为电路中的压敏电阻。

3、高频滤波电容
高频滤波电容的作用与互感滤波电感作用相似。防止电网中的高频脉冲信号对开关电源电路的干扰。

4、互感滤波电感
电源电路中的互感滤波电感如下图所示。


5、桥式整流堆
在电源电路中桥式整流堆的作用是将220V电压整流为+300V的直流电压。下图所示为桥式整流堆。


6、大容量滤波电容
大容量滤波电容在电源电路中的作用主要是对300V或24V直流电压进行滤波,使其变的平滑稳定。如图所示为滤波电容。

7、开关变压器
开关变压器的主要构造是由初级线圈,次级线图及铁蕊组成,它主要是利用电磁感应原理来改变交流电压的。

8、开关控制芯片
在开关电源电路中,开关控制的作用是将直流电转变为脉冲电流,它内部的开关管与开关变压器一起构成一个自激式的间歇振荡器。下图所示为开关控制芯片。

9、光电耦合器
光电耦合器是以光为媒介传输电信号的一种电一光一电转换器件,它由发光源和受光器两部分组成。光电耦合器的主要作用是将电源输岀电压的误差反馈到开关控制器芯片上。
光电耦合器对输入、输出电信号有良好的隔离作用,所以,它在各种电路中得到广泛的应用。在空调器电源电路中被最广泛地应用于电源电路、通信电路、检测电路等电路中。下图所示为光电耦合器及内部结构图。


空调内外机电源电路
空调机的电源电路主要是将交流220V电压经各功能部件后,交换处理成不同电压值的交流、直流电,分别为室内机和室外机提供所需要的工作电压。电源电路工作过程如下图所示。

(空调机电源电路的工作过程方框图)
从上图可知,空调机接通电源后,交流220V通过连接插件为室内机电源电路供电,同时经继电器触点后,为室外机的电源电路部分供电。
交流电220V电源在室内机中经降压器、整流电路、滤波电路、稳压电路等处理后,输出+12V、+5V的低压电,为空调机的室内机的控制电路提供工作电压。
交流电220V电源在室外机中经滤波器、桥式整流堆整流后输出300V直流电压分别送往变频模块和室外机的开关振荡及次级输出电路,经开关振荡及次级输出电路后输出+12V和+5V直流低压,为室外机的控制电路以及其他元器件进行供电。
1、室内机电源电路如下图所示(海信kFR-35Gw/06ABP型)

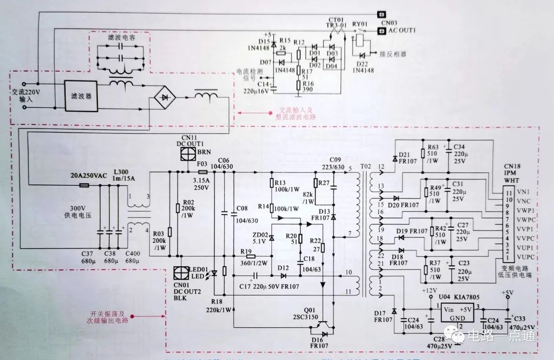
2、室外机电源电路如下图所示(海信kFR-35Gw/06ABP型)

空调机的控制电路
空调机的控制电路主要作用是控制整机的协调运行,进而实现整机产品功能。在变频空调机中,室内机与室外机中都设有独立的控制电路,两个电路之间由电源线和信号线连接,完成供电和信息交换(室内机、室外机的通信),控制室内机和室外机各部件协调工作。

(海信kFR-35Gw/06ABP型变频空调的室内机控制电路原理图)
从上图可以看,该电路是以微处理器IC08(丅MP87CH46N)为核心的自动控制电路。

(海信kFR-35GW/06ABP型变频空调室外机的控制电路原理图)
从上图看,该电路是以微处理器U02(TMP88PS49N)为核心的自动控制电路。
变频空调机开机后,由室外机电源电路送来的+5v直流电压,为变频空调机的室外机控制电路部分的微处理器U02以及存储器U05提供工作电压,其中微处理器U02的55脚和64脚为+5v供电端,存储器U05的8脚为+5v供电端。
另外,空调机的通信电路很好地反映了空调机的室内机和室外机之间的通信控制关系,可从重点元器件入手,沿着信号流程完成对通信电路的识读。
典型空机的通信电路如下图所示。

(室内机通信电路)

(室外机通信电路)
审核编辑:汤梓红