时间:2023-03-16 13:51
人气:
作者:admin
Radio Mods:解除八重洲老接收机FRG-8800的频率覆盖限制
Paolo Viappiani (SWL I1-11437)分享了以下内容。请注意,与任何无线电设备修改一样,执行此操作的风险由您自己承担。这是一个非常简单的修改,但如果您觉得它可能超出您的技能水平,请考虑聘请无线电技术人员代表您执行它。
解除 YAESU FRG-8800 频率覆盖限制
众所周知,由于某些国家(德国、澳大利亚等)的立法限制,上世纪最后几十年生产的一些接收器的频率覆盖范围有限。
特别是在德国,禁止收听高于 26.1 MHz 的 HF 频率,而在其他国家,不允许短波接收低于 2 MHz 的频率。
这些限制导致大多数无线电制造商生产其 HF 接收器的“屏蔽”版本,以满足各种国家要求;几乎经典的例子是世界著名的 SONY ICF-2001D 和 PHILIPS D-2935/D-2999 便携式设备。
在微处理器控制的合成电台中,某些频段的阻塞/解除阻塞操作非常简单:通常在微处理器附近添加(或移除)适当的跳线就足以执行任务,正确的操作步骤通常包含在服务手册或特定的技术公告;无论如何,可以在互联网上找到大量信息。
显然,除了一些例外,YAESU FRG-8800 只是其中之一:如果您在原始手册或互联网上搜索,您将找不到关于特定问题的任何信息……
在 YAESU FRG-8800 接收器的用户手册中指定它是根据政府规定制造的不同版本(请看下面的图 A),但在其服务手册中没有指定各种频率块或如何删除它们。

图一
由于我最近偶然发现了德国版本的“被屏蔽”的 FRG-8800 并且我需要移除任何频率限制,因此我和我来自意大利巴萨诺德尔格拉帕的密友 Gigi Lombardo 开始在互联网上进行深入研究(几乎没有结果)。
我还订阅了一个社交媒体群组(Fox Tango International)并发布了我的问题,从成员 Andy Jack 和 Simon N. Poysden 那里得到了一些答案(非常感谢他们!)。
Andy 特别邀请我联系 Guy Desimone VK3GUY,日本八重洲的澳大利亚维修车间。
不幸的是,盖伊没能帮到我,他答应向八重洲日本询问具体的事情。
与此同时,Gigi Lombardo 继续他的搜索,他还联系了一些德国火腿,最后得到了 Jurgen DF5TY 非常有趣的回复(非常感谢 Gigi,非常感谢 Jurgen!)。
Jurgen 建议在 FRG-8800 微处理器附近寻找一些引脚并消除它们之间的短路......他是对的!!!
一个恼人问题的解决方案
为了消除 YAESU FRG-8800 中的任何频率限制,请仔细执行以下步骤:
1) 拆下单元的底部和顶盖,在 FRG-8800 的顶部机箱中是 PLL 单元(下图 B)。

图 B – FRG-8800 PLL 板
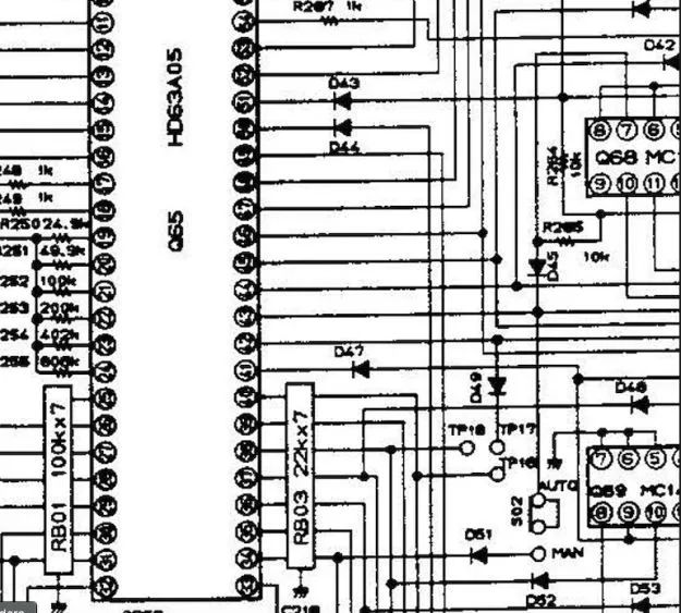
2)准确定位TPO-16、TP-17和TP-18位置(见图C和D);还要考虑 FRG-8800 PLL 原理图(图 E 中的详细信息)。

图 C – FRG-8800 PLL 板细节

图 D – FRG-8800 PLL 电路板详细绘图

图E
3) 小心地拆下将 PLL 板固定到机箱(以及后面板上的“远程”连接器)的螺钉,然后将板反转以访问其轨道侧。
4) 确定 TP-16、TP-17 和 TP-18 的位置(见图 F)。

图 F – FRG-8800 板轨道侧面细节
5) 去除(拆焊)TP-16、TP-17 和 TP-18 之间的任何短路(图 G 显示 25.999,9 阻塞单元,图 H 显示完全未阻塞单元;图 I 中表示“未阻塞”FRG- 8800。

图 G – FRG-8800 PLL 板轨道侧面细节(26 MHz 阻塞)

图 H:FRG-8800 板轨道侧面细节(接收器完全畅通无阻)。
6) 小心地重新安装收音机的顶盖和底盖,享受畅通无阻的接收器。
最后的笔记
还值得注意的是:
• 将TP16 短接至TP17 会抑制FRG-8800 接收26 MHz 以上的频率;
• 将 TP16 短接到 TP18 会抑制低于 2 MHz 的接收。
• FRG-8800 频率限制不会以任何方式改变可选的 FRV-8800 VHF 转换器覆盖范围。
我特别感谢 Luigi Lombardo(我的朋友 Gigi),他是该程序的真正开发者。
编辑:黄飞