时间:2023-03-28 14:32
人气:
作者:admin
芯片概述
FP5207B是一款大功率异步升压恒压芯片,外置N沟MOS驱动,与肖特基和电感形成回路组成升压架构;
工作电压低至2.8V启动,可适用已单节电池供电,高至24V宽压工作,甚至可通过外部三极管稳压高压供电;
恒压基准(VFB)为1.2V±2%,电压高误差小,提高输出的准确度;
工作频率(RT)可调为100-1000KHz,可根据需求调整频率段;
软启动(SS)可调,可根据需要启动时间来调整。
芯片特点
效率高达90%以上
低功耗,芯片关机功耗最低3uA
启动电压2.8V,芯片稳定工作电压5-24V,扩展电压为24-48V
恒压基准值为1.2V±2%
工作频率100-1000KHz
芯片软启动可调(SS)
芯片输入具有可调过流保护(OCP)
芯片输入低压保护(UVP)
芯片具有过温保护(OTP)
方案架构


板子图片

PD协议诱骗电路

ECP5701是PD协议诱骗取电芯片,通过TP分压电阻可以设置最高取电电压(可取电范围为20V-15V-12V-9V),读不到PD协议就输出5V充电。
升降压充电电路

JW3655E是升降压充电芯片,通过BATFB调节充电电池电压,通过CSN和CSP限制输入端电流。
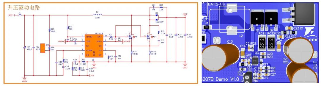
升压驱动电路

FP5207B是升压恒压输出芯片,将电池电压升压到音响功耗需要的电压;芯片带有SS脚软启动功能,防止上电瞬间输入电流过来拉死电池电压,并且有输入限流功能。
编辑:黄飞