时间:2023-04-27 16:17
人气:
作者:admin
电水壶的基本功能是烧水,电水壶按结构分为一体式和分体式两种,按功能分为非保温型和保温型两种,这里介绍了电水壶的电路原理分析与检测方法,有需要的朋友参考下。
一、分体非保温式电水壶的检测
以格来德 WEF-115S电水壶为例,介绍下用万用表检修分体非保温式电水壶故障的方法与技巧。该电路由加热管 EH、蒸汽控制型电源开关 K、热保护器 ST1/ST2、指示灯等构成,如下图。

1、电路分析
在烧水时装入适量水的壶体安放在底座上,底座上的升降保护环被压下,使 L、N环的触点露出,最终使底座输入的市电电压进入壶体电路。此时,按下电源开关 K1 后,220V市电电压经热保护器 ST1、ST2 与 K1 的触点输入,一路为红色指示灯(氖泡)供电,使其发光,表明该壶工作在加热状态;另一路为加热管 EH 供电,使它开始发热烧水。
当水烧开后,水蒸气使 K1 的簧片变形,将其触点断开,切断 EH 的供电回路,烧水结束。热保护器 ST1、ST2 采用的是 KSD201/EC 型温控器。当电源开关 K1 异常,使加热管 EH加热时间过长,导致壶底的温度达到 125℃时,ST1、ST2 的触点断开,切断市电输入回路,以免加热管过热损坏,实现过热断电保护。
2、故障检测
(1)不加热且指示灯不亮该故障的主要原因:
1)无市电电压输入或线路异常;2)电源开关 K1 开路;3)热保护器异常。
首先,用万用表的交流电压挡检测市电插座有无 220V 市电电压,若没有,检查供电系统;若电压为 220V,检查底座和壶体连接是否正常,若不正常,维修或更换故障元件即可;若连接正常,检查电源线是否正常,若异常,维修或更换即可;若电源线正常,说明故障发生在电水壶内。拆开后,用指针型万用表 R×1 挡或数字型万用表通断测量挡分别检查开关 K1 是否正常,若异常,维修或更换即可;若正常,检查热保护器 ST1、ST2 是否正常,若异常,用相同的温控器更换即可。
(2)不加热,但指示灯亮该故障的主要原因:
1)供电线路开路,
2)加热管开路。
拆开后,用指针型万用表 R×10 挡或数字万用表 200Ω电阻挡检测加热管 EH 的阻值,若阻值正常,说明线路开路,维修或更换线路即可;若阻值为无穷大,说明开路。因大多数分体电水壶的加热管封装在壶体底部,不能更换。因此,遇到加热管开路的,则需要整体更换。
(3)加热温度低该故障的主要原因:
1)电源开关 K1 开路;
2)热保护器异常。首先,检查开关 K1 是否正常,若异常,维修或更换即可;若正常,检查热保护器 ST1、ST2 是否正常,若异常,用相同的温控器更换即可。
(4)能加热,但指示灯不亮
该故障的主要原因就是指示灯或其供电线路异常。用万用表交流电压挡检测指示灯有无供电,若有,说明指示灯损坏,更换即可;若没有,维修线路。
二、保温型电水壶电路故障检修
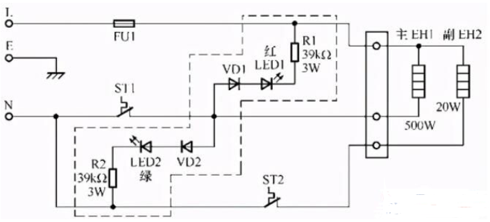
以九阳 JYK-311 保温型分体式快速电水壶为例,介绍下用万用表检测此类电水壶的故障检修方法与技巧。该电水壶电路由温控器 ST1、ST2,加热器 EH1、EH2,热熔断器 FU、指示灯等构成,如下图。

1、电路分析
(1)加热电路
当壶体放在底座上后,在重力的作用下,底座上的升降保护环被压下,使 L、N 环的触点露出,最终使底座输入的市电电压进入壶体电路。当壶体内的水温较低时,温控器 ST1、ST2 的触点接通,220V 市电电压经过热熔断器 FU 和 ST1、ST2 输入后,不仅经电阻 R1、R2 限流,二极管 VD1、VD2 半波整流,使红色发光管 LED1 和绿色发光管 LED2 同时发光,表明电水壶处于烧水状态,而且为加热器 EH1、EH2 供电,EH1、EH2 得电后发热烧水,使水温逐渐升高。
当水温超过温控器 ST2 的设置温度后,ST2 的触点断开,不仅使 EH2 停止加热,而且使 LED2 熄灭,此时仅由 EH1 继续加热,当水烧开并达到 ST1 的设置温度后,ST1的触点断开,切断 EH1 的供电回路,使它停止加热,进入保温状态,同时使指示灯 LED1 熄灭。随着保温的不断进行,水温下降到 ST2 的闭合温度后,它的触点接通,不仅使 EH2 发热,而且使 LED2 发光,表明该壶进入保温状态。这样,在 ST2 的控制下,该机就会实现保温控制功能。
(2)过热保护电路
一次性温度熔断器 FU 用于过热保护。当开关 ST1 异常使加热器 EH1 加热时间过长,导致加热温度达到 FU 的标称值后 FU 熔断,切断市电输入回路,实现断电保护。
2、故障检测
(1)不加热且指示灯不亮该故障的主要原因:
1)无市电电压输入或线路异常,
2)温度型熔断器 FU 开路。首先,用万用表的交流电压挡检测市电插座有无 220V 市电电压,若没有,检查供电系统;若电压为 220V,检查底座和壶体连接是否正常,若不正常,维修或更换故障元件即可;若连接正常,检查电源线是否正常,若异常,维修或更换即可;若电源线正常,说明故障发生在电水壶内。拆开后,用指针型万用表 R×1 挡或数字型万用表通断测量挡分别检查熔断器 FU 是否熔断,若熔断,检查温控器 ST1、ST2 是否正常,若异常,与 FU 一起更换即可;若正常,检查 EH1、EH2 是否短路,若是 EH2 短路,取消保温功能即可。
(2)不加热,但指示灯亮该故障的主要原因:
1)供电线路开路;2)加热管开路;3)温控器 ST1 异常。
拆开后,用指针型万用表 R×10 挡或数字万用表 200Ω电阻挡检测温控器 ST1,若阻值正常,说明 EH1 或线路开路,维修或更换线路即可;若阻值为无穷大,需要更换相同的温控器。
(3)保温功能失效该故障的主要原因:
1)温控器 ST2 异常;2)加热管 EH2 开路;3)线路开路。
首先,检测 ST2 是否开路,若是,更换相同的温控器即可;若正常,检查 EH2 是否正常,若异常,维修或更换即可;若 EH2 正常,检查线路即可。
(4)加热、保温正常,但指示灯不亮
该故障的主要原因是指示灯或其供电线路异常。用万用表交流电压挡检测不发光的发光二极管有无供电,若有,说明该发光二极管损坏,更换相同即可;若没有供电,检查相应的二极管、限流电阻和线路。