时间:2023-01-13 09:01
人气:
作者:admin
雾化片工作原理
实孔雾化片本身是一个陶瓷片,表面采用玻璃釉面精制成,利用高频振动超声原理把水瞬间分解成细小的水珠状,再由本身雾化器产品喷出来。一般用于功率较大产品,例如家庭盆栽、加湿器、香薰机等产品。微孔雾化片是由压电功能的陶瓷片以及金属膜来组合而成,金属膜有微孔区域,一般是用激光穿孔而成,所以成本会比实孔的贵。工作时由海绵吸棒把水吸上来,再由雾化片中间细孔喷出,因细孔被堵住则无法再喷出雾气,所以对水质要求较高。其功率较小,一般用于医疗雾化器、车载喷雾器、手持美容喷雾器等产品。

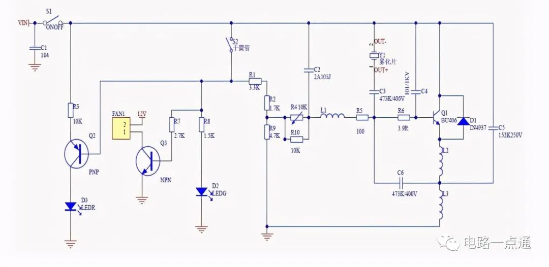
雾化器传统方案
工作原理:传统分离式元件方案的振荡电路基本都是如上图所示,方案一中干簧管用于检测水位(有些方案用探针检测),两个LED灯分别指示工作状态和缺水状态,风扇用于将雾吹出,R4电位器用于调节功率。振荡电路由功率三极管和外围电容电感组成三点式振荡电路,因换能器本身可以看作是一个固有频率的晶振,它通过耦合电容加跨接在振荡管基极和电源之间。换能器受振荡电路激励后产生振荡,这个振荡信号又通过耦合电容反馈到振荡管基极,使振荡电路谐振在雾化片的固有频率,振荡幅度峰峰值约50V-80V,电压越高雾化量越大(在雾化片本身耐压内)。通过调节电位器改变三极管基级电流(电压)来改变雾化片两端的电压,从而改变功率及雾化量。
优缺点:功率三极管工作于放大态,发热严重,需要加一个比较大的散热片,干簧管和探针成本高(人工及本身成本),如果需要其他功能则需要再加对应IO型或者触摸型单片机。

实孔雾化器新方案
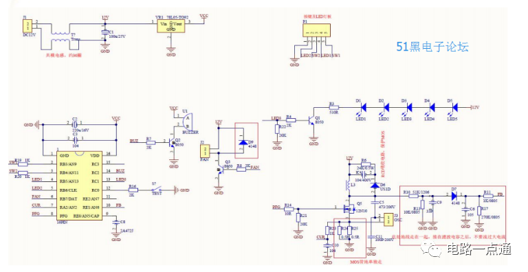
12V-2.4M香薰机方案控制及相关检测部分说明:
(1)、MOS管驱动采用图腾柱电路驱动,在MOS管的D端增加了一个RCD吸收电路,升压后的电压通过一个电容耦合到雾化片一端。
(2)雾化片一端接MOS管S端,S端串接采样电阻采样电流Icur,另一端通过滤波电路检测电压FB来追频,以1.7M雾化片为例,将扫频范围限制在1.85M-1.55M,频率从高往低变化,可以得出FB的电压变化以及Icur的电流变化(雾化片不同波形会有所不同),其中FB检测是在PFG关闭时检测,误差较小,而Icur检测是在PFG开启时检测,误差较大。


审核编辑:汤梓红
上一篇:家电智能新赛道:语音将替代遥控器
下一篇:音视频会议系统方案设计讲解