时间:2022-08-15 16:03
人气:
作者:admin
AVR32 MCU 上的 ABDAC 外设非常适合生成音频播放。本文介绍了如何执行此操作,并包含指向生成正弦波输出的示例驱动程序的链接。
许多嵌入式应用程序越来越多地具有音频播放功能,无论是响应用户输入的简单音频反馈还是全高速流音频。通过使用通用时钟接口,Atmel AVR32 MCU 上的 ABDAC 能够支持广泛的播放频率。
功能说明
ABDAC 是一个非常简单的外围设备,它的使用很简单。它需要通用时钟系统提供的时钟信号,以及通道的数据输入。图 1 中的框图给出了该模块的概述。有关 ABDAC 外设的详细说明,请参见器件的数据表。

图 1:时钟和数据路径框图。
通用时钟
ABDAC 使用通用时钟来提供采样频率。这个通用时钟在设备内部硬接线,必须是采样频率的 256 倍。
应在启用 ABDAC 之前配置和启用通用时钟。有关使用哪个通用时钟的说明,请参见器件数据表中的时钟部分。本节还介绍了通用时钟的进一步配置。
通用时钟输出范围可能受到其源时钟频率的限制。因此,设计一种振荡器至关重要,它可以提供可被通用时钟分频器分频的基本频率,以达到所需的输出采样率。表 1 显示了示例。
频道
ABDAC启用时;它期望采样数据寄存器 (SDR) 以与输出采样率相同的间隔更新。两个通道都可以通过一条书面指令进行更新,因为它们位于同一个 I/O 寄存器 (SDR) 中。

表 1:输出采样率所需的基本频率。
如果从通用时钟输入到 ABDAC 的 256 个时钟周期内样本数据寄存器未更新,则中断状态寄存器 (ISR) 中的欠载位将被设置。欠载是 CPU 负载过多的标志,因此应用程序应该通过使用中断来实现,或者更好的是,如果设备中存在直接内存访问 (DMA)。
中断
有两个中断可用于卸载 CPU。TX_READY 中断可用作触发信号,表示可以写入每个通道的下一个样本。
应用程序还应启用欠载中断以在填充样本数据寄存器 (SDR) 时处理欠载。欠载会导致输出信号出现毛刺和噪声。
如果触发了欠载中断,则表明 CPU 过载,因为应用程序无法及时提供数据。
DMA
ABDAC 可以连接到设备上的 DMA 控制器。在将数据从 RAM 中的缓冲区传输到 ABDAC 时,这将减轻 CPU 的负担。应用程序只需要填充缓冲区并将缓冲区地址传递给 DMA 控制器。
缓冲区完成时的触发器将让应用程序知道何时将新缓冲区传递给 DMA 控制器。
欠载中断对于 DMA 传输至关重要,因为它表明设备中的数据总线过载或到 ABDAC 的 DMA 传输没有足够的优先级。
电气连接
该设备的输出不适用于驱动耳机或扬声器。焊盘限制了最大电流量。在大多数实际情况下,这不足以驱动低阻抗源。
由于此限制,应将外部放大器连接到输出线以放大这些信号。这个放大器设备也可以用来控制音量。
出于测试目的,音响系统上的线路输入或麦克风输入可用于评估输出信号。
无源滤波器
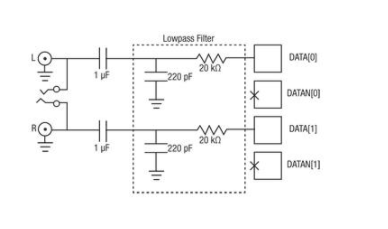
为了将 ABDAC 连接到高阻抗设备,例如放大器上的线路输入,应添加无源滤波器。图 2 显示了一个示例示意图。

图 2:带无源滤波器原理图的线路输出。
外部放大器
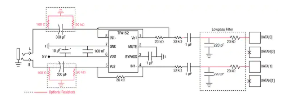
如果 ABDAC 直接驱动低阻抗耳机或扬声器,则需要外部放大器。图 3 显示了使用 Texas Instruments 的 TPA152 立体声音频放大器的示例原理图。
驱动程序实现
文件
本文中讨论的驱动程序的完整源代码可在 www.atmel.com/dyn/resources/prod_documents/AVR32120.zip 中找到。
驱动程序包含两个文件,“dac.c”和“dac.h”,其中“dac.h”声明所有函数,“dac.c”包含源代码。驱动程序中唯一需要更改的是指定目标设备。目标设备在“dac.h”的顶部指定。
示例代码
驱动程序的示例代码在两个 DAC 通道上输出一个正弦波。该输出由 GPIO 线上的用户输入启用。接线信息包含在源代码随附的文档中。
示例代码针对 ATSTK1000,但通过一些调整,可以与任何带有 ABDAC 的 AVR32 设备一起使用。

图 3:具有外部放大器原理图的高功率输出。
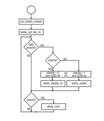
图 4 显示了示例应用程序的流程。该应用程序通过轮询函数调用来实现,以减少对其他模块的依赖。

图 4:ABDAC 示例应用流程图。
进一步阅读
中断
ABDAC 接口有一条连接到中断控制器 (IC) 的中断线。处理 ABDAC 中断需要在配置 ABDAC 之前对 IC 进行编程。
下一篇:电源电路的应用实例