时间:2022-08-21 09:30
人气:
作者:admin
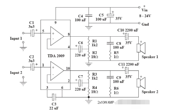
这个 2x10W 音频放大器电路的功率输出将在每个通道上为 10 瓦,扬声器电阻为 4 欧姆。该电路所需的电源电压为8 – 24V DC,电流为 1 至 2 安培。只有使用至少 20V 且大于 1.5A 的电源并使用 4 欧姆扬声器才能获得最大输出功率。请勿以超过 28V 的电源电压为本电路供电。

组件列表:

电路规格:

电路工作原理:
C1 和 C2 是输入耦合电容并阻断直流,C10 和 C11 是输出耦合电容,C6 和 C7 是阻断来自反馈回路的直流。R1/R2(和 R3/R4)设置反馈电平。
增益等于 1 +(R1/R2) = 68 或 37 dB。C8/R5(和 C9/R6)在扬声器感抗可能变得过大的情况下提供高频负载以保持稳定性。C4 和 C5 提供电源去耦或滤波。
上一篇:电热水壶是如何进行工作的