全球最实用的IT互联网信息网站!

AI人工智能P2P分享&下载搜索网页发布信息网站地图

当前位置:诺佳网 > 电子/半导体 > 音视频/家电 >

采用TDA7052的1W音频放大器的电路图

时间:2022-08-21 09:52

人气:

作者:admin

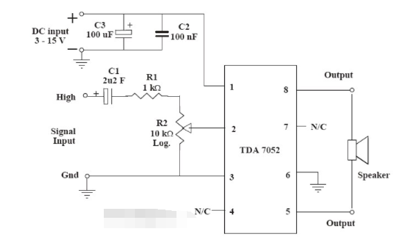
导读:采用TDA7052的1W音频放大器的电路图-这是以TDA7052为主要元件,其他5个元件支持主要元件的1W音频放大器的电路图。该电路的理想电源电压约为 6-12V,无需散热器。原理图是单声道的,只需...

这是以TDA7052为主要元件,其他5个元件支持主要元件的1W音频放大器的电路图。该电路的理想电源电压约为 6-12V,无需散热器。原理图是单声道的,只需为立体声通道构建两个类似的电路。

pYYBAGMBj7uAbrmOAACmA7Ov7T8509.png

成分 :

R1:1K欧姆电阻

R2:10K欧姆对数电位器

C1:2.2uF/16V电解电容

C2 : 100nF 陶瓷/单声道

C3:100uF电解

TDA7052集成电路

8针IC插座

1W 音频放大器规格

poYBAGMBj8CAdrIrAAA-FcPp-Tc359.png

温馨提示:以上内容整理于网络,仅供参考,如果对您有帮助,留下您的阅读感言吧!
相关阅读
本类排行
相关标签
本类推荐

CPU | 内存 | 硬盘 | 显卡 | 显示器 | 主板 | 电源 | 键鼠 | 网站地图

Copyright © 2025-2035 诺佳网 版权所有 备案号:赣ICP备2025066733号
本站资料均来源互联网收集整理,作品版权归作者所有,如果侵犯了您的版权,请跟我们联系。

关注微信