时间:2022-10-17 16:00
人气:
作者:admin
BBC如何向发射机站点发送音频
从表面上看,运营广播电台是一项直接的技术挑战。建立一个工作室,将它连接到一个发射器,你就可以开始了。但是,当您的电台不是一个单一的 Rebel Radio 式的山顶装置,而是一个由各种城市工作室提供的全国性发射站链时,会发生什么?这是 BBC 的英国 FM 发射机链面临的问题,自 1980 年代以来,它一直由一系列 NICAM 数字数据流馈送。我们在 2016 年提到过老化的设备是如何在没有任何听众注意的情况下被现代基于 FPGA 的实现所取代的,现在感谢 Matt Millman,我们有机会看到对 1980 年代原始设备的拆解。从 2020 年代的角度来看,这项技术相对容易理解,但它仍然包含一些惊喜。

在每个工作室或发射机站点中,都会有一个 19 英寸的机架,其中包含其中一个单元——一个带有编码器或解码器卡集合的卡架。这些都是BBC工程部以非常高的标准定制的,并且使用了大家熟悉的Z80微处理器和一些飞利浦数字音频芯片等时代部件,高端消费音频的追随者可能会认得。正如您对任务关键型设备所期望的那样,许多功能被复制以实现冗余,它们的输出被比较以发出故障警告。
令人惊喜的是 NICAM 编码器和解码器——它是专为 BBC 制造的定制 LSI 芯片。这表明了国家广播公司的可用预算,并且鉴于这些单位在某些情况下已经工作了 35 年以上,我们猜测许可证支付者的钱物有所值。
NICAM II:BBC Engineering 打开档案,向我们展示一些复古套件
介绍
回到我关于这个主题的第一篇文章中,我简要提到了 NICAM 的原始用例 - FM 无线电回程。
一对 BBC 设计和制造的第二代“NICAM II”编码器安装在伦敦 BBC 广播公司的地下室。
链接的文章显示了两个大型(6RU)“编码器”,据称安装于 1983 年[此日期可能指的是早期的“NICAM I”设计——此处显示的设备来自 1988 年]。我问我们是否可以看看他们,几周后,我如愿以偿。非常感谢 Justin Mitchell 回答了我所有的问题并将所有相关信息发布到公共领域。正是这种愿意花时间来幽默像我这样的疯子,这才维护了公司在技术卓越和开放方面的声誉。
首先,让我们把背景故事排除在外。关于这个主题已经写了很多。我不打算详细重复。我总结一下:
早在 FM 广播的早期,BBC 就有一个问题。工作室在伦敦,但大多数听众在该国其他地方。水晶宫发射站无法覆盖全国。需要许多其他发射器,每个发射器都需要来自伦敦的音频信号才能广播,但是如何将它送到那里呢?
设计了各种方案,包括通过租用线路(BT 固定线路)将它们作为模拟信号发送。不可避免地在如此长的距离上,信号质量恶化。虽然东南部的听众享受原始音质,但北方的听众肯定没有。在许多情况下,他们甚至没有立体声。
加入 BBC 工程团队,以提高实际问题的解决能力。很明显,解决方案是数字化,尽管最终 FM 是一种模拟广播。模拟信号将在伦敦数字化,使用 BT 的 PDH 基础设施分布在全国各地,然后在传输站点转换回模拟信号用于广播。从 1960 年代开始探索和构建各种解决方案,BBC 最终确定了 NICAM-676 解决方案,该解决方案至今仍在使用。
在这篇文章中,我将与我们之前看到的飞利浦 NICAM-728 解决方案进行比较。它的设计比这个 NICAM-676 解决方案早一点,目的不同,但有足够的共同点进行比较。
硬件拆解
是的,这就是我们来这里的目的……
一个 6 通道编码器,以及我们以前从未见过的东西:解码器。为了工程方便,它们都插入同一个箱子。 由丹麦 RE Communications 制造。
编码器
这些单元已全部停止使用并更换为新设计,仍然使用完全相同的 NICAM-676 编码,但具有现代组件。

编码器的内部。我喜欢这些装置如何拥有大规模生产产品的所有特征,即粉末涂层软工具金属制品、丝网、雕刻拆卸手柄等,尽管只制造了少量供内部使用。
取下前面,我们看到了五个组件,再次使用 DIN41612 连接器安装到背板上。
设计
每个编码器和解码器处理 6 个通道或 3 个立体声广播。音频输入可以是模拟的或数字的,具体取决于配置。

编码器的高级框图
检查编码器的框图,我们可以看到这里发生了很多事情。与我们之前看到的主要区别在于,三个立体声输出不是调制射频输出,而是多路复用到一个数据流中,该数据流使用 HDB3 进行编码。然后使用 BT 提供的 E1 线路将其传输到发射机站点。
它的不同之处还在于编码器立即对其输出进行解码,并以模拟形式和数字 AES3 提供。还有警报输出,运营团队会 24/7 全天候监控。
音频输入

请注意,任何地方都绝对看不到钽或湿电解电容器。
该组件与飞利浦解决方案的第 3 单元具有相同的工作,并且从根本上非常相似。它将 3 个平衡音频输入数字化,因此每个编码器需要其中两个。BBC 工程团队为每个通道选择了一个 Cirrus Logic CS5014 ADC,其中包含了大部分前端,只在 ADC 之前留下了最少的模拟电路。
另一个突出特点是 15 KHz 低通(抗混叠)滤波器。不太热衷于尝试推出自己的产品,他们从(某处)购买了一个。我无法找到有关制造商的任何信息。它们看起来像是在某人的车库里制造的。在原理图上,它们被声明为具有双轨电源,因此其中可能包含集成电路。
NICAM 编码器

大多数非可编程 IC 享有被焊接下来的崇高荣誉,其他的则不那么受信任。不幸的是,那些飞利浦 SAA7220 就在那个名单上。你听说过失败吗?
该组件在飞利浦解决方案中具有相同的作业单元 5。从视觉上看,它把它的对应物放在了阴影中,那是因为它不仅仅是编码——这里还有很多其他的东西。
在近死角,我们有一个非常特殊的芯片:BBC 自己的 NICAM 编码(和解码)LSI。据我所知,这是迄今为止制造的唯一能够进行 NICAM 编码的 LSI。其他一切(我所看到的)要么是基于使用 DSP 或 CPU 的软件,要么是 FPGA。这本身就值得承认,因为在 1980 年代制造的定制芯片附带了令人不快的条件。这绝对是我见过的最酷的时期编码器设计。
从哪里开始解开这件事……
首先,取决于其配置——它可以接受数字输入(AES3 格式)或来自我们刚刚看到的 ADC 组件的数字化信号。然后将数字化数据转换为适当的格式以进行压缩/编码。现在编码。请注意,只有一个 NICAM 编码器,处理三个通道。编码是通过一系列时序逻辑在时间片基础上完成的,这(部分)由左侧存储区中包含的“EPROM 逻辑”驱动。
包含所有三个立体声通道的最终帧被划分为一组固定的时隙。然后一个计数器循环 EPROM 的地址引脚通过所有插槽,然后它们的数据线有效地向板上的其余设备(包括编码器 LSI)提供关于在特定时间做什么的指令。最后,我们完成了一个 2mbit 的编码数据流——三个 676kbit 的流交织在一起。三个广播电台。
但是等等,还有更多。在左上角,我们有三个飞利浦 SAA7220 数字滤波器,我们之前在 PM5688 中看到过。这些都在这里,因为该组件还解码其自己的新编码音频,用于监视器输出。这些芯片是该过程中的关键步骤。它们在 1980 年代的 CD 播放器中也很常见。
最后,我们有 HDB3 线路编码器。有了这个,这个单元就可以直接驱动一条 E1 线路(当然不包括线路终端设备)。
CPU 和 AES3 输入

插座的选择也很有趣。任何可编程的东西当然都需要插座,但是Z80和SAA7274的呢?
在这个组件上,我们有一个Z80 CPU和附带的逻辑,提供诊断和内务管理功能。当然,手册上有更详细的说明。
此外,我们还有三个四个飞利浦SAA7274格式转换器。这些转换器将6个外部AES3数字音频输入转换成内部需要的2's compliment二进制音频格式。第四个是通过AES3提供一个主时钟信号。尽管飞利浦已经做出了支持这一功能的芯片,但我们并没有看到他们在NICAM-728解决方案中使用这一接口。我听说BBC也没有使用AES3输入。
音频输出

TDA1541A再一次得到了插座。它们的运行温度高于平均水平。也许它们确实失效了?
编码器还包括一个用于监视器模拟输出的音频输出组件。它与解码器中使用的组件非常相似。我将在这篇文章的后面更详细地介绍它。
它的设计比解码器更简单,因为它没有信号电平监测或静音控制。
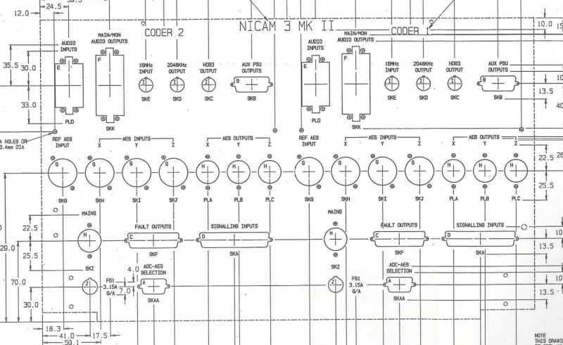
后面板

编码器的后部连接。我现在没有一张实际的照片。
在后面板上,我们有各种D-sub连接器(似乎BBC喜欢D-sub连接器),用于监测和控制。所有的模拟音频连接都在长方形的多针连接器上,很可能被引向一个接线板。
大量的空间被分配给AES3输入和监听输出的许多XLR连接器,这些连接器从未被使用。其中一个最关键的连接被标记为 "HDB3 OUTPUT"。这就是解码器与E1线路的连接方式。
解码器
在撰写本文时,这些解码器仍在英国各地的传输站点使用。我被告知有一个计划,用已经取代了解码器的同一设备来取代它们。

拆除前面板的解码器。与译码器不同的是,这些译码器有几百个,分布在英国各地的发射站。
从物理上看,解码器与编码器相似,两者都在前面的照片中。值得注意的是,这些古老的笨重的野兽今天仍然活着,没有改变,有如此长的寿命。在NICAM-728中,接收硬件是一种短命的消费品,每隔几年就会改进,变得越来越便宜,越来越小,越来越集成;最终消失在为整个产品提供动力的单一系统芯片中。
设计

解码器的方框图。
因为解码器做了编码器所做的一切,但是是反向的,我们会发现它与编码器有共同之处--特别是那个序列器块看起来相当熟悉。
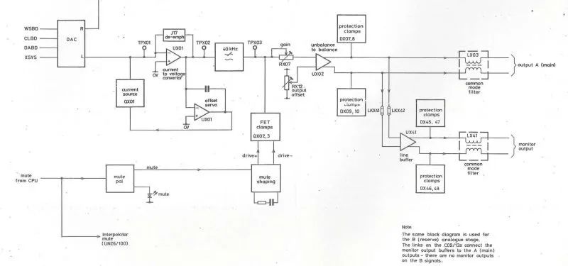
音频输出

这个组件的工作与飞利浦解决方案中的第3单元相同,设计也非常相似。它可以单独处理所有六个通道(3个立体声)。我们再一次看到了飞利浦解决方案中使用的传奇性的飞利浦TDA1541A DAC。这款早已停产的芯片至今仍受到发烧友们的推崇,二手样品可以卖到很高的价格。

音频输出级包括一个漂亮的小方框图。
它的特点是去加重和抗混叠滤波器。去加重是NICAM要求的,抗混叠滤波器是DAC要求的。实际上,我在这篇文章中已经扫描了DAC之后的电路(飞利浦的同类产品)的频率响应,BBC的版本将非常相似。
它有一些额外的功能,是这个组件的编码者版本所没有的--特别是静音控制和信号电平监测。与飞利浦的对应产品一样,每一个输出都是双倍的,也有第二个监测输出。
你可能已经注意到在解码器中安装了两个这样的装置。说什么呢?
检查框图,我们可以看到BBC的工程师相当担心这个组件会失败,因为整个DAC/模拟部分是双倍的,输出信号被比较。如果差异超过预先设定的阈值,就会发出警报信号。
NICAM解码器

UCN5801A的似乎也都是插座式的。我想这可能是因为它们暴露在危险的外部世界。
这个组件看起来与编码员的NICAM编码器组件相当相似。这是因为它是。它运行着完全相同的过程,但是是反向的。它甚至在中心有相同的BBC设计的LSI,以 "解压 "模式运行。它也有一个机制来使NICAM逻辑与源同步。
但是,有六个SAA7220数字滤波器代替。这是因为它驱动两个DAC输出卡(如上一节所详述的),所以它们加倍了。当然,为什么不呢。甚至给这些芯片供电的74LS674移位寄存器也是双倍的。哎呀,他们很担心。非常担心。
CPU和HDB3同步

这张卡执行内务管理和诊断功能。一个立即可见的特征是之前在方框图上看到的大量的旋转开关阵列。这些是用来设置每个通道的警告/警报阈值的。不可避免的是,有些设备比其他设备更容易出错,因此需要不同的阈值。当错误超过预期时,才需要发出警报。
CPU能够使用总线仲裁系统撬动解码器的内存进行故障查找,在解码过程中有一些预定义的时间段,允许它这样做。如果它试图在其分配的时隙之外访问该内存,它将被迫等待。这个功能是与编码器共享的。
在这块卡上,我们还有一个逻辑,用于将传入的HDB3编码数据从E1链路同步到伦敦,当设备第一次连接到信号源时,以及当/如果与信号源失去同步时,就需要这样做。
奖金:RDS组件
无线电数据系统是一种允许接收器向听众显示曲目名称的技术。它于1988年推出,并在IBC-88上进行了展示。
在高水平上,RDS系统在伦敦和全国其他地区的发射站之间提供了一个多分流单工RS-232通道。
RDS合路器

合路器底盘的前视图。
合路器是解决方案的发射端,住在伦敦。

合路器的工作并不特别困难,是普通爱好者可以设计和建造的解决方案的一部分。它是基于一个Z80微控制器的。组合过程很简单。编码器向合路器发送一个常规中断,表示它准备好接受数据,分流器将数据发送给编码器(在那个确切的时间),然后数据被拼接到编码器内部NICAM帧的空余字节中。如果没有RS-232数据可以发送,合路器仍然要发送一个结构来表明没有数据可用。
它有一些配置选项--波特率(支持300-9600),你甚至可以配置LED的行为。
有些人喜欢通常是关闭的红色LED。另一些人则希望绿色LED通常是亮的。
就我个人而言,我喜欢两者都有一点,这取决于LED的用途和我的心情。这套设备背后的团队(或可能是个人)不可能有很紧的时间表。
这里还有一个相当有趣的特点,40个位置的带状电缆连接着电路板......和它自己?板子的前半部分是一个标准的BBC设计的微控制器块,用于其他设计,而后半部分(包含UART)是专门用于组合器的。互相连接是为了帮助开发和调试。
RDS分路器

分配器底盘的前视图。从远处看,与合路器没有区别。
分路器是解决方案的接收端,住在分布在英国各地的发射站中。

它们与合路器极为相似,但工作方式相反。
小叔来啦:
你提到BBC的工程师使用双冗余电路是因为他们 "担心"。事实并非如此,直到80年代末,这只是标准做法和最佳做法!。然而,当有线电视公司开始与英国电信竞争时,情况发生了变化,他们不愿意为系统的弹性付费--我在80年代末为E1和SDH复用/切换设计VLSI芯片。我们必须把芯片设计成两种工作模式,一种是没有冗余的模式(用于有线电视公司的设备),另一种是作为双冗余对工作的模式,自动切换而不丢失数据(用于英国电信发布的设备规范)。
编辑:黄飞