时间:2022-10-19 09:35
人气:
作者:admin
●5匹变频柜机H7故障检修
一、背景
某地区一台5匹变频柜机出现H7故障,检查故障更换电器盒、压缩机之后还是显示H7,无法正常使用。到底怎么回事?让我们一起看看吧!
二、分析
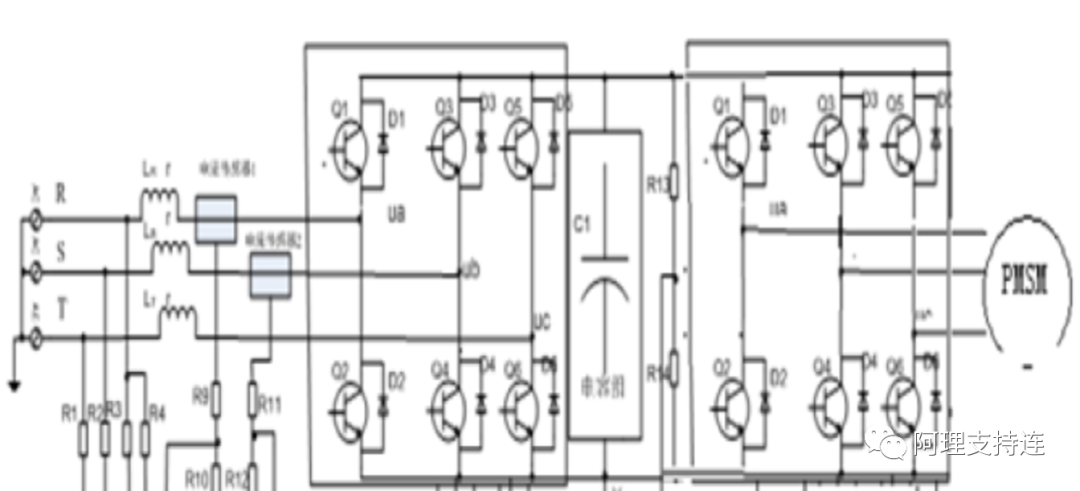
1、该机H7故障为压缩机同步失败保护,相对故障范围较窄。如下图所示,机组使用三相电逆变控制,故障原因包括电源问题、驱动板、压缩机及相互的连接线。

2、由于网点又称电器盒、压缩机都更换过。更换电器盒与压缩机之后是否还是显示H7还是其他故障?师傅后反馈更换新电器盒之后显示HC,PFC电路保护。所以重点应该放在驱动板及附属线路上, 如电抗器、PFC电感短路、外机控制器故障。
3、用户供电线路无异常,在重新拆换电器盒时,发现电抗器接线线的顺序有问题,然后服务人员将接线调过来之后,空调工作正常。
4、将原机主板、显示板装回,任然显示e6,替换了显示板后故障排除。
三、处理
更换驱动板及正确接电抗器线。
四、总结
1、电抗器L1、L2、L3接错为何会报HC故障?
如下图所示,三相逆变电路中,电源先经过电抗器,再进行三相IPM模块整流,然后通过另外一个IPM模块驱动压缩机。当电抗器接错后,由于IPM模块逻辑时序是固定,那么就会导致电流、电压异常,报HC保护。

2、如何避免接错?
如下图所示线路图,根据图纸要求接线,三个电抗器分别接入X4与X7、X5与X8、X6与X9,无正反之分。

3、对于H7压机启动失败故障应该怎样分析?
首先排除电源供电问题、再排查压缩机与主板线路问题;然后再观察启动时,压缩机能否启动,有没有卡缸堵转问题,结合测量压缩机绕组、绝缘是否正常;最后考虑主板问题。
审核编辑:刘清
上一篇:低延迟高音质无线麦克风解决方案