时间:2022-07-11 17:02
人气:
作者:admin
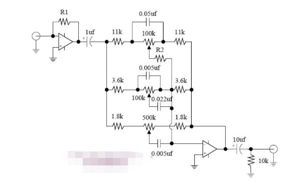
这是一个非常基本的三段音调控制电路图。这个基本的音调控制电路最初是为家庭音频使用而设计的,但应该能够通过非常小的修改就可以被入侵到效果电路中。

电阻器 R1 的电阻值取决于增益需要由用户决定,R2 未知 - 因为实验目的。运算放大器并不重要,可以使用任何标准的(eq:741、LM324 等)。
该电路使用的电源取决于所使用的运算放大器 IC。使用 IC 数据表了解推荐电压。有些运放IC需要对称供电才能工作,找到需要通用供电(非对称)的运放即可。对于该电路,稳压电源会更好。
为获得更好的音质,请使用优质元件,如 MKM 电容(无极性)、钽电容(双极性)、金属膜电阻等。