时间:2022-07-13 16:00
人气:
作者:admin
TDA7294 IC 是一种流行的低成本声音放大器 IC,具有大量的功率处理能力,确切地说是 100W。在本教程中,我们将在桥式配置中使用其中两个TDA7294 IC来构建一个功能更强大的放大器,可以处理高达 170W 的 RMS 功率。在本教程中,我们将引导您完成构建过程,首先,我们将向您展示如何计算电源所需的电压和电流,然后我们将找到如何根据给出的热数据获得合适的散热器在 TDA7294 IC 的数据表中,最后,我们将讨论如何通过稍微调整电路的值来改变放大器的增益。
为项目和计算选择合适的电源
TDA7294 IC 可以采用双电源或分体电源供电,从而大大提高了器件的性能和效率。这就是为什么我们将使用分体式电源而不是单个电源。这里的目标是找到合适的变压器,它可以提供足够的电压和电流来正确驱动放大器。

如果我们考虑上面显示的 30-0-30 变压器,如果输入电源电压为 230V,它会输出或多或少的 30-0-30V 交流电。但由于交流电源输入总是漂移,输出也会漂移。考虑到这一事实,现在我们可以计算放大器的电源电压。变压器为我们提供交流电压,如果我们将其转换为直流电压,我们将得到
VsupplyDC = 30*(1.41) = 42.3VDC
这个值比我们最初的目标值要高一点,但它在数据表中器件的绝对最大额定值范围内。可以清楚地说明,当输入为230V AC时,变压器可以输出42.3VDC。现在如果我们考虑 5% 的电压漂移,我们可以看到最大输出电压变为
VmaxDC = (42.3 +2.4) = 44.77V
这完全在 TDA7294 IC 的最大电源电压范围内。
散热要求(寻找合适的散热器)
现在我们已经计算了最大功率要求,我们可以将注意力转向为我们的放大器电路寻找合适的散热器。对于这个构建,我选择了一个铝制挤压型散热器。铝是一种众所周知的散热器材料,因为它相对便宜并且具有良好的热性能。要验证 TDA7294 IC 的最高结温,我们可以使用流行的热方程,您可以在此Wikipedia链接中找到该方程。
我们使用一般原理,即在给定的绝对热阻 RØ 上的温降 ΔT 以及通过它的给定热流 Q。最后的公式是,
Qmax = (TJmax – (Tamb + Δ THS)) / (R Ø JC + R Ø B + R Ø HA)
TJmax = 150 °C(硅器件的典型值)
Tamb = 29 °C(室温)
RØJC = 1.5 °C/W(对于典型的 TO-220 封装)
RØB = 0.1 °C/W(TO-220 封装的弹性体导热垫的典型值)
RØHA = 2 °C/W
所以,最终的结果变成
Q = (150 - 29) / (1.5+0.1+2) = 15.14W
这意味着我们必须消耗 15.14 瓦或更多功率,以防止设备过热和损坏。
注意: 请注意,在制作这个项目时,我的库存中没有任何其他大的散热器,所以我必须使用我拥有的最大的一个,为了顺利运行,建议使用更大的散热器。
基于 TDA7294 的放大器电路图
TDA7294放大器电路的电路图如下:

构建基于 TDA7294 的放大器电路所需的组件
该电路很容易复制,因为我们使用通用组件来构建它,您可以在本节中找到该项目的 pars 要求。
TDA7294 集成电路 - 2
螺丝端子 2.54 mm - 2
螺丝端子 5mm - 1
22k 欧姆电阻器 - 5
680欧姆电阻 - 2
33k 欧姆电阻 - 1
10k 欧姆电阻 - 1
0.56uF 电容 - 2
22µF 电容 - 4
复合板 50x 50mm - 1
6安培二极管 - 4
2200µF 电容 - 2
0.22uF 电容 - 2
散热器 - 1
基于TDA7294的放大器电路详解
现在我们已经看到了电路的完整原理图,我们可以理解电路是如何工作的。我们将从设置放大器的增益开始,因为它是最重要的部分。
设置放大器的增益
设置放大器的增益是构建过程中最重要的一步,因为低增益设置可能无法提供足够的功率。高增益设置肯定会使电路的放大输出信号失真。根据我的经验,我可以说将增益设置在 30 到 35 dB 之间非常适合使用智能手机或 USB 音频套件播放音频。这就是为什么我们要专注于这一点。

在上述电路中,引脚 14 的输出通过分压器配置反馈到引脚 2
注意: 要设置放大器增益 1% 或 0.5%,必须使用电阻器,否则立体声通道会产生不同的输出。
设置放大器的输入滤波器

电阻器 R1 与 C2 一起用作确定带宽下端的高通滤波器。除此之外,电容器C2用作隔直电容器。
放大器的截止频率可以通过使用下面显示的公式找到。
FC = 1 / (2πRC)
其中 R 和 C 是组件的值。
为了找到 C 的值,我们必须将等式重新排列为:
C = 1 / (2π x 22000R x 3.5Hz) = 4.7uF
注意:建议使用金属膜油电容以获得最佳音频性能。
设置输出和配置引导程序

接下来,我们将通过配置 TDA7294 IC 的引导引脚来设置输出。
正如您可以清楚地看到 IC 的引脚 6 是放大器的自举引脚,它需要连接到 IC 的输出引脚(引脚 14),这就是该 IC 如何知道它配置在引导配置。
单信号 ST-BY/MUTE 控制电路

上图显示了对待机和静音功能仅使用一个命令的可能性。在两个引脚上,最大适用范围对应于工作电源电压,这意味着通过施加一定范围的输入电压,该器件可以进入待机或静音模式。
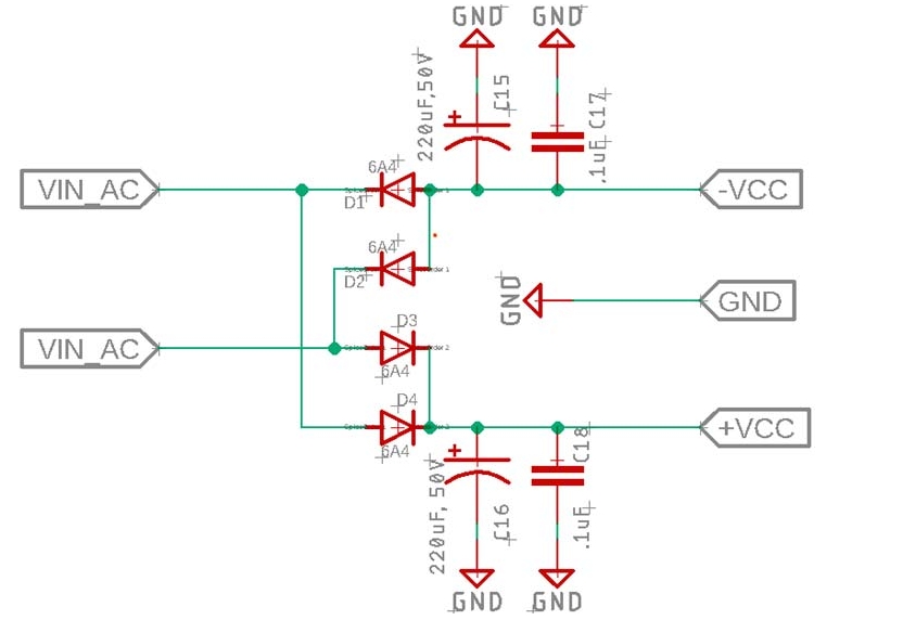
放大器电源
需要使用带有适当去耦电容的双极性电源为放大器供电,原理图如下所示。虽然电源部分不是原理图的一部分,但我们将使用此桥式整流器配置为电路供电。

电路结构
为了演示,电路是在原理图的帮助下在手工制作的点状穿孔板上构建的。请注意,如果我们将大负载连接到放大器的输出端,将会有大量电流流过,为了克服这一问题,我们使用单股 CAT6 电缆连接 perf 板中的电源线。

为了使电路更小并降低复杂性,我将一些电阻器焊接到 perf 板的背面,如下图所示。

TDA7294放大器电路测试
测试过程非常简单,我们将电源和负载连接到放大器。此外,我们将在放大器上连接一个温度传感器来监控温度,然后让它运行。

为了测试电路,使用了以下设备。
具有 30-0-30 分接头的变压器
16Ω 180W 扬声器系统作为负载
Meco 108B+TRMS 万用表作为温度传感器
和我的三星手机作为音频源
使用的扬声器系统如下所示。如前所述,这是一个 180 瓦扬声器系统,带有一个 150 瓦 RMS 主扬声器、一个用于高音的 15 瓦高音扬声器,以及另一个用于输出人声的 10 瓦扬声器。

此外,您可以看到在测试期间室温为 22°C。此时,放大器处于关闭状态,万用表只显示室温。一般来说,这个放大器的音频输出非常好,可以通过在它旁边添加一个音频控制电路来改善。

从上图可以看出;结果或多或少都很好,并且在测试期间IC的温度没有超过41°C。使用一个小时后,温度没有超过 55°C。