时间:2022-07-23 17:32
人气:
作者:admin
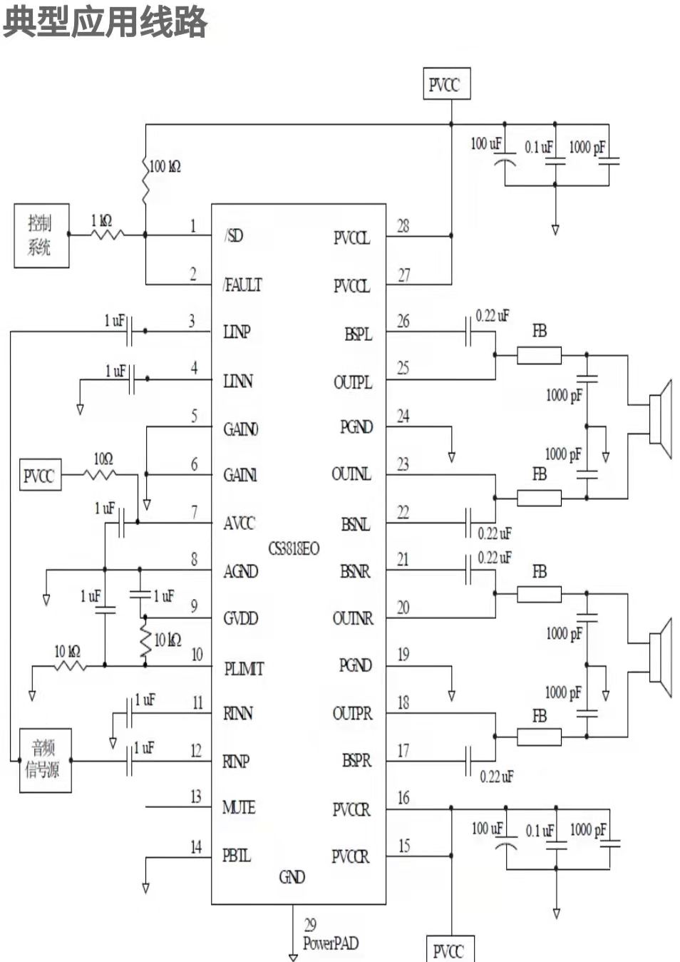
华润微CS3818pinTPA3140/TPA3144/TPA3110/CS8618/AD5200x/AD52058完美兼容,双声道立体声D类音频功率放大器
1、概述 :CS3818是一款15W(每声道)立体声高效D 类音频功率放大电路。先进的EMI抑制技术使得在输出端口采用廉价的铁氧体磁珠滤波器就可以满足EMC 要求。内部包括一个功率可调限制器和直流检测电路来对扬声器进行保护。功率可调限制器允许用户设定一个比电源电压低的虚拟电压来限制流过扬声器的总电流,直流检测电路在输入电容损坏或者输入短路时关断输出级。
TPA3140D2/TPA3144D2
CS3818可以驱动低至4Ω 负载的立体声扬声器,具有高达90%的效率,使得在播放音乐时不需要额外的散热器。
CS3818应用于LCD 电视、消费类音频设备。其特点如下:
15W/声道的功率输出(16V 电压,8Ω 负载,THD 等于10%)
10W/声道的功率输出(13V 电压,8Ω 负载,THD 等于10%)
30W 的功率输出(16V 电源,4Ω 单声道负载,THD 等于10%)
效率高达90%,无需散热片
较大的电源电压范围6.5V~26V
免滤波功能,输出不需要电感进行滤波。
扬声器保护包括可调功率限制器加直流保护
输出管脚方便布线布局
良好短路保护和具备自动恢复功能的温度保护
良好的失真和防噗声功能
四级增益可调
差分输入具有静音和待机功能


编辑


应用:广告机,TV,板卡,等多种设备,更多详细资料,可以私信留言,合作共赢,共创辉煌,互相学习共同进步,用芯成就专业,专业承载重托
上一篇:浅谈硬件测试的重要性