时间:2021-10-15 16:08
人气:
作者:admin
双音多频信号解码电路是目前在按键电话(固定电话、移动电话)、程控交换机及无线通信设备中广泛应用的集成电路。
一、双音频解码电子电路

2、3脚接收来自电话机的双音多频脉冲信号该双音多频信号先经其内部的拨号音滤波器,滤除拨号音信号,然后经前置放大后送入双音频滤波器,将双音频信号按高,低音频信号分开,再经高,低群滤波器,幅度检测器送入输出译码电路,经过数字运算后,在其数据输出端(11~14脚)输出相对应的8421码。
MT8870的数据输出端Q4~Q1连到单片机,单片机识别4位代码。电话按键与相应译码(Q4~Q1)输出。R/P,REDIAL,HOLD,HANDSFREE等功能使用。为了使单片机及时获取有效数据,MT8870的CLD有效端经反相后接CPU的INT0引脚。当MT8870获取有效双音多频信号后,CLD电平由低变高,再反相为低,CPU检测后,指示输入口接收有效二进制代码。
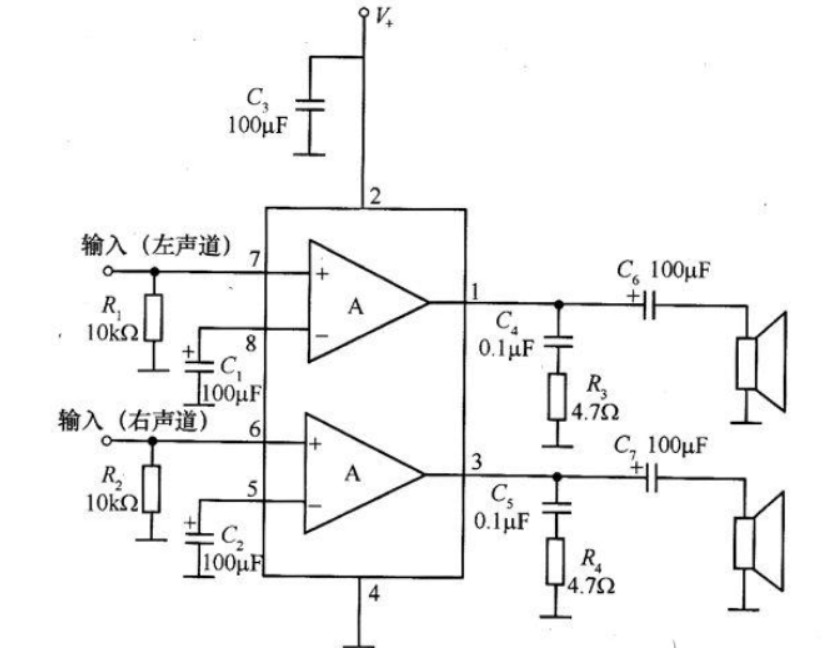
二、TDA2822双声道功放电路

R1,R2是输入偏置电阻,C1,C2是负反馈 端的接地电容气,C6,C7是输出耦合电容,R3,C4和R4,C5是高次谐波抑制电路,用于防止电路振荡。
三、音频放大处理电路

双稳态电路指电路有两个稳定的状态,没有信号触发时该电路一直保持某一稳定状态,当有信号触发时,该电路会跳变到另一稳定状态并保持,直到再次有信号触发。如果不了解双稳态电路建议多查阅资料,先熟悉双稳态电路。
上图是由三极管Q3和Q4组成的双稳态电路,由该电路可知上电时初始状态:Q3先饱和导通,将Q4基极拉低,所以Q4截止,LED指示灯不亮;当有信号触发时,Q3截止,而Q4则导通,所以LED灯亮。
责任编辑:pj