时间:2021-05-24 06:14
人气:
作者:admin
该参考设计演示了MAX98400 D类音频放大器在立体声音频扩展坞应用中的使用。MAX98400 2.1演示盒是一个完整的有源扬声器底座,它使用两个MAX98400 IC来驱动一个3声道扬声器系统,该系统由两个2英寸卫星扬声器和一个5英寸低音炮组成。该参考设计旨在与便携式音频播放器一起用作其主要音乐源。整体解决方案尺寸非常紧凑,并具有有源均衡,电源监控和超低音扬声器的动态均衡功能。
重要设计特征
详细设计说明
参考设计包括一个经过仔细调整的盒子,其中包含所有电子设备和扬声器硬件。只需一个外部电源和一个信号源即可完成系统。
该设计具有两个用于左声道和右声道的2英寸扬声器驱动器,以及一个用于低音炮的5英寸扬声器。单个MAX98400A在立体声模式下用于左/右声道,另一个MAX98400A在单声道模式下用于超低音声道。此处的详细描述分为两部分:电子电路描述和扬声器/物理外壳描述。
电子线路说明
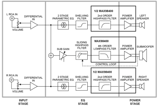
参考设计的电子线路包括两个部分,左/右和低音炮。每个部分分为三个阶段:输入,EQ和电源。参见图1。

电路框图具有MAX98400 D类音频放大器。该设计具有输入,EQ和功率级。
输入级
输入级是左/右和低音炮部分共有的。立体声对数电位器(数字电位器)用作音量控制,以调节前置放大器的信号电平。为避免接地环路,对输入进行差分检测,并且RCA输入连接器未直接连接至系统接地。一个100Ω的电阻用于降低共模电压。U3-A和U3-D(请参见下面的示意图)以2的增益执行差分到单端转换。输入级的输出参考VREF,功率放大器U2的参考电压通过U100进行缓冲-一种。
情商阶段
在输入级之后,左右信号将传递到围绕U3-B(左)和U3-C(右)构建的两级参数均衡器。每个参数均衡器都使用一个运算放大器回旋器来模拟LC串联谐振电路中的电感器。串联电路有两个用于衰减或升压的接入点,并且接入点由两个不同的电容器实现。例如,C105和C106是左声道的第一个参数EQ频段的升压和衰减点。如果仅使用C106(且未填充C105),则谐振电路会与串联电阻R105(10kΩ)结合形成分压器,并且谐振频率会衰减。相反,如果仅使用C105,则会减少反馈,从而导致谐振频率提高。如果两个电容器均未使用,则该频带被禁用。
编辑:hfy