时间:2020-08-31 15:23
人气:
作者:admin
不管是使用寿命将至,还是有源功放音箱保养不足(具体音响保养可以参考《怎么保养音响?2.0音响保养方法》),都会导致音箱某个零配件损坏而需要维修,那么有源音箱有哪些故障问题呢,下面就来带大家一起看看音箱维修的一些常见故障检修方法。
一、有源音箱有噪音维修方法
故障现象:有源音箱通电即发出“嘟嘟”声
分析检修:据经验,此故障多为一声道功放管击穿,造成直流短路所致。拆机,测两只功放管D1499均击穿,限流电阻也发黑焦化。换新限流电阻,因手头暂无D1499.取两只D1266型功放管换上。长时间试机,一切正常。
二、有源音箱无声音维修方法
故障现象:有源音箱屏显正常,输入音频信号无声音,音量控制无效
分析检修:该有源音箱的音量调节旋钮为滚动式,配用16脚集成块PT2253A。测外围12V供电正常,但稳压管ZD负端对地呈短路状态。断开PT2253A(16)脚,测该脚已对地击穿,说明PT2253A已损坏。因该芯片不易购得,决定取消该音量控制小主板。取一只Bl00 kΩ滑动碳膜电位器,如图所示,一端接LIN、RIN,另一端接地,中间接LOUT、ROUT。经检查无误后,仍利用原安装孔固.定、原旋钮调整。通电,音量及控制正常。

三、音箱音量时大时小故障维修方法
故障现象:调整音量时出现噼里啪啦的声音,音量时大时小。
分析检修:事实上只要出现这种情况便可以判断是调节音量的相位器出了问题。大多数音箱都利用是电位器来改变信号的强弱(数字调音电位器除外),从而来进行音量调节和重低音调节的。而电位器则是通过一个活动触点,来改变在炭阻片上的位置,从而来改变电阻值的大小。随着使用时间的增长,电位器内会有灰尘或杂质落入,电位器的触点也可能会氧化生锈,造成接触不实,这时在调整音量是就会有“噼里啪啦”的噪音出现。
解决的办法比较简单,只需要更换一个新的电位器就够了,其花费不会超过2元钱。不过,最简单的处理办法还是打开音箱,再把电位器后面的四个压接片打开,露出电位器的活动触点。然后,用无水酒精清洗碳阻片,再在碳阻片滴一滴油,最后把电位器按原来位置装好就可以解决噪音问题。
当然,上面是大多数人会遇到的情况。但还有一种原因也会引发上面的故障:电位器的质量不稳定。在使用时,左右声道的簧片本来是分离的,但现在却因为错位,造成在使用的时候时通时断,这就产生的“霹雳啪啦”的噪音。对付这个也很简单,我们只要用尖嘴镊子轻轻拔正,再按原位装回就可以了。
朋友嘱托笔者代为选购一款小型有源音箱。纵观市售产品,虽然琳琅满目,但是质量和效果却令人不敢恭维,无奈之余,只好自己动手。
一、电路选择和箱体设计
电路(见图2)采用(NE5532+TDA1521)×2的工作模式,即用NE5532和TDA1521各两只分别制成两套完全相同的功放电路,每只音箱用一套。电路中利用NE5532运放的一半做成阻抗变换器(阻抗变换器的作用是解决微波传输线与微波器件之间匹配的,在通常情况下,同轴传输线的阻抗为75Ω,而与馈线相连的极化分离器和波道滤波器的输入输出阻抗为50Ω),另一半则对信号进行约5倍的线路放大。线路放大器输出的信号先经阻容网络分频后再送入TDA1521中对高低音进行单独放大。这样便舍去了箱内易引起频率特性变差的功率分频器,对音质的提高大为有效。
此有源音箱的箱体均采用15mm厚的中密纤维板打制,各板接合处作45°角处理。箱体外部尺寸(正、侧、背)见图1.各板下好料后,除后板之外,其余各板可先组装在一起,组装时先在接缝处涂胶粘合后再每隔约5cm用2.5cm长的自攻螺丝紧固。然后在箱内遍刷一层厚约0.5cm的沥青,以增强箱体刚性及在大音量放音时减小震动,最后再均匀地铺一层吸音棉。
二、元件选择及功放制作
因本功放电路中元器件很少,每一个元件质量都会对整体性能产生较大影响,所以对元器件的选择应充分重视。
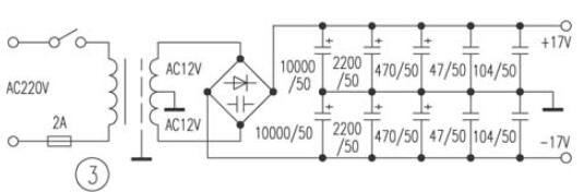
功放电路中各电阻除注明外,均选用1/4瓦的五色环金属膜电阻(无色金属膜电阻具有温度系数小、电流噪声小,抗潮湿、抗氧化、过负荷能力强、长期工作稳定,使用温度范围宽,包装方式有带装、散装的好处)。小容量或信号耦合电容则用钽电容或CBB型,大容量的退耦、滤波电容使用“红宝石”.TDA1521为台湾省出品,NE5532选用的是标有大“S”的美国货。箱内连线除信号输入线外,其余使用优质音箱线。因为本功放电路简单,制作印板时可选择一块敷铜板用美工刀按要求刻制,省时省力。各元件在上板之前应用仪表进行严格测试、筛选。可用两只“L”型拐铁将电路板和给TDA1521散热的散热器用小螺栓作“L”型连接(注意电路板与散热器绝缘)。本功放中为功放块散热的是从STK6153功放板上拆下的散热器,用在此处非常合适。而后在功放块背面均匀地涂上一层导热硅脂后即可用小螺栓固定在已打好孔位的散热器上。本有源音箱使用的电源为外置式,电路见图3.电源中的变压器、整流滤波组件、保险器等均置于一铁制机箱内,使用时用优质三芯小电缆与音箱连接。此种做法虽显麻烦,但带来的好处是极大地降低了电源变压器对功放板上各元件(特别是前级部分)的干扰,对提高重放音质有利。此音箱用的扬声器为上海银笛厂的产品,高音为YDQG4-7,低音单元为YD120-19,实际使用此两款扬声器配合默契。
三、功放板及接插件的安装固定
装配时,首先在音箱后板的中下部开一个稍宽于功放电路板、略高于板上最高元件的矩形孔,在四周贴上合适厚度与宽度的双面胶带,再把功放板水平放置由外向里推入;散热器则露于箱外并与背板外侧紧贴,而后用自攻螺丝把散热器紧固在背板上。在背板(散热器上方)合适部位开一个2cm×5cm的孔,用一块3cm×6cm的敷铜板将小型莲花座固定于此,作为信号输入板。再在背板(散热器下方)钻孔固定好三只不同颜色的接线柱作为有源音箱的直流输入端。连接好内部线路、接入扬声器后即可将后板涂胶再行组合。在使用时,务必先把直流供电线路连接好再开启交流电源。至此,此款有源音箱的制作完成。
此款有源音箱易和CD及磁带随身听成本低、音质好、制作成功率高是本音箱的显著特点。至于听音效果,自不必用华丽的语言来描述,相信不会令您失望。


