时间:2020-09-08 18:00
人气:
作者:admin
摘要
随着科技的不断发展,众多智能产品的出现极大的方便了我们的生活。音乐爱好者甚至普通大众日常生活中怎能少得了高品质的蓝牙音箱呢?
电源管理,是电子设备的核心器件,高品质的蓝牙音箱必须拥有稳定、可靠、高性价比的电源管理方案。由拥有多年国际一流电源管理企业工作经验的海归团队成立的深圳宝砾微电子有限公司自主研发的大功率同步升压DC-DC产品PL3050,为蓝牙音箱设计者提供了最优的电源解决方案。
PL3050产品介绍
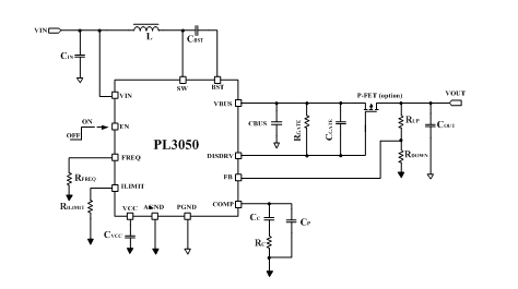
PL3050是一个20V的同步升压转换器,内置用于负载断开功能的栅极驱动器。PL3050集成了两个低导通内阻的功率MOSFET:7mΩ的开关MOSFET和7mΩ的整流MOSFET。
PL3050采用自动恒定频率的峰值电流模式控制。轻载时,PL3050工作与FCCM模式下,以避免产生低频噪音。
PL3050实现可编程的逐周期电流限制和可编程的开关频率调节功能。
当输出短路时,PL3050可以将输出端与输入端隔离。输出一旦短路,进入hiccup模式,降低热应力,短路状态释放后自动恢复。此外,PL3050还具有OVP和热保护,避免故障运行。
产品特点
◆ 输入电压范围:2.7-20V
◆ 输出电压范围:4.5-20V
◆ 内置两个7mR FETS
◆ 具有输出短路保护功能
◆ 可编程开关频率最高可达2.2MHZ
◆ 可编程内部逐周期限流最高可达15A
除了以上特点之外,PL3050采用最可靠的QFN13-FC封装,能够保证在大功率应用下的散热均匀,相对普通打线封装的产品稳定性更高。另外,PL3050的输出短路保护功能是行业内其他升压IC所不具备的,解决了在行业痛点。

图1 PL3050典型应用原理图

图2 引脚功能 (QFN13-FC)

PL3050在蓝牙音箱中的应用设计
本参考设计提供了一种适用于音频功率放大器的PL3050包络跟踪电源电路。通过在FB引脚上添加音频包络信号,PL3050的输出电压可以根据音频信号的包络来改变。因此,PL3050为音频功率放大器提供动态变化的电源电压。在整个输出功率范围内,音频功率放大器始终保持高效率。
在蓝牙音箱方案设计前,确定以下要求:
1)确定供电电池类型(单节或双节)
2)选定功放,根据功放类型确定输出电压范围及功率
3)确定最低输出电压
4)确定最高输出电压
5)确定开关频率,选择电感、输入输出电容及设置限流值
设计案例
本设计案例针对两节锂电池输出15V电压,支持15V电压、4Ω BTL负载条件下功率为2x30W(TPA3118D2)的功放。
1、原理图设计

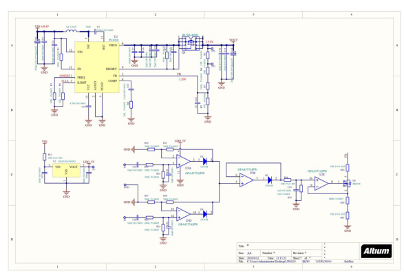
图3 蓝牙音箱电源设计原理图
2、PCB设计

3、参数设计
1)设定使用2节锂电池供电,输入电压6-8.4V
2)选定TPA3118D2 功放,实现最大输出功率为2x30W
3)确定输出最大电压及最小电压,如表1
音频信号(峰值mV输出电压(V)

表1
根据最低输出电压及公式VOUT=VFB×(1+R1/R2)以及根据PL3050 Vfb=1.2V 且 Ifb引脚最大漏电流50nA的要求,为保证精度R2取47K,那么R1取324K,如图6:

图8 输出电压设置
对应原理图 R9=47K,R7=300K,R4=24K,R3=47R。R3用于测伯德图。
根据原理图可知道:IQ2=(15.0-1.2)/324K-1.2/47K=17.06uA
R21=0.56/17.06=33.179K
取R20=180R R21=33K R14=10K
4)频率设定

根据PL3050规格书里设定开关频率公式,这里选600KHZ,对应原理图R5=82K
5)峰值电流设定
峰值开关电流极限由外部电阻R6设定。我们应该确保在最低输入电压和最高输出功率的情况下,电流极限点高于所需的峰值开关电流。根据PL3050规格书里电流极限值可由下式计算

6)电感计算
纹波率取0.4,根据PL3050规格书里可由下式计算电感量:

考虑到实际效率,这里计算L大约1.3824uH 取2.2uH。
电感工作时最大电流计算:

考虑到实际效率,这里计算Ipk大约12.5A。考虑到实际温度的影响,电感饱和电流取15A以上。
7)输出电容计算
根据输出纹波要求,可参考如下公式计算

考虑到电容在某些直流偏压的降额,5个22μF的陶瓷电容器并联适合ΔVo= 50 mv的应用
4、方案测试
图9 方案实物图
本方案针对两节锂电池输出15V电压,支持15V电压、4Ω BTL负载条件下功率为2x30W(TPA3118D2)的功放。以下测试数据以15V固定电压输出得到,包络部分未参与。后面会做出计算范例。
1)效率测试

2)纹波及噪声

3)动态测试

4)短路测试

5)伯德图测试

商务合作联系:肖祥富 18126469226