时间:2020-11-25 15:13
人气:
作者:admin
项目介绍1
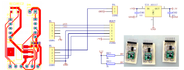
RDA5807M模块是小型化的调频收音模块。为了便于能够在面包板上进行实验,下面将该模块通过一个转接板来形成六针接口模块,这便于在面包板上完成相应的实验。
六针接口的定义如下:正视模块,排针在最下面,从左到右的功能分别是:

在新的功能模块上增加了3.3V的稳压芯片:A1117-3.3V,I2C总线的上拉电阻:10kΩ OmegaΩ。

:
将RDA5807焊接在转接板上。需要在顶部的天线部分增加一个长度为10厘米的软线作为RF接收天线。
硬件
将RDA5807转接模块安插在实验面包板上,将单片机的I2C总结与RDA5807的I2C连接。
由于RDA5807中集成有3.3V的稳压模块:AS1117-3.3,所以可以直接连接面包板上的5V工作电源。
在RDA5807中集成有两个10kΩ OmegaΩ的I2C上拉电阻,可以将原来位于单片机外部的I2C总线上拉电阻去掉。不影响工作。
将RDA5807转接模块顶部的RF天线部分,焊接一个10厘米长的天线,可以增加接收的灵敏度。如果没有增加该天线,接收的信号噪声比较大。
工作电源:2.7V~3.3V。直接使用5V是不允许的。
编辑:hfy