时间:2020-10-19 13:54
人气:
作者:admin
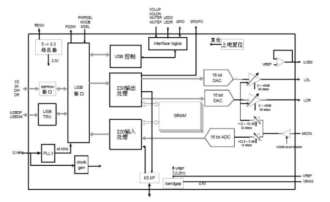
DP108T是一种高集成度的USB/YTPE-C音频芯片。嵌入了所有必要的模拟模块,包括双DAC 和音频驱动、麦克风增益器 、PLL、稳压器和 USB 收发器。此外,音频音量可以很容易地通过专门的 HID 兼容音量控制引脚来调节。
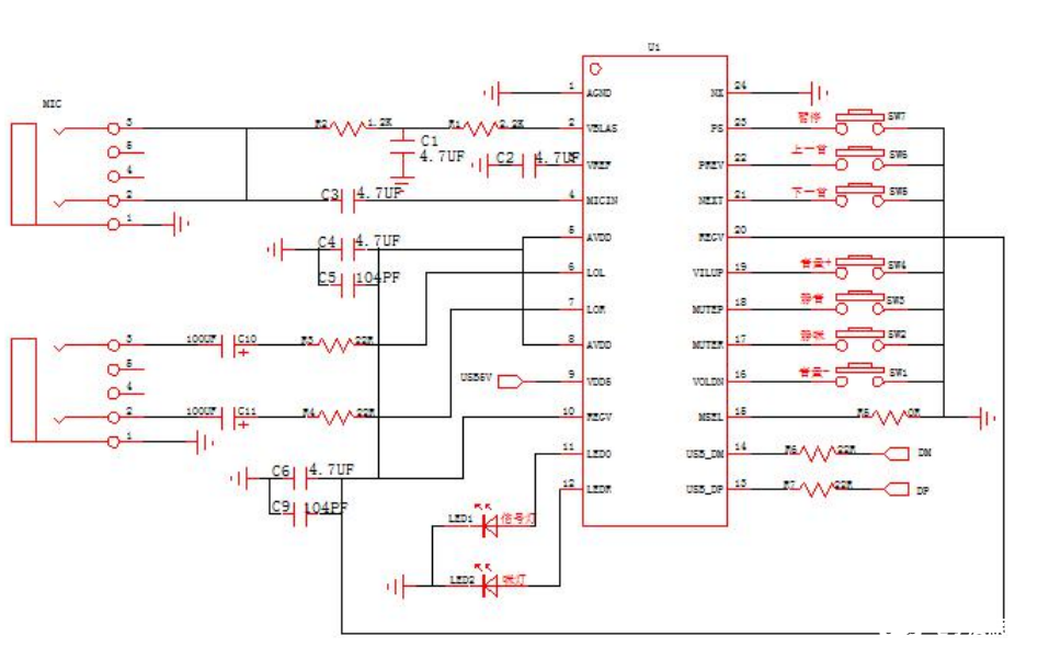
典型应用原理图:

产品特性:
·支持 USB2.0;TYPE-C;
·符合 USB 听觉设备类规范 3.0 版本;
·支持 USB 暂停/恢复模式和音量控制引脚的远程唤醒功能;
·扬声器模式(只有回放功能)或者耳机模式(回放+录音)有跳线引脚(jumper pin);
·耳机模式下,USB 音频功能拓扑结构(USB Audio Function Topology)有 2 个输入端
子,2 个输出端子,1 个混音器单元,一个选择单元和 3 个特性功能单元;
·耳机模式下,通过跳线引脚(jumper pin)开启/关闭混音器单元;
·支持一个控制终端,一个同步输出终端,一个同步输入终端和一个中断终端。
·当设备暂停时,对释放回放带宽(Releasing Playback Bandwidth)和 USB 总线交替设置为零带宽;
·升高、降低音量和静音回放引脚支持 USB HID 设备组,故主机可以同步控制;
·静音指示引脚用 LED 指示静音状态;
·可以设置电压输出的跳线引脚(Jumper Pin)(3.5V 或 2.5V);
·听筒放大器为嵌入式高性能 16 位音频 DAC;
·麦克风增益器输入端为 16 位嵌入式 ADC;
·嵌入式通电复位(Power-On-Reset)模块;
·嵌入式 5V-3.3V 稳压器支持单外部 5V 操作;
·免驱动兼容 Win98 SE / Win ME / Win 2000 / Win XP / Mac OS9 / OS X;
·24 引脚 SSOP 封装。
参考应用电路图:

目前旧版DP108已停产,在DP108的基础上,原厂推出优化升级版DP108T。
两者都是免驱芯片,差异对比如下:
1、DP108T 不需要使用晶振(内部集成);
2、 DP108T 没有eeprom的外接接口,意味着PID和VID无法修改。使用C-MEDIA的软件,极有可能无法使用。解决的办法:破解C-MEDIA软件。 在初始化中植入PID和VID就可以了;
3、DP108T改用SSOP24封装,贴片相对比较简单;DP108T与DP108封装不同,但在实际产品PCB设计中,两者可替换,产品尺寸大小不变,且DP108T贴片更具成本优势。
主要应用领域:
头戴式耳机
USB声卡
USB网络电话
编辑:hfy