时间:2021-01-19 11:41
人气:
作者:admin
在嵌入式系统中,越来越需要提供高保真音频而不是蜂鸣器来实现用户反馈,包括报警和警报。虽然过去哔哔声或者鸣叫声很有效,但用户期望通过播放 MP3 等文件格式音频才能产生的高级声音。问题是,音频播放可能会让人紧张,并增加系统成本和复杂性。第一直觉是找到可以播放 MP3 的微控制器,但这往往会使物料清单 (BOM) 增加几美元并需要相当复杂的嵌入式软件。
音频编解码器就是一个特别能平衡额外成本和软件复杂性的解决方案。音频编解码器不仅能接受来自微控制器的音频数据流,往往还具有多种功能,使得开发人员可以对音频播放系统进行精心调校,提高系统播放音质。
本文将讨论音频编解码器的作用、开发者在选择时应考虑的主要特点以及如何有效使用。本文将以 AKM Semiconductor、Texas Instruments 和 Maxim Integrated 的解决方案为例进行介绍和说明,同时也会介绍其他厂商的解决方案。最后将介绍如何使用编解码器加速开发音频播放应用并降低系统成本的小窍门和小技巧。
什么是音频编解码器?
音频编解码器是一种硬件组件,能够对包含音频信息的数字数据流进行编码或解码 1。音频编解码器能够分担微控制器的音频处理任务,因此非常有用。这样可以大大降低软件复杂性,也可以在具体应用中采用成本较低、性能较低的微控制器。
典型的音频编解码器会包含几个功能块:
一个用于传输或接收经过编码处理的数字音频数据的 I2S 接口。
一个用于配置和读取音频编解码器的控制寄存器的 I2C 接口。
一个连接到模数转换器 (ADC) 的麦克风输入。
至少一个音频输出通道,如扬声器输出,但大多数还包括一个线路输出,也可能包括多个扬声器输出,用于立体声播放。
一个包含高通、低通、缺口和均衡器滤波器的数字功能块,用于调节音频播放和录音。
我们以 AKM Semiconductor 的 AK4637EN 24 位音频编解码器为例,这是一款凭借成本低、音频能力强大而颇受欢迎的音频编解码器(图 1)。AK4637EN 具有所有这些功能,还配有一个蜂鸣器输入,可以使用所需频率的脉宽调制 (PWM) 信号来产生蜂鸣。

开发者会发现,音频编解码器的主要区别在于提供输出单声道音频还是立体声音频,以及数字块功能。例如,AK4637EN 采用了一个高通滤波器、一个低通滤波器、一个四段均衡器、一个自动调平通道功能和一个单段均衡器。后者可作为陷波滤波器使用。开发者如何设置这些数字滤波器会极大地影响系统的声音。
刚接触音频播放的开发者有时会对音频编解码器感到恐惧。例如,虽然 AK4637EN 是一款简单的音频编解码器,但快速浏览规格书会发现它有 64 个可配置寄存器。乍一看好像很多,但这些寄存器大多是用来设置各种可用数字滤波器的滤波系数的。要想让系统正常输出音频,只需使用少量寄存器,这使得音频编解码器的驱动开发远比新手想象的简单。
如何选择音频编解码器
在产品开发过程中,选择任何器件的关键因素之一就是成本,音频编解码器也不例外。不过需要牢记的是,开发人员得到的东西物有所值,所以当涉及到音频时,团队必须在设计要求和解决方案的关键参数之间仔细权衡。
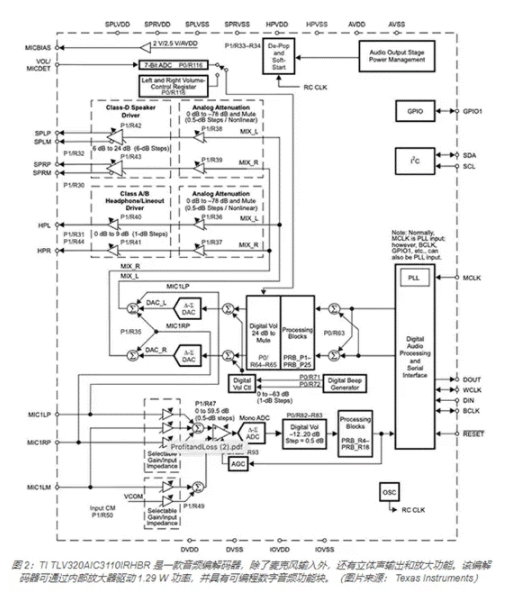
首先考虑的是音频编解码器的输出要求。有几种不同的选择。例如,AK4637EN 有一个线路输出和一个单声道扬声器输出。还有其他编解码器,比如 Texas Instruments 的 TLV320AIC3110IRHBR 立体声音频编解码器,可以 1.29 W 的功率驱动两个扬声器(图 2)。

如 Maxim Integrated MAX9867 等其他音频编解码器都设计成只驱动一对耳机(图 3)。MAX9867 具有典型的 I2S 和 I2C 数字接口,还包含立体声麦克风输入和两个数字化选择线路输入。
在这三种解决方案中,确定采用什么样的输出类型(甚至输入类型)是早期的关键决策。
开发者还需要考虑他们将驱动什么负载。音频编解码器将要直接驱动耳机、一个音箱还是一对音箱,并提供何种输出等级?如果系统要驱动一个 5 W 扬声器,那么没有多少嵌入式系统的编解码器能做到这一点。相反,开发人员可能希望选择线路输出,并使用单独的 D 类放大器直接驱动扬声器。这样既能节省一些成本,又能带来设计灵活性。
最后两个考虑因素是内部布线和数字滤波能力。这里是决定音频编解码器实现真正差异化和成本差异的地方。例如,TLV320AIC311IRHBR 具有去爆音和软启动功能,可以将扬声器的爆音降到最低,并使其平稳过渡到音频播放。该器件的每个输出通道还配备了一个内部混音器和数字音量控制器。
开发者应在音频编解码器需求、BOM 以及电路所需电路板空间之间进行仔细平衡。
音频播放系统
在使用音频编解码器时,务必考虑到除音频编解码器之外还有几个不同的功能块是成功播放音频所必需的。具体的功能块会根据应用和决定采取的播放方法略有不同,图 4 所示只是一个概括说明。

在这张图中有几点值得讨论一下。首先,需要有一些存储音频播放文件的方法。有两种选择,一是以内部方式存储文件,即存储在微控制器闪存中,二是存储在外部闪存中。如何选择取决于音频文件的大小,以及微控制器的内部闪存容量。
开发者还需要考虑采用什么样的音频播放格式。最常见的格式是 MP3。在这种情况下,所选的单片机需要有一个支持 MP3 解码的软件栈。这样就可以打开 MP3 文件,然后使用动态内存访问 (DMA) 控制器通过 I2S 接口将音频信号推送出去。即使是 I2S 端口也可以配置为主 / 从和其他几种模式,因此需要仔细检查,以确保数据以正确的速率传输到编解码器。
如前所述,根据应用确定需不需要外部音频放大器。典型的编解码器输出功率约为 1 - 1.5 W,这对驱动小型扬声器很有用。如果要驱动 3 W 或功率更高的扬声器,则需要使用外部放大器。同样,应用最广泛的是 D 类音频放大器。放大器也不一定需要具有可变增益。音频编解码器可以通过数字方式调节音量控制器,提供较宽的输出功率范围。
经常被忽视的一个方面是大容量电容器。当播放音频时,会严重拉动电源轨。如果电路板上的电容不足,会极大影响输出质量,并会出现一种类似鼻音的声音以及其他一些不必要的噪声。在测试过程中,可以通过仔细监控电源轨来检测这些声音。在 PC 板开发过程中,为了能调节输出电路而通过在电路板上预留更多的空间来尝试不同的电容值,是一个不错的想法。
选择和使用音频编解码器的小窍门和小技巧
音频编解码器可以极大地简化嵌入式软件,为应用提供良好的音质。如果开发人员之前没有使用过音频编解码器,那么音频编解码器可能会很棘手。为了成功地利用音频编解码器,研发团队应记住如下几个“小技巧和小窍门”:
在微控制器内使用直接内存访问控制器 (DMA) 功能,以最少的 CPU 干预来供给音频编解码器。这将有助于确保编解码器具有充足的数据来处理。
不播放音频时,请使用编解码器静音功能,以防止低电平输出噪音进入扬声器。
在禁用或启用播放时,请使用音频编解码器的软静音功能,以防止扬声器爆音和其他不必要的噪音。
编解码器初始化后,使用终端应用输出编解码器寄存器。当尝试调试问题或调节扬声器输出电路和箱体时,这一点特别有用。
充分利用编解码器中的内部数字滤波机制。通过数字滤波器,开发人员可实现均衡输出,过滤掉不需要的高频和低频信号,最大限度地提高音响系统音质。
请不要忘了,只有当电路板和扬声器安装在箱体内时,调音才是一项有用的工作,因为箱体和安装会造成巨大差异。
要想入门,开发人员可以使用 Maxim Integrated 的 MAX9867EVKIT+ 评估套件进行实验(图 5)。
该套件由电路板和相关软件组成,配置为使用 Sony/Philips 数字接口 (S/PDIF) 发送和接收音频数据,但也可以设置为使用 I2S。该套件有两个 RCA 输入插孔,两个 3.5 毫米 (mm) 模拟输出耳机插孔,以及光纤接收和发射模块。该软件兼容 Windows,通过 USB 电缆连接 PC 时会打开一个图形用户界面 (GUI),开发人员可在该界面中对 MAX9867 的设置进行实验(图 6)。

结论
嵌入式系统用户已经习惯了高质量音频,以至于现在已经不愿意使用蜂鸣器和蜂鸣声来代替报警、警报和其他用户音频反馈。这使得开发团队有责任在其系统中实现 MP3 播放功能。乍看起来这是一项复杂的工作。然而,通过在微控制器旁边使用正确的音频编解码器,并遵循一些设计最佳实践,开发人员就可以平衡与音频应用相关的成本和复杂性。
编辑:hfy