时间:2020-06-26 06:12
人气:
作者:admin
电工实习做了一个挺有趣的小音响,虽然音质不太好,但是其中的电路原理不由得让我十分感兴趣.特此做一个入门的研究。
从扬声器原理开始(磁式扬声器)
要了解扬声器,首先从我们最熟悉的耳膜开始讲起:
人耳的内侧有一层很薄的皮肤,我们称它为耳膜。当耳膜振动时,大脑将这种振动解释成为声音,此即为听觉。气 压的急剧变化是引起耳膜振动最常见的因素。物体在空气中振动时,会发出声音(声音也能通过液体和固体传播,但空气是我们听到扬声器发出的声音的传播媒介。当有物体振动时,它会使周围空气分子发生移动。这些空气分子又会挤压它们周围的空气分子,从而以传播扰动的方式在空气中传播振动。
麦克风的工作原理与人耳类似。它有一层振膜,周围的声波能引起振膜振动。 来自于麦克风的信号被编码为电子信号存储在磁带或CD上。当在立体声系统中回放这种信号时,放大器将其传送到扬声器上,从而又将其重新定义为机械振动。优 质扬声器产生的气压波同麦克风原来收集到的波完全一样。
那么扬声器如何完成【电信号~机械振动~声音】这个过程呢?
我们采取倒推回去的方法来讲
我们平时看到的音响喇叭一般长这样【图1】
外面这个光光亮亮的还有旁边一圈白色的我们叫:挠性振盆 or 振膜
1. 挠性振盆 or 振膜
what is 振膜?
挠性振盆通常由纸、塑料或金属制作而成,与悬挂架的宽端相连。
悬挂系统或环绕系统是挠性材料的边沿,它能使振盆活动,并且与称为篮的驱动器的金属框连接。(即最外围一圈的灰色物质,十分软)
振盆的窄端与音圈相连。(音圈是什么?看下面)
音圈通过三角架(一个挠性材料环)与篮相连。 三角架将音圈固定入位,但允许其来回地自由摆动。

【图2】暴力拆装第一层:确实是纸和塑料构成的振膜(最外面那层边界金属支架为悬挂架的宽端)

【图3】暴力拆装第二层,我们看到了振膜下面的结构

【图4】暴力拆装第三层,我们可以看到磁铁和音圈,其中音圈为缠绕的导线。(音圈与振盆于中间相连)

【图5】音圈特写(可在图中看到有两条细细的导线被引出来,这个与振膜上的两条导线相连进而连到外部导线(图4))
2. 音圈和磁体
(1)音圈:
音圈是一个基本的电磁体。电磁体是一个线圈,通常缠绕在磁性金属体上,例如:铁上。 电流流经线圈,在线圈的周围产生磁场,将线圈缠绕的金属体磁化。这个区域相当于永磁体周围的磁场:它有两个极性,一极是“北极”,另一极是“南极”,并且 能吸附含铁物体。与永磁体不同的是,它能改变电磁场的极性。改变电流方向,电磁场的北极和南极也会相应地改变。这就是立体声信号所要完成的任务——它不断地改变电流的流向。如果您曾经组装过音响系统,您就会明白每个扬声器有两根输出线,通常一根是黑线,另一根是红线。 实际上,放大器在不断地切换电子信号,并且在红线的正负电荷之间波动。因为电子始终在正、负电粒子之间以同一方向流动,所以,电流从扬声器出 来,沿一个方向流动然后转向,从另一方流出。这种交流电能引起电磁场的极性在一秒中之内能改变多次。
(2)磁体:
那么,这种波动是如何使扬声器的音圈来回移动的呢?

音圈可以插进去
(可以小幅度振动)
电磁场定位在永磁场产生的恒磁场中。两个磁体(电磁体和永磁体)象 任何两个磁体一样相互作用。电磁体的正极与永磁场的负极相吸,电磁体的负极与永磁场的负极相斥。当电磁体的极性切换时,其排斥和吸引的极性也随之改变。于 是,交流电不断地改变音圈和永磁体之间的磁力。这将推动音圈象活塞一样快速地来回运动。当流经音圈的电流改变方向时,音圈的极性也随之改变。这将改变音圈和永磁体之间的磁力,使音圈和其所连接的隔膜来回地运动。当音圈运动时,会推拉扬声器的振盆。这将促使扬声器前面的空气发生振动,产生声波。电子音频信号也可看作是一种波。 代表了原始声波的波的频率和振幅体现了音圈移动的速度和距离。反过来,这种速度和距离又决定了隔膜运动产生的声波的频率和振幅。不同的驱动器大小更好地适合于一定的频率范围。因此,扩音器通常在多驱动器之间分配了一个较大的频率范围。
3.总结
所以发声过程其实就是:当喇叭接收到由音源设备输出的电信号时,电流会通过喇叭上的线圈(音圈),并产生磁场反应。而通过线圈的电流是交变电流,它的正负极是不断变化的;正极和负极相遇会相互吸引,线圈受到喇叭上磁铁的吸引向后(箱体内)运动;正极和正极相遇则相互排斥,线圈向外(箱体外)运动。这一收一扩的节奏会产生声波和气流,并发出声音,它和我们讲话的喉咙振动是同样的效果。【音圈带动振膜】
那么,要什么形式的电信号,才可以驱动喇叭呢?
我们需要音频信号,但是此时的音频信号一般较弱,如果直接用供给的音频信号是绝对不够功率驱动喇叭发声的(或者很小很小声)。这个时候我们需要功率放大电路。
功率放大电路用分立元器件搭建一般没有厂家直接做好的芯片那么稳定,而且考虑成本,我们直接选用驱动芯片即可。此处我们使用ST公司的TDA2822M
一、TDA2822M芯片
1. 芯片介绍
TDA2822M是意法半导体(ST)开发的双通道单片功率放大集成电路,通常在袖珍式盒式放音机、收录机和多媒体有源音箱中作音频放大器。同时,TDA2822M静态电流小,交越失真也小,电源电压范围为1.8~15V,因此,在这个范围内均可工作。输出功率可以做得比较高。TDA2822M 具有电路简单、音质好、电压范围宽等特点。
2. 芯片实物图

3. 芯片引脚分布图

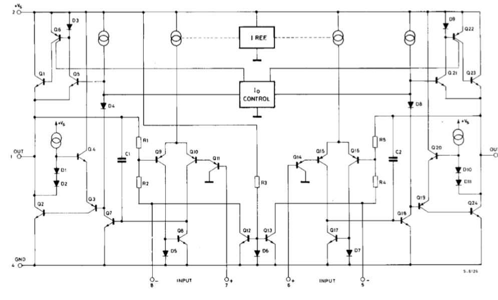
4. 芯片内部电路

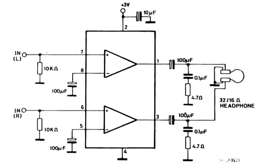
5. 厂家给出参考典型应用

由此图我们可以看到,这个芯片简单来说就是可以将两个微弱信号放大的电路(所以可以用于左右声道放大)
二、这时我们可以进一步进入下一个电路,下面这个电路形成了一个较完整的基本音响电路。
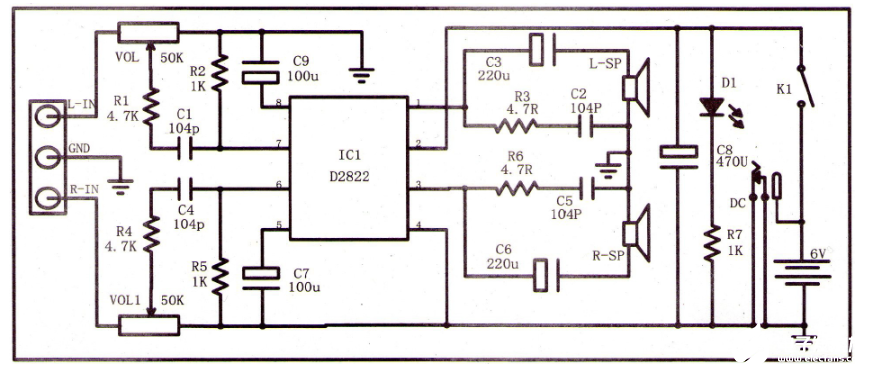
1. 电路图

2. 电路图解析:
(1)左边L-IN与R-IN为音频信号输入,输入线如下图:——信号输入

(分成三根线:一根GND线,一根左声道L-IN,一根右声道R-IN)
(2)音频信号输入到立体声盘式电位器的输入端(VOL)——音量控制电路

此旋钮其实是两个50KΩ的电位器
(3)2 路音频信号再分别经过经过R1 、C1 、R4 、C4 耦合到功率放大集成电路D2822 的输入端6 、7 脚
(4)经过IC1 ( D2822 )内部功率放大后由其1、3 脚输出经过放大后的音频信号以推动左、右两路扬声器工作。
(5)电路中的发光二极管LED 起电源通电指示作用。拨动开关K1 可以控制电源的开或关。直流电源插座DC 起电路可以外接电源的作用。
总结TIPS:
功放电路 TDA2822 是一片内部集成了双路音频功率放大器的集成电路,其工作电压范围是 1.8~15V,2 脚是电源输入端,4 脚是公共接地端,7、8、1 脚分别是其中一路放大器的正 向输入、反向输入、输出端,6、5、3 脚别是另一路放大器的正向输入、反向输入、输出端,芯片工作时两个输出端的电压约等于 1/2 电源电压.
C3、C6 作为输出电容隔开直流电 避免烧坏喇叭
C2、C5 是用来调整输出信号相移的,避免功放电路产生自激振荡而损坏
C7、C9 为反向输入端信号耦合电容
R1、R4为输入电阻,它决定了放大器的输入阻抗。
最终完成电路套件如图所示:
