时间:2020-03-04 11:16
人气:
作者:admin
随着社会进步、城市化快速发展,我们的生活环境也在逐渐变得复杂,所接触到的噪音污染也越来越大了。虽然我们使用的耳机产品越来越高档,但在室外使用普通耳机耳塞只能通过提高音量来盖过噪声,这样就不可避免地对我们的听力造成一定的损伤。针对这个问题,使用降噪耳机是比较好的选择,可以让消费者在飞机、火车、地铁等噪音比较大的环境中,较好地保护听力,同时也能安静地享受音乐带来的乐趣。
ANC主动降噪基本原理是通过Ref Mic(reference microphone)采集环境噪音噪声,通过降噪系统电路产生降噪MIC接收的外界环境噪音相等的反相信号,将噪声抵消(如图1所示)。

ANC主动降噪耳机的好处在于低频噪声的控制效果显著,减轻噪音对人体健康的影响。一般情况下,ANC主动降噪的有效频率在50Hz—2KHz之间。对于超过2KHz的噪音,降噪耳机可以通过耳机的结构设计与材料的选择,融合被动降噪的方法、耳机入耳式结构设计与耳帽采用隔音材料等,也可以起到很好的降噪效果。主动降噪只需专注于消除低频噪音,与被动降噪相辅相成。
ANC主动降噪耳机目前有模拟和数字两种主流方案,但在大规模生产时,模拟降噪方案需要调整外围的RC阻容器件作为滤波器反馈端的参数,而RC器件的精度导致最终耳机的降噪能力差异极大,且不良率很高。对于这个问题,技术型授权分销商Excelpoint世健公司的技术支持部副经理Jack Yao向我们介绍了ADI 数字主动降噪方案。他表示,面对消费级ANC耳机面临一致性、功耗、音质三重挑战,该方案都可以一并解决。

如图2所示ADAU1777框架结构图, ADAU1777具有快速高精度(高达768 kHz)采样处理路径,5μs analog-to-analog延迟,保证了DSP处理滤波器速度和精度;4个ADC模拟输入,可配置为麦克风或线路输入;同时,两路数字麦克风输入可作为选通输入。基于以上性能,ADAU1777已在国内外各大耳机ODM厂商都有成熟产品的应用和量产。
Jack还向我们介绍了ADI发布了新一代DSP产品 ADAU1787。这款产品针对主动降噪耳机的应用又做了进一步的性能优化和提升。

如图3所示 ADAU1787框架图,ADAU1787具有独特的双核设计,FastDSP 核做主动降噪滤波器处理,同时SigmaDSP核做EQ后处理,对降噪处理后损失的音乐中低频部分做补偿。
因为混合(hybrid)主动降噪解决方案需要四个主动降噪麦克风:其中两个用于前馈回路,两个用于反馈回路,再加上line in通道至少需要6个输入通道,ADAU1787提供4路ADC输入接口和4路数字麦克风输入,且这些输入口是并行输入,所以ADAU1787可以实现单芯片应用于混合(hybrid)降噪耳机。同时,ADAU1787还能提供2.3*2.8 mm的更小BGA封装,在1.8V供电功耗仅约为6-7mW,可以应用在功耗和芯片体积要求更严苛的TWS耳机。
主动降噪(ANC)耳机设计和调试
如何设计一款高性能主动降噪(ANC)耳机呢?Jack进一步介绍了主动降噪(ANC)耳机设计和调试步骤。
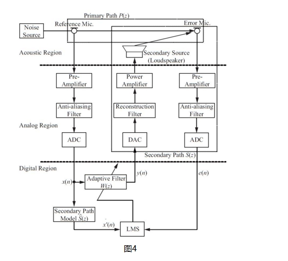
首先需要进行的是Matlab仿真模型搭建,如图4是ANC系统框架:

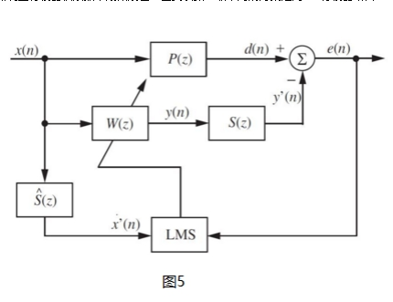
一共三层,用虚线分隔:最上面一层primary path是从Ref Mic到Error Mic的声学通道,响应函数用P(Z)来表示;中间一层是模拟通道,其中secondary path是adaptive filter输出到返回残差的通路,包括DAC、reconstruction filter、power amplifier、speaker播放、再采集、pre-amplifier、anti-aliasing filter、ADC;最下面一层是数字通路,其中adaptive filter不断调整滤波器权系数来削减残差,直到收敛。最常用的方案是用FIR滤波器结合LMS算法来实现自适应滤波器。简化图4,可以得到图5。

这里adaptive filter输出后经过S(z)和desire output比较后,可能会引起instability。一种有效的方法是FXLMS(Filtered-X LMS),也就让x(n)经过Sˆ(z)S^(z)再输入给LMS 模块, 使adaptive filter可以正常收敛。也就是说,自适应滤波器的权系数是由耳机的primary path和secondary path决定的。耳机的primary path和secondary path相对稳定,所以adaptive filter的权系数也相对稳定。用变步长LMS的adaptive filter,得仿真结果如图6,在0到2KHz范围内(图6)。

接着第二步,就需要一些设备对耳机的声学特性做检测,可选用的音频设备有Audio Precision、Soundcheck等。人耳模拟装置也是重要的一部分,如来自Head Acoustics、GRAS的IEC711。
人耳模拟装置可在量测耳机特性时,用于模拟人耳响应。这些人工耳集成了高度精确的麦克风,能测量到人戴耳机时真实听到的声音。另外还需要一个扬声器,用于测量耳机的被动衰减特性。耳机腔体声学指标的测试是ANC滤波器仿真设计非常重要的环节。
最后,需要在ADI Sigmastudio 图形化工具对Matlab仿真系数做相应滤波器参数的代入和调整(图7),而这部分调试需要和耳机声学曲线测试做反复验证。
总的来说,ANC降噪耳机市场潜力很大,而采用数字芯片来实现ANC降噪处理的耳机是未来发展方向,但从研发到量产这条路上还有很多挑战,包括了研发阶段的ID设计、传递函数测量、ANC滤波器仿真和调试,量产阶段的来料检验控制、成品产线自动增益调整系统等。目前,世健与有经验的IDH配合支持客户,可以缩短客户产品的研发周期。
如图8是IDH用ADAU1787在一款头戴式ANC耳机测试曲线。
最深降噪-40DB,在50-2khz平均-30DB以上降噪深度。
备注:文中关于Matlab仿真模型算法参考: Kuo S M, Morgan D. Active Noise Control Systems: Algorithms and DSP Implementations[M]。 John Wiley & Sons, Inc. 1996.