时间:2019-07-04 14:11
人气:
作者:admin
前置放大器是指置于信源与放大器级之间的电路或电子设备,是专为接受来自信源的微弱电压信号而设计的。

前置放大器在放大有用信号的同时也将噪声放大,低噪声前置放大器就是使电路的噪声系数达到最小值的前置放大器。
对于微弱信号检测仪器或设备,前置放大器是引入噪声的主要部件之一。
整个检测系统的噪声系数主要取决于前置放大器的噪声系数。仪器可检测的最小信号也主要取决于前置放大器的噪声。
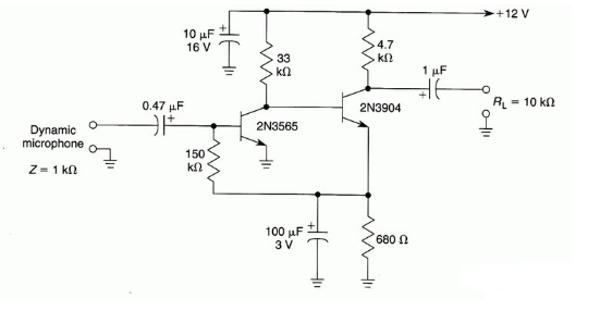
前置放大器一般都是直接与检测信号的传感器相连接,只有在放大器的最佳源电阻等于信号源输出电阻的情况下,才能使电路的噪声系数最小。
1.提高系统的信噪比(前放紧靠探测器,传输线短,分布电容Cs减小,提高了信噪比)
2.减少外界干扰的相对影响(信号经前放初步放大。)
3.合理布局,便于调节与使用(前放为非调节式,主放放大调节倍数、成形常数)
4.实现阻抗转换和匹配(前放设计为高输入阻抗,低输出阻抗)
1.电源电路图

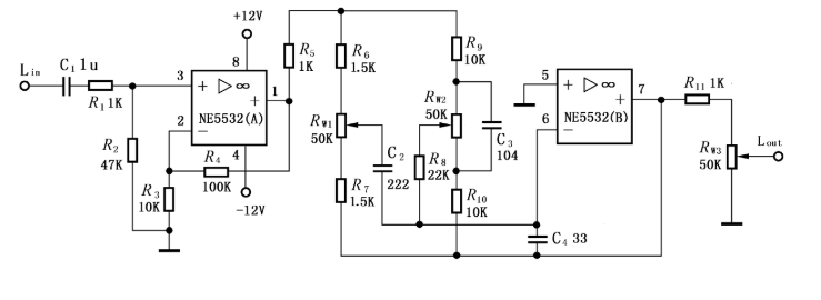
2.前置放大电路

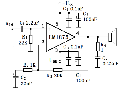
3.集成功放电路

前置放大器是各种音源设备(包括普通音源如CD机、调谐器、卡座、MP3播放器等,特殊音源如报警器以及各种话筒音源)和功率放大器之间的连接设备。因为如CD机、调谐器以及话筒等音源设备的输出信号电平都比较低,不能推动功率放大器正常工作,而前置放大器正是起到了信号放大的作用。音源信号在经过前置放大器的放大后,就可以直接送入功率放大器,使功率放大器能正常工作。此外,除了有信号放大作用外,前置放大器还有音质控制的作用,如通过其音调控制电路或等响控制电路,对信号的频率特性进行调节和控制,起到修饰和美化声音的作用,使功率放大器放出来的声音能满足聆听者的喜好要求。


校园智能广播系统实现的主要功能特点:
1、自动播放、定时播放、循环播放、遥控播放、立体声播放
2、定点播放、分组播放、分区播放、跨地域播放
3、多路节目同时播放,预排播放列表
4、播放容量大,播放多种文件格式
5、分区控制、寻址控制、电源控制
6、呼叫对讲、间频点播
上一篇:前置功放与纯后级功放
下一篇:功率放大器原理