时间:2019-05-31 14:15
人气:
作者:admin
音频通路1:Audio-》L2CAP-》ACL-》HCI-》Baseband,a2dp音频走这种方式;
音频通路2:Audio-》Voice-》SCO/eSCO-》HCI-》Baseband,hfp、hsp蓝牙通话走这种方式;
音频通路3:Audio-》Voice-》PCM-》Baseband,hfp、hsp蓝牙通话走这种方式;
蓝牙通话的方式有音频通路2、音频通路3,这两种方式表现在硬件连接的差异上,音频通路2方式,音频数据是走HCI接口发送给蓝牙基带的,而音频通路3方式是通过PCM接口直接把音频数据传送给基带。

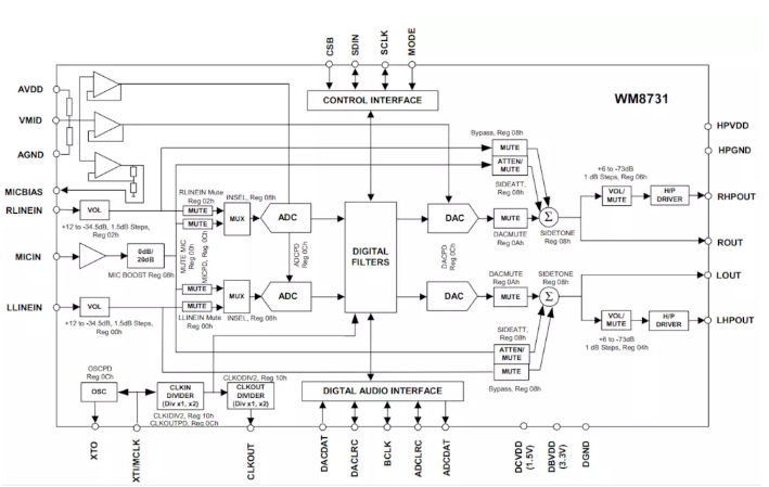
以WM8731为例分析
硬件总体框图

数据通道有:
MIC录音通道
MICIN--》ADC--》DIGITAL FILTERS--》DIGTAL AUDIO INTERFACE
MIC旁路输出通道
MICIN--》SIEATT--》RHPROUT/LHPOUT
MICIN--》SIEATT--》ROUT/LOUT
LINEIN录音通道
RLINEIN/LLINEIN--》ADC--》DIGITAL FILTERS--》DIGTAL AUDIO INTERFACE
LINEIN旁路输出通道
RLINEIN/LLINEIN--》BYPASS--》RHPROUT/LHPOUT
RLINEIN/LLINEIN--》BYPASS--》ROUT/LOUT
数字音频播放通道
DIGITAL AUDIO INTERFACE--》DIGITAL FILTERS--》DAC--》RHPROUT/LHPOUT
DIGITAL AUDIO INTERFACE--》DIGITAL FILTERS--》DAC--》ROUT/LOUT
最常用的录音和放音通路
MIC录音通路
MICIN--》MIC BOOST(Reg 08h)--》MUTE(Reg 00h)--》MUX--》ADC--》DIGITAL FILTERS--》DIGITAL AUDIO INTERFACE
其中,
MICIN用于外接麦克风
MIC BOOST(Reg 08h)-可以提高MIC输入的模拟信号增益。
MUTE(Reg 00h)可以设置静音,通过切断MIC到ADC的输入来实现。
MUX用于ADC选择是用LINEIN还是MICIN作为输入。
ADC用于把模拟信号转换成多bit过采样的数字信号。
DIGITAL FILTERS可以把多bit过采样的数字信号,转换成DIGITAL AUDIO INTERFACE需要的采样频率。
DIGITAL AUDIO INTERFACE用于把特定采样频率的数字信号输出给CPU。
数字音频播放通路
喇叭播放
DIGITAL AUDIO INTERFACE--》DIGITAL FILTERS--》DAC--》MUTE(Reg 0Ah)--》SIDETONE(Reg 08h)--》ROUT/LOUT
DIGITAL AUDIO INTERFACE用于输入CPU特定采样频率的数字信号。
DIGITAL FILTERS除了上面录音通路上的功能,还可以反过来把DIGITAL AUDIO INTERFACE特定采样频率的数字信号转换成多bit过采样的数字信号。
DAC用于把数字信号转换成模拟信号。
MUTE(Reg 0Ah)用于设置静音,通过切断DAC的输出。
SIDETONE(Reg 08h)用于选择是否对MIC和LINEIN的模拟信号进行混音。
ROUT/LOUT用于外接喇叭。
耳机播放
DIGITAL AUDIO INTERFACE--》DIGITAL FILTERS--》DAC--》MUTE(Reg 0Ah)--》SIDETONE(Reg 08h)--》VOL/MUTE(Reg 06h)--》H/P DRIVER--》RHPOUT/LHPOUT
与喇叭播放相比多了,
VOL/MUTE(Reg 06h)用于设置音量/静音。
H/P DRIVER用于维持耳机的驱动电流,避免静音或者待机时候产生噪音。
RHPOUT/LHPOUT用于接耳机的左右声道