关键词:
PT2258 , 多声道 , 音响
引言
随着居民收入的增加,消费者早已容易获得较好的、廉价的视频及音频信号源,如RADIO、TV、CD、VCD、DVD等,特别是VCD、DVD的普及,人们普遍把AV功放搬回家,逐步实现了家庭影院的声响效果。然而上述音频信号源都有各自独立的音响,声道也是独立控制的,使用时既繁琐,又不能让众多音频源共享AV功放优质的声响,减少了使用的乐趣。
在这种背景下,针对目前家庭众多音频信号源控制离散的问题,我们研制开发了基于PT2258的AV5.1音响控制系统,提供一种具有较高性价比、方便使用的红外遥控音频控制平台,将各种音频信号源选择输入至AV功放,统一控制。该控制系统已成功运用于深圳某音响企业,效果良好。
1 硬件电路构成
本设计以Microchip公司的PICl6C56为主控IC,系统硬件电路框图如图1所示。通过模拟开关选择音频信号源,输入至声道音量控制芯片PT2258中,由主控IC接收、分析键盘模块或红外遥控的数据,控制PT2258实现音量的升降、重音增减、静音开关等功能,最后输出至后续的AV功放。

2010-5-17 11:48:51 上传
下载附件 (9.2 KB)
1.1 声道控制PT2258
PT2258是普诚公司推出的CMOS工艺制造的声道音量控制IC。其工作电压范围宽(5~9 V),6声道设计(O~一79 dB),极低噪声(S/N>l00 dB),高分辨率(>100 dB),极少的外围电路以及与处理器方便连接的I2C控制总线,使其在汽车音响、电脑多媒体、AV环绕视听等方面具有广泛的应用,是AV多声道音响系统极佳的音量控制元件。PT2258外围电路连接如图2所示。

2010-5-17 11:48:51 上传
下载附件 (16.89 KB)
PT2258的前级INl~IN6接音源的6个声道(通过前级模拟开关的选择),后级0UTl~0UT6输出至左、中、右、左后、右后及超重低音6个有源音箱;第6、7引脚为I2C引脚,通过上拉电阻连接MCU的I/O口。MCU根据PT2258的I2C传输时序收发数据,既可对音量进行总体控制,也可对单个声道独立调节(例如BASS),最低每阶1 dB数字调音效果类似线性处理,也可编程实现每阶大于1 dB调节。这种人性化的软件设计对于高音、低音迅速切换至适中音量具有重要意义,并能快速实现静音(MUTE)。另外,芯片内置6声道转换器和副低频低通滤波器,可确保前级输入信号极低失真地输出到后级。
1.2 微控制器PICl6C56
PICl6C56作为Microchip公司最早推出的PICl6C5X系列中的一种,是一款高性能RISC结构的12位微控制器。它继承了 PICl6C5X系列单片机高速度、低价格、低功耗、低电压工作、抗干扰性好、易于开发使用等众多优点,在家用电器、仪表、工控方面表现突出而广受欢迎。 PICl6C56具有12个高驱动能力的I/0口,满足本系统设计的需求,同时略有余量,方便今后系统的扩展。
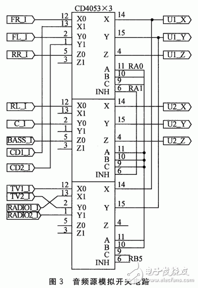
1.3 音频源模拟开关
此设计涉及4个音频源,VCD/DVD为6声道,其余为2声道,选用3个CD4053作为音频源模拟开关可将MCU控制I/O口节省至3个。CD4053 是三二通道控制模拟开关,有3个独立控制输入端和使能端,具有低导通阻抗和很低的截止漏电流,是较为理想的多路数字控制模拟开关,电路如图3所示。前6个输入信号(FR_I、FL_I、RR_I、RL_I、C_I、BASS_I)为VCD/DVD声道,其余为CD、TV、RADIO,各两个声道,用3个 MCU I/O组合控制进行音源输入信号的选择,如表1所列。

2010-5-17 11:48:51 上传
下载附件 (15.85 KB)

2010-5-17 11:48:50 上传
下载附件 (5.6 KB)