关键词:
Codec , 方案 , 立体声 , 数字 , 音频
ADI公司的SSM2603是低功耗、高质量立体声数字音频CODEC,用于便携式数字音频应用,具有一组立体声可编程增益放大器(PGA)线路输入和一个非立体声的麦克风输入。它具有两个24位模数转换器(ADC)通道和2个24位数模转换器(DAC)通道。 SSM2603可以作为一个主机或者是从动装置。它支持多个主时钟频率,包括用于USB设备的12MHz或者24MHz频率;标准的256fS或者 384fS基础速率,如12.288MHz和24.576MHz;以及很多常用的音频采样速率,如96kHz、88.2kHz、48kHz、 44.1kHz、32kHz、24kHz、22.05kHz、16kHz、12kHz、11.025kHz以及8kHz。SSM2603在模拟电路情况下可在最低1.8V的供电电源下运行,在数字电路情况下可在低至1.5V的供电电源下运行。SSM2603软件可编程立体声输出选项为用户提供多种应用可能性。它的音量控制功能能够对音频信号进行大范围的增益控制。SSM2603的工业应用温度范围为-40℃到+85℃。它采用28引脚、5mm×5mm引脚架构芯片级封装(LFCSP)。

2010-3-24 21:48:38 上传
下载附件 (20.91 KB)
图1 SSM2603功能方框图

2010-3-24 21:48:38 上传
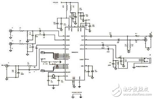
下载附件 (16.87 KB)
图2 SSM2603典型应用电路图
SSM2603 主要特性
• 立体声、24位模数和数模转换器
• DAC SNR:100dB(A加权),THD:在48kHz、3.3V时为-80dB
• ADC SNR:90dB(A加权),THD:在48kHz、3.3V时为-80dB
• 高效率耳机放大器
• 立体声线路输入和非立体声麦克风输入
• 低功率
- 7mW立体声回放(1.8V/1.5V电源)
- 14mW录音和回放(1.8V/1.5V电源)
• 低供电电源
- 模拟:1.8 V~3.6 V
- 数字内核:1.5 V~3.6 V
- 数字I/O:1.8 V~3.6 V
• 正常模式下具有256/384过采样速率;USB模式下250/272过采样速率
• 音频采样速率:8kHz、11.025kHz、12kHz、16kHz、22.05kHz、24kHz、32kHz、44.1kHz、 48kHz、88.2kHz和96kHz
• 28引脚、5mm×5mm LFCSP(QFN)封装
2010-3-24 21:48:38 上传
下载附件 (13.85 KB)
图3 SSM2603评估板顶外形图
SSM2603 应用
• 手机
• MP3播放器
• 便携式游戏机
• 便携式电子设备
• 益智玩具
SSM2603评估板
SSM2603评估板载有一个用于SSM2603的完整应用电路,通过USB连接到PC 主机上。作为电源、数字音频数据和控制/状态数据链接,使它成为一个能够在Microsoft Windows操作系统下通过软件实现通信的即插即用型音频设备。该评估版采用通用2.54mm引脚间距的连接器,连接到一个外部的DSP/MCU来获取数字音频信号。
SSM2603评估板主要特性
• 通过USB连接到主机PC上
• 外部连接到DSP/MCU来获取数字音频信号(通过通用2.54mm引脚、间距连接器)
• 4个音频插孔:立体声输入线路、单声道麦克风输入、立体声线路输出以及立体声耳机输出
• 在评估板上有多个测试点用于监控信号
• 主/从模式选择