时间:2019-03-02 07:26
人气:
作者:admin
关键词: DAC , 方案 , 高性能 , 立体声
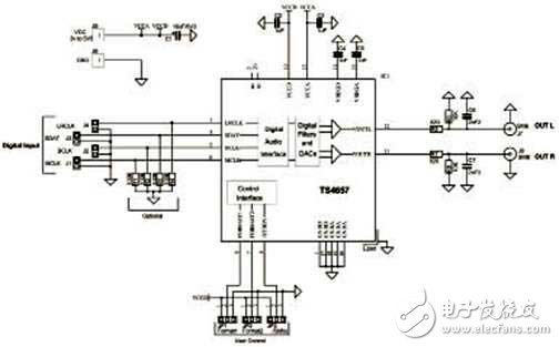
ST公司的TS4657是集成了高性能音频线路驱动器的立体声DAC,能够利用单个3.0V到5.5V的供电电源实现2.2Vrms的输出水平。对于电路的数字和模拟部分来说,单个电源已经足够,因此无需外部的稳压器。
2010-3-24 21:45:30 上传
TS4657是一个低功耗器件。在3.3V电源供电、完全运行的情况下,它的功耗只有22mW。器件采用一个16位的多位sigma delta DAC,运行在256xFs,带有超采样数字插补滤波器。可支持16位到24位长度的数字音频数据以及32kHz到48kHz的采样速率。
输出信号以地面为参考,提供内部自生成阴极电源,无需笨重的输出耦合电容器等外部组件。


2010-3-24 21:45:30 上传
下载附件 (13.89 KB)
2010-3-24 21:45:30 上传
下载附件 (12.31 KB)