时间:2018-08-13 08:44
人气:
作者:admin
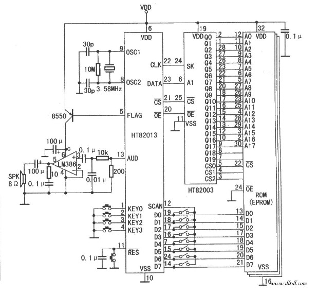
自适应脉冲编码调制方式是按照语音模拟信号变换率来改变数字量,即在脉冲编码调制方式中。相应改变其量化幅值。一般来讲.自适应脉冲编码调制方式合成语音的音质要比数字脉冲编码调制方式的好。这种语音合成方式主要采用外接存贮器组成长时间语音播报系统或其它产品的语音接l口。如图是HT83XXX系列典型应用电路。

HT82013具有20级二进制计数及3个选择输出端语音合成电路。采用24脚双列直插塑封。电源电压为3.5V~5V,工作电流2.8mA,静态电流5μA。HT82013为外接EPROM的语音合成电路,可外接3 X 8MB EPROM。语音长度最长可达1368秒。
下图所示为HT82013的应用电路图。
