时间:2018-07-09 09:30
人气:
作者:admin
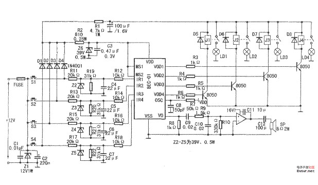
汽车专用语音电路LM-04YD固化了“倒车,请注意”、“左转弯,请注意”、“右转弯,请注意”、“刹车,请注意”等四句语音,可分别独立触发控制4段语音输出,同时提供4个输出口控制各LED闪灯。如图是LM-04YD引脚及其应用电路。


图中,四路触发电路相同,均由阻容降压、滤波、二极管稳压电路组成。R7和C8组成IC1内部振荡器的外部阻容元件。适当调整R7可改变振荡频率,达到调节语音发音速度的目的。4个输出端口VOD1、 VOD2、VOD3、VOD4分别外接晶体管VT1、VT2、VT3、VT4、直接驱动J1、 J2、J3、J4继电器。Jl-J4继电器的主触器为常开型,ZD1为倒车指示灯,ZD2为左转弯指示灯,ZD3为右转弯指示灯,ZD4为刹车指示灯。音频信号由IC1的VO端输出。经LM386放大后再推动扬声器。语音输出与对应指示灯同时闪亮,以加强提醒行人注意。