时间:2018-04-13 17:42
人气:
作者:admin
Cirrus公司的CS485xx DSP系列可提供高性能的后处理和数字音频混合。在PCM输入上提供的双时钟域允许不同采样频率的音频流的混合。低功率待机模式延长了电池寿命,使其适用于汽车音响系统等经常开启但并非必须进行音频处理的应用。
CS485xx系列产品包括三个器件,分别是CS48520、CS48540和CS48560,各器件之间的差异在可用的输入和输出数的不同。所有DSP支持双输入时钟控制和双音频处理路径,并都采用48引脚QFP封装。

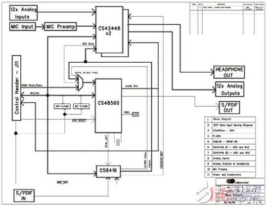
图1 CS48500系统框图

图2 CDB48500-USB评估板框图
CS485xx系列主要特性
低成本、高性能的32位DSP
- 300 000 000 MAC/s(每秒钟乘法累加)
- 每个时钟双MAC周期
- 72位加速器在工业应用中更为精确
- 24k×32 SRAM,2k程序块制定数据或程序
- 内部ROM包括多种可配置的音效增强指令集
- 8通道内部DMA
- 内部看门狗DSP锁定阻止
DSP工具箱w/个人密钥用于保护消费者IP
- 可配置的串行音频输入/输出
- 最大32位@192kHz
- 支持DSP芯片间的32位音频采样I/O
- TDM输入模式(同一条线上的多通道)
- 192kHz SPDIF发射器
- 多通道DSD直接比特流数字SACD输入
支持两种不同的输入Fs采样速率
- 输出可以时主模式或从模式
- 双处理路径能力
- 输入支持双域从时钟
- 硬件辅助时间采样应对采样速率变化
集成的始终管理器/PLL
- 可以从外部石英、外部振荡器启动
输入Fs音频检测
通过串行接口进行主机控制和引导
可配置的饿GPIO和外部中断输入
1.8V内核和3.3V I/O最大可接收5V输入
低功耗模式
- 在低功耗模式符合“能源之星”要求,待机功耗为268μW

图3 CDB48500-USB评估板连接图
CS485xx系列目标应用
数字电视
多媒体外设
iPod
车头元件
汽车外部放大器
HD-DVD&蓝光影碟DVD接收器
PC扬声器
CDB48500-USB评估板
每个CDB48500-USB评估板包括:
CDB48500开发板
电源:+9V、1.67A、100V~240V,带AC电源线
CDB USB主数字I/O卡
USB线
三板叠加用于确定CS48520、CS48540和CS48560的输出
CDB48500-USB评估板特性
利用DSP Composer图形用户界面对CS485XX进行PC控制
通过I2C或者SPI协议对CDB48500 上的音频设备进行串行控制
通过光学或共轴S/PDIF进行PCM的 数字音频输入(不支持压缩数据输入)
通过两个CS42448音频编解码器最多可实现12通道模拟音频输入
通过两个CS42448音频编解码器最多可实现12通道模拟音频输出
通过光S/PDIF实现PCm的数字音频输出
耳机输出插孔
通过CDB USB MASTER卡实现多通道数字音频输入(尚未支持)
单独的输入和输出时钟域可在CS485xx上进行1FS到2FS的音频处理
从4Mbits串行SPI闪存设备进行消费类应用的快速引导-主机控制主引导(HCMB)
麦克风输入,带有集成放大器用于智能房间校准(IRC)评估(未来)
支持所有CS485xx系列产品采用48引脚LQFP封装