时间:2017-12-15 17:15
人气:
作者:admin
智能垃圾桶是一种利用自动控制技术、物联网技术为基础,采用微电脑控制芯片、新型传感探测装置和机械传动装置等设备对于传统垃圾桶进行改造发展而来的新型智能家居生活用品。随着物联网技术的发展,各种智能化家居产品顺应市场需求大量出现。这些智能垃圾桶大都基于红外传感探测装置对于靠近的人员所释放的人体热释红外信号进行检测,通过垃圾桶所内置的微电脑控制芯片进行处理,操控机械传统装置,实现非接触式的垃圾桶只能开闭功能。但由于当今红外x热释传感器的传感距离有限,使得大部分垃圾桶的探测距离不足1m,这样的控制距离不能有效的隔绝垃圾桶中的有害病菌的传播途径。
本设计针对当今智能垃圾桶探测距离的不足,利用STC89C52单片机作为系统控制核心,采用由ICRoute公司生产的非特定语音识别芯片LD3320和非特定语音识别算法对于控制语音命令进行识别,实现对于垃圾桶的智能化语音识别控制,完成远距离非接触式智能开闭和系统运动的功能。同时利用超声波测距算法,实现对垃圾桶内部容量的智能提醒。
本设计主要由数据采集部分、机械驱动部分、主控芯片STC89C52、照明系统和工作状态显示屏几部分组成,系统结构如图1所示。

用麦克风采集声音信号,经过滤波、放大处理后送入LD3320非特定语音识别模块进行语音识别处理,处理结果通过串口送入主控芯片STC89C52中[4]。主控芯片通过对于接收自LD3320语音识别芯片的处理结果数据进行分析,对机械驱动部分的电机发出对应操作指令,完成相应的前进、后退、左转、右转、开盖、闭盖等动作,达到在1m距离外对垃圾桶进行语音识别控制的功能[5]。同时利用US-100超声波测距模块对垃圾桶内深度进行测量,主控芯片STC89C52利用中断定时原理,实现对于垃圾桶内容量的监控,并实时的将数据反应在工作状态显示屏上,完成对于垃圾桶容量的智能化管理,提醒用户适时更换清洁垃圾桶。采用光传感器,对于环境亮度进行探测,使得垃圾桶在夜间或低亮度环境下能够启用照明设施,方便用户使用。
3.1、LD3320非特定语音识别模块
LD3320作为一款基于非特定人语音识别(SI-ASR)技术的语音识别/声控芯片,集成了一系列与其功能相关的外部电路,包括ADC、DAC、麦克风剪口、声音输出接口等,使得LD3320能够在没有任何外接辅助Flash、RAM芯片的情况下直线语音识别/声控/人机对话等功能。且LD3320在工作时,无需进行预先的训练和录音,语音识别率准确率达到了95%,是一款优秀的非特定性语音识别芯片。
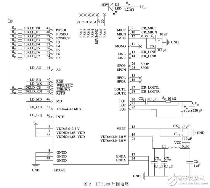
为了让LD3320芯片能够正常工作并且实现与上位单片机的通行,需要为LD3320芯片设计外围电路,电路设计如图2所示。其中红色LED用于指示LD3320芯片的工作状态,当LD3320正常工作时,红色LED将会闪亮。

3.2、电机驱动
本设计需要采用电机实现对于垃圾桶的密闭桶盖的自动开闭和整体设计的各个方向移动,为了能够让作为控制核心的STC89C52单片机能够更好的控制各个运动电机,故需要设计相关的电机驱动电路,本设计采用L289NH桥驱动芯片为核心设计电机驱动电路。
上一篇:常见视频编码格式与案例深度解析
下一篇:hdcp的详细解读