时间:2017-05-05 14:18
人气:
作者:admin
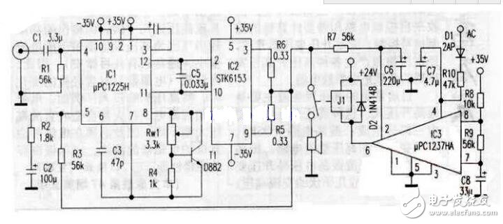
STK6153的内部前级采用了恒压源偏置,这样做可以较好地稳定输出级的工作状态,但STK6153④脚与①脚间的恒压偏置所能够提供的静态电流仅为10mA左右,无疑这在一定程度上导致功放出现严重的交越失真和高音发紧的现象。此外,STK6153芯片的末级电流输出面积比LM1875、TDA1514之类的集成功放大得多,故内阻更小,功率裕量也更大。但STK6153集电极开路的输出形式却增大了放大器的输出阻抗,使得上述优点无法得以体现。针对上述缺陷,我把STK6153的前级偏置放弃不用,后级改为发射极输出,同时用uPC1225H推动STK6153进行电流放大制作了一款优质低价的Hi-Fi功放,具体电路见图。
uPC1225H是NEC推出的50W音响驱动电路,芯片内部设置有完善的保护环节,外围电路虽然略微复杂了一些,但uPC1225H的输出电压偏差只有±5mV,极宽的功率频带与极高的转换速率使之比LM3886等集成功放的音色温暖,柔和且更加耐听。
电路图中的加速电容C5对功放的高频输出影响显著,容量不宜取得过大,最好采用CBB电容。T1选用任意低频中功率NPN管均可。Rw1是电路中唯一需要调节的元件,通过调整Rw1改变三极管T1的c、e极间电压就可以对功放末级输出管的偏压进行微调。业余条件下电路安装完毕经检查无误后接入假负载,在静态下用螺丝刀仔细调节Rw1使中点对地的输出电位最小即可。uPC1225H、STK6153的温升均比较高,需另加合适的散热片。
系统还设计了一组由uPC1237HA构成的扬声器保护电路。D1选用锗二极管,其阳极与变压器次级的任一交流输出端相连,继电器J1由LM7824提供的24V电压直接供电。
实践证明,STK6153与uPC1225H搭配使用兼顾了两者的优点,不仅保留了较好的低频力度和F潜深度,而功放的弹性、高频解析力均比用STK6153+STK3048A制成的功放有了明显改善。

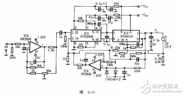
STK3048和STK6153系日本三洋公司厚膜功放集成电路。STK3048是前级电压放大集成电路;STK6153是后级电流放大集成电路。
STK3048为15脚双声道单列式厚膜封装,其外露散热器与(8)脚相连,但与内电路绝缘。(8)脚接地后对内电路有一定屏蔽作用。该厚膜块工作时不必再另装散热器。
STK3048内部共有两级,输入级带保护的差分放大器,差分管基极的两只二极管起保护作用。其集电极的阻容串联相位补偿网络可防止输入级因突发信号产生瞬态失真。在两集电极间连接有一组镜像电流源。此电路接人的目的是将右输入管电流线性地倒相与左输入管构成两个相减的电流源,对后级实施电流激励。主电压放大级为一共基共射电路,上管对信号进行宽带放大,并为输入、输出级间的直耦提供阻抗匹配;下管线性地输出上管的放大电流旨在降低该级的开环失真,并对后级提供较大的激励功率。该两级放大管均辅以恒流源作负载,对电源纹波抑制力较强。
STK6153为10脚单声道单列式厚膜封装(双声道需两块),内电路已与外露散热器电气绝缘。STK6153内部集成了恒压源偏置、未前级推动和未级复合电流放大电路。采用全互补对称结构,具有高速率、高精度、大功率、低噪声等优良特性。由于恒压源偏置的内置,未级大功率管始终处于最佳工作状态,具有极佳的温度补偿作用。该厚膜块的互补输出学设计成倒置式达林顿复合电路,以集电极开路的形式输出,可降低输出阻抗。
由STK3048和STK6153组成的功放电路如图3-41所示(电源、保护电路略),虚线框内分别为前后级IC实物剖析出的内部电路。前级小电容可选用德国产WIMA或ERO优质电容,电源滤波用大电解选用日产Marcon NIPPON、CHEMICON Nitsuko、Rubycon品牌的电容为最佳,每只大电解并联一只WIMA0.1uF~0.33uF的小电容以改善频率特性。电路不用调试即可正常工作,在总体听音感觉上,全音域范围内的各频段显得非常平衡,动态大、频响宽、失真低、瞬态响应快、音质纯净有力,且噪音特别小。电路正弦功率;2X100W、失真。

STK3048和STK6153内部电路较为简单,其音质甚佳。但外围线路的设计和外围元件的选用对IC音质影响较大,故本功放采用如图3-42所示的电路。

1.采用Gm控制音量,进入音量电位器接在IC3(NE5532)的增益控制点上,改变其负反馈深度以改变音量大小。STK3048工作在最佳稳定状态。调节音量时几乎没有滑动噪音。更重要的是小音量放音时动态范围仍不变,大音量时音乐细节表现得淋漓尽致,毫无拖泥带水之感。
2.采用恒流负反馈电路,线性电阻R和R‘变放大器恒压方式为恒流方式来驱动负载,使功放的瞬态特性得以改善,增强低音的力度和高音的清晰度。
3.取消环路负反馈电容,IC4(NE5532)及外围元件构成输出中点零位伺服电路。用来伺服STK3048的②、(14)脚,对取消反馈电容后而造成STK6153输出端直流电位的漂移,提高放大器的高、低频解析力。
该放大器主观听音评价:高音纤细清晰,中音明亮透彻,低音丰满强劲,音域层次分明,谐波失真小,噪音低,动态范围极宽。 由于该电路输出功率较大,应注意使用的电源要有足够的容量,STK6153散热器不宜太小。运放IC采用独立的有源伺服电源供电。另外,放大器务必装上扬声器保护电路