时间:2015-03-10 10:49
人气:
作者:admin
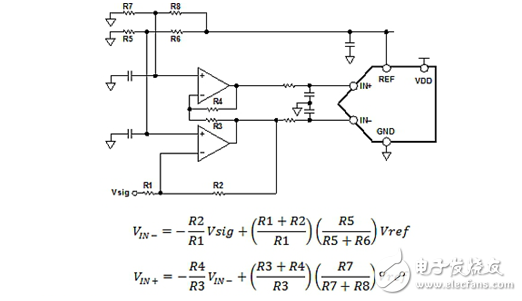
提供衰减/增益和电平转换的单端转差分(+/-5/10 V输入)。这是一款常用配置,可用来扩展输入范围,尤其是+/-10V工业IO。 放大器可采用电压较低的单电源,因为输入共模电压由R5/R6和R7/R8固定。 在此配置中,R7=R8且R3=R4。 R1/R2和R5/R6可根据输入范围和电平转换要求进行设置。 其典型比率如下表所示,但可灵活匹配各种输入范围。 使用AD7984的示例可参见CN0033。

采用FDA方法实现单端转差分
用这种方法实现的单端转差分具有最低的噪声,适合单电源类应用,可耐受阻性输入。 有关采用FDA的设计详情可参见应用笔记AN-1026:高速差分ADC驱动器设计考虑因素。 就噪声性能而言,似乎显然应该采用这种方法;然而,有些时候可能并不存在合适的FDA,而使用双放大器的定制电路可能更为合适。 就单个放大器而言,可选产品种类要多得多。 示例可参见CN0040/CN0105。

差分至差分驱动
如果输入信号是差分的,那么万一所选FDA受到限制,则使用双放大器可增加产品选择数量。 若输入同时也是全差分的,则相比任意双放大器选项,FDA可能具有更低的输出噪声和功耗;但是,在有源滤波器应用中,双放大器可能更为稳定,并因为更广泛的分类产品而获得更多的灵活性(FET输入、超精度、RRIO等)。