时间:2015-03-23 14:00
人气:
作者:admin
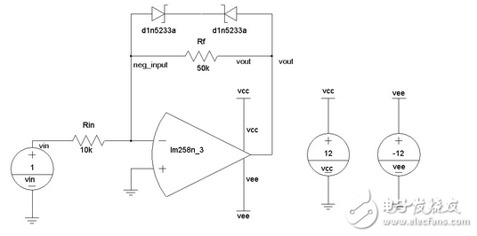
信号调理中运算放大器在电路设计中很常用,在Saber软件中提供了8个运放模板和大量的运放器件模型,因此利用Saber软件可以很方便的完成各种运方电路的仿真验证工作。如下图所示的由lm258构成的反向放大器电路, 其放大倍数是5,稳压二极管1N5233用于钳位输出电压。

对该电路执行的DT分析,扫描输入电压从-2V-》 2V , 步长为0.1V, 仿真结果如下图所示:

从仿真结果可以看出,当输入电压超出一定范围时, 输出电压被钳位。 输出上限时6.5V, 下限是-6.5V. 电路的放大倍数A=-5.
注意:
1. lm258n_3 是Saber中模型的名字, _3代表了该模型是基于第三级运算放大器模板建立的。
2. Saber软件中二极管器件级模型的名字头上都带字母d, 所以d1n5233a代表1n5233的模型.