时间:2014-07-31 14:40
人气:
作者:admin
在移动市场,音频保真度和功能不断推动创新,满足听音乐、看电影或打电话需求。因此,半导体供应商一直面临挑战,需要创造音频解决方案来满足音频端口和耳机的这些要求。本文将介绍一些新的解决方案,包括减少各种类型的咔嚓声和爆音并满足耳机的不同世界标准。
过去几年,Bose、Sennheiser、Ultimate Ears、Monster和Harman Kardon等耳机制造商已与各大智能手机制造商(包括HTC、三星和苹果)结成联盟,屡推新品。产品多样化已将过去的基本耳机扩展为可帮助智能手机实现接听电话、增加/减小音量、播放/暂停功能和麦克风功能的耳机。
下一代耳机现在包括可通过噪声降低和消除等特性提高音频保真度的有源驱动装置。智能手机制造商必须确保顺畅自如的客户体验,允许各家供应商出品的不同耳机用于每台设备。为满足这一客户需求,制造商与半导体供应商携手合作,帮助应用这些耳机附件。
另一具挑战性的方面是,不同的智能手机型号可能有完全不同的音频编解码器解决方案。例如,如果拆卸Samsung Galaxy SII GT-i9100智能手机的iSuppli和iFixit,您会发现一种类型的音频编解码器,而在Samsung Galaxy S III中,您又会发现另一种音频编解码器。这两种音频编解码器的特性各异,包括降噪、参数化均衡和集成耳机电容等。尽管这些是不同的音频编解码器设备,但其必须适用于所有之前的耳机,且性能“相对”相同。因此,许多智能手机制造商必须采用补充音频插孔检测设备,允许使用音频附件并保持相同的性能。
从3.5mm音频插孔和所附耳机的角度进一步分析该问题,显然,用户需要将非原配耳机或OEM耳机插入移动设备。此时,由于正在插入耳机,耳机插头的左侧或右侧接口上不能有任何信号瞬变。这会产生可听的咔嚓声和爆音,也称为插入式咔嚓声和爆音。一旦连接耳机,在应用合适的音频和控制信号之前,手机必须执行耳机检测过程。检测包括验证3极或4极耳机、有源或无源耳机以及GND和MIC插头极性。在此特定检测阶段,不能有任何有声咔嚓声或爆音。确定插头后,将通知音频编解码器或基带,然后可向耳机应用音频和控制信号。在工作模式下,检测模式不能降低音频保真度。
插头插入和拔除
插入或拔除音频插头时,在两个音频放大器有效时由于存在MIC偏置可能导致爆音或咔嚓声。这通常是由于不正确的隔离计时或偏置门控导致。插入或拔除插头时,端子刮过这些偏置,从而产生爆音和咔嚓声。实施更先进的插孔检测电路可解决这两个问题。传统插孔检测电路在具有上拉电阻的插孔中使用N/O(常开)或N/C(常闭)机制开关到基带GPIO(通用输入输出)。例如,采用未插入插头的N/O机制开关,逻辑电平为高电平;而当插入插头时,接地路径连接到上拉电阻,从而产生低逻辑电平。 为对此电路进行去抖,使用并联电容创建RC(电阻电容)电路。
通常,此RC去抖时间约为500ms,而这正在问题所在。设定的去抖时间不为缓慢插头插入提供灵活性,并且插头的去除去抖时间与插入计时相同。通常实施更先进的检测电路,如飞兆的FSA8008音频插孔检测和配置开关,可解决这些问题。此器件在插孔的机械开关和其他逻辑中使用0.5μA上拉电流源以解决这些问题。在插入插头的过程中,器件实施去抖逻辑,如果任何时候插孔检测逻辑由于缓慢或部分插入而造成干扰,将重置去抖时间(见图1)。在激活MIC偏压和放大器之前,这可确保插头完全插入。

图1 在由于缓慢/部分插头插入造成干扰时插孔检测重置去抖
而且,FSA8008使用开关隔离MIC偏压,确保插孔上没有MIC电势直至完全插入插头。插头拔除时间与插入计时一样重要。在这种情况下,拔除计时必须比插入时间快很多。 通过确定插孔的基准特性,可确定所需的正确计时。例如,在拔除插头时,正确的插头端子可连接到插孔的GND端子之前,我们确定一个插扎的特性所需的时间小于100us。
对于额外容限,FSA8008实施30μs的拔除时间,使器件适用于许多插孔类型。拔下插头时,插孔检测触发并且器件快速打开MIC开关,隔离MIC偏压并与基带通信以禁用音频放大器。通过实施更先进的插孔检测和门控或隔离,适时的MIC偏压和音频放大器可消除插头插入和拔下产生的爆音和咔嚓声。
开放移动终端平台(OMPTP)与 蜂窝电话产业协会(CTIA)音频插头标准

图2 交叉开关缓慢导通时间解决了咔嚓声和爆音
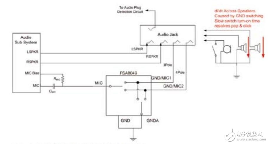
当今耳机的一个主要趋势是在OMTP(开放移动终端平台)和CT IA(蜂窝电话产业协会)插头标准之间的选择。这两个标准切换了第三个和第四个终端。为允许移动设备采用任一标准操作,像飞兆的FSA8049器件等交叉开关在插孔的M I C和G N D端子间路由是必需的。如果未实施缓慢导通时间,此解决方案可能导致爆音和咔嚓声。在端子间切换时,如果音频放大器仍处于激活状态并且接地,放大器将产生电流尖峰,从而使扬声器发出咔嚓声和爆音。通过在开关中实施缓慢导通时间,或使用具有可调导通时间的FSA8049交叉开关,扬声器上的d i/d t可能显着降低,从而消除爆音和咔嚓声。当音频插孔由两个不同的源驱动时,可使用任何音频插孔。激活开关并且从源A切换至源B时,如果信号不符,瞬变将导致有声咔嚓声和爆音。有方法可解决这种情况, 一种是在转换前允许信号匹配的专有SignalWise TM技术。在图2中,我们可以再次看到源A和B,但这次转换是在其相等的情况下发生的,这就不会有瞬变导致咔嚓声和爆音。
结论
随着耳机制造商继续将其产品推向全球,我们会不断看到3.5m m插孔增加其他特性。插孔必须识别并适应所有不同标准的市售附件以便提供一致的用户体验。半导体供应商创建了多种解决方案来处理咔嚓声和爆音等问题,以保持音频保真度。