本文针对LCD点阵书写显示屏进行详细介绍,从
硬件原理图到所应用到的
芯片和电路。
LED显示屏的设计硬件主要由STC89C58
单片机最小系统、32×32的双色点阵显示阵列、光笔、按键、液晶显示屏等组成。双色点阵中的红色LED始终工作在微亮的扫描状态,STC89C58单片机利用自制的光笔中红外
光电三极管
检测光笔触及位置处红色LED灯的点亮,计算出光笔位置的行列坐标,并根据按键设置的不同工作模式控制LED显示,从而实现点亮、划亮、反显、清屏、笔画拖动、轮流显示等功能。显示屏能根据环境光强自动调节显示屏的显示亮度,当在设定时间内光笔未接触显示屏或按键未按下时关闭所有显示,并使系统进入休眠状态,减少电能消耗,当有按键按下时系统恢复运行。
关键词:STC89C58;LED双色点阵;
红外光电三板管光笔
0 引言
近年来,点阵LED显示屏利用发光
二极管构成的点阵模块或像素单元组成可变面积的显示屏幕,以可靠性高、使用寿命长、环境适应能力强、性能价格比高、使用成本低等特点,已成为众多显示媒体以及户外作业显示的
电子工具,广泛地应用于车站、宾馆、金融、证券、邮电、体育等广告发布或交通运输等行业。目前LED显示屏的设计已经有多种方法可以实现,本设计是基于STC89C58单片机利用自制的光笔中红外光电三极管检测光笔触及位置处红色LED灯的点亮,计算出光笔位置的行列坐标,并根据按键设置的不同工作模式控制LED显示,从而实现点亮、划亮、反显、清屏、笔画拖动、轮流显示等功能。
1 系统设计方案
用双色LED点阵(红色和绿色)模块组合成32×32的LED点阵屏。其中红色LED作微亮扫描检测用,绿色LED作显示用,用红外光电三极管自制光笔。在检测时依次点亮红色LED,当点亮到某个LED时,如果此时光笔放在该LED时,这时红外光电三极管的阻值会发生变化,通过相应的检测电路可以得出一个高低电平的变化,单片机检测到
信号变化时就可以判断光笔的当前位置。
该方案简单易行,对光笔位置判断的灵敏度较高,抗外界干扰能力强。采用双色点阵和红外光电三极管能够有效地减少环境可见光和显示LED(绿色)所发的光线对光笔中光电三极管的干扰。
2 系统结构及单元模块设计
2.1 系统总体框图
系统主要由
微处理器STC89C58,32×32双色LED点阵显示、光笔及检测电路、外界光照强度检测电路、按键输入电路、液晶显示模块等几个部分组成。系统硬件结构框图如图1所示。

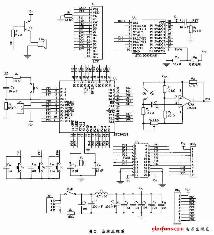
单片机STC89C58片内有1 KB的片外RAM,能够满足保存四屏显示信息要求,该单片机性价比很高。系统原理图如图2所示。

2.2 光笔及检测电路
用红外光电三极管自制光笔,光笔检测电路如图3所示。图中Q2是用红外光电三极管,用来完成对32×32点阵红色LED灯点亮或熄灭的检测;R6,RP1用于对Q2进行限流,另外还可以调节RP1来提高或减小输出的电压值;R7,R8是用于给U3A(
比较器)的同相端提供基准电压值,通过它跟采集信息输出来的电压值进行比较(U2>U3,U1=Umin),R12是U3A的输出上拉
电阻。
工作原理如下:当红光照到红外光电三极管上时,红外光电三极管的电阻变小,其射极电压升高,此时2脚电压比3脚电压高,比较器1端输出为低电平。当
电容C11充电一段时间之后,比较器2脚电压比3脚电压低,比较器1端输出为高电平。由此,当检测到光信号时,该电路将产生一个脉冲信号。由于在电路中加了
耦合电容,可有效地防止环境对光笔的影响。

在本系统中,光笔是一个非常重要的一个环节,为了更好的稳定工作,必须添加适当的抗干扰措施。在信号传输方面采用屏蔽软同轴铜线,在红外光电三极管外围套加黑色热缩管,红外光电三极管比单个LED灯的直径小,以确保少受外界红外线的干扰。
2.3 LED双色点阵显示与驱动电路
LED双色(红、绿)点阵的型号有很多,其中最为常用的有4×4,8×8,16×16式模块,本设计需要一个32×32的双色显示,其显示亮度、体积由设计者自行定义。考虑到采购的因素,选择由16块8×8双色点阵模块组成32×32点阵显示屏,利用由74HC154和74HC595芯片来驱动显示,由串行口工作在模式0(速度快)将显示信息快速送入74HC595。
LED是一个非线性元器件,当它两端的电压达到一定的值后,通过它本身的电流会急剧上升。考虑32×32点阵式由1 024个发光二极管组成,当它们同时点亮时的电流很大,必须考虑电源供电能力。一般LED的电流值为5~20 mA,取最大值20 mA,同时点亮两行,有:I=20×64= 1 280mA。
2.4 外界光照检测电路
外界光照检测电路如图4所示。电路采用光敏电阻RP串联一个固定电阻R9,将光照变化转换为电压变化,此电压信号通过芯片AD833进行模数转换(A/D)后,由5脚送入单片机处理,以控制亮度的调节。

根据分压原理,有:

可见选择不同的R9的阻值可改变Vin的大小,使输入信号在合适的范围之内。光敏电阻RP随光照变化的阻值变化为3~4 kΩ,由上式可计算出R9为3~4 kΩ,取R9=4 kΩ。
2.5 超时低功耗设计
超时低功耗设计通过软件实现,利用按键设定时间常数,当在设定时间内光笔未接触显示屏或按键未按下时关闭所有显示,使系统进入休眠状态,减少电能消耗,当有按键按下时系统恢复运行。