时间:2011-09-16 13:46
人气:
作者:admin
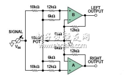
图1所示为一个音频Panpot电路,通过在左右立体声声道之间连续改变单声道音频信号的位置来响应电位器的设置。低成本和低失真是音频电路的重要考虑因素。双通道低失真差动放大器AD82731利用内部增益设置电阻确保两个通道匹配出色。它无需外部器件,每个通道均配置为两个高性能放大器,增益为3。在音频范围内,总谐波失真小于0.0007%。
虽然可以采用分立方式构建此电路,但将放大器和电阻集成在一个芯片上可以为电路板设计人员带来许多好处,如性能规格更佳、PCB面积更小和生产成本更低等。

图1. 音频Panpot放大器
本电路中,信号通过10 kΩ串联电阻在两个放大器之间分配。两个同相输入端之间插入一个游标接地的电位计。电位计和10 kΩ电阻的组合构成一个轻负载,很容易被大多数信号源驱动。放大器的增益配置为3。当电位计游标位于任一端时,一个输入端接地,因此不会有信号传送至对应的输出端。另一输入端的电压为VIN/2,因此其输出为1.5 × VIN。当游标位于中间位置时,两个放大器的输入均为VIN/3,因而各放大器的输出为VIN。这样,通过移动游标(以机械方式或电子方式),一个通道上的信号电平从0连续变化到1.5 × VIN,另一个通道上的信号电平则从1.5 × VIN连续变化到0。对听者而言,声源似乎是在声级之间从一个声道移动到另一个声道。因此,声像或声音的视在源可以位于左右扬声器之间的任意位置。

图2. 总谐波失真及噪声与频率的关系
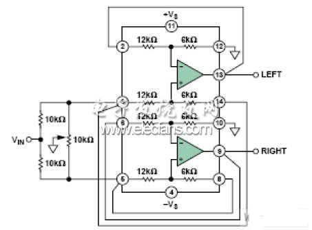
图2显示整个音频范围内的总谐波失真及噪声。误差随频率提高而变大,但20 kHz时总误差仍然小于0.0007%。图3给出了该IC的连接图。

上一篇:基于T-DMB的手机电视开发要点