时间:2010-12-27 11:21
人气:
作者:admin
这台轿车的音响系统只有收音机和磁带放音机两种功能,能不能用现有的音响系统播放MP3音乐呢?笔者对这台汽车音响电路研究了一番,发现它的功能调节是用总线控制的。信号选择IC的型号是TDA7313,如中图所示。左声道信号通过(13)、(14)、(15)脚,右声道通过(9)、(10)、(11)脚输入集成电路进行切换。收音机信号是通过(11)、(15)脚,磁带放音机是通过(10)、(14)脚输入的。虽然还剩下两个输入端没有使用。但是该电路是用总线控制的,改动软件是不可能了。只有想办法改动硬件。经过分析。改动收音机部分比较容易。 首先把中图中Cl、C6焊下,焊到上图C6、C7位置上。信号端子CN的(1)脚和(5)脚用屏蔽线连接到中图原Cl、C2位置的负极上,(3)脚和(4)脚分别接到中图原C1、C2位置的正极上,(2)脚和(6)脚加接一个信号输入插座,作为MP3音源输入。信号输入插座和信号切换键AN分别装到音响控制面板的合适位置上。上图中的+KV电源用引线接到TDA7313的(2)脚,+12V接到音响系统的输入电源上。改动的线路如下图所示。为了保证音频信号不失真,这里用小型继电器来切换信号,经过笔者的设计和不断改进,最终形成如图所示电路。



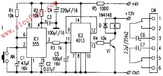
开关电路由ICl(NE555)和IC2(CD4013)两个集成电路组成,ICl及外围元件组成单稳态触发器,IC2及外围元件组成双稳态电路。控制原理介绍如下:在音响系统电源接通时,+KV端输入5V电源,C1两端电压不能突变。ICl输出高电平。
使IC2翻转,VT导通,继电器吸合,信号切换至信号输入插座,这是我们所不允许的。于是就在ICl的(4)脚接上R2和IC3,组成开机复位电路。使复位时间Tl大于Cl的充电时间TO。另外在IC2的(11)脚对负极接一个电容,这样就确保了控制的准确性,开机时还是改动以前的状态。用MP3作为音源输入,插好MP3后,按一下轻触键。AN,ICl的(2)脚电压为0,低于1/3VCC,(3)脚输出高电平,IC2翻转输出高电平,VT导通,继电器K吸合,触点切换至信号输入插座,这时就可以享受MP3音乐了。在松开按键AN后电源通过R1向Cl充电,电压高于2/3Vcc时输出低电平,等待下次按键。当我们想转听收音机时,只需再按一下AN,ICl又输出高电平,IC2又翻转输出低电平。继电器K失电,常闭触点闭合,收音机信号通道便接通了。
下一篇:车用有源低音炮电路图