时间:2010-12-28 12:33
人气:
作者:admin
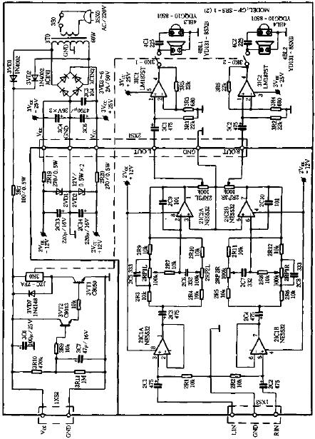
SRS(即SOUND RETRIEVAL SYSTEN,是声音还原系统的英文简称)是美国SRS实验室的最新音响技术专利,它是采用仿生学的耳廓效应原理开发成功的一种全新的3D立体声放音技术。其最大的特点是:音源不需预先编码,即使常规的单声道或者立体声信号,经SRS处理后,只需两只音箱放音,即可获得音响心理学的佳化信号,再现出真实空间感的三给立体环绕声场:SRS环绕声技术是把音场信号经过电路改造后播出,从听觉上感到声音像是在空间中产生,而不再是单从音箱中发出,重放的音场更加广阔、纵深感、现场感加强,最佳聆听位置不再局限于“皇帝位”。使充满的音场空间都可听到同样优美的效果。
SRS有源防磁音箱是以防磁设计为基础,将SRS专业处理电路以及符合高保真要求的间调电路。功率放大电路和发烧级扬声器系统组合为一体而成的。因整个系统的集成度较高,使其与VCD机或家庭电脑的连接简单到只需一条信号线即可,而其良好的防磁设计,使其与电视机或家庭电脑的显示器配合实现视听合一,显得十分方便。
系统特性:

电路原理:



元器件选择与制作:

上一篇:一款HI-FI有源一体化音箱
下一篇:适用于多媒体电脑的功放及音箱