时间:2010-10-27 17:03
人气:
作者:admin
小功放(其实体积并不小)采用电子管3A5作前级电压放大,推动6P14作功率输出。6P14论音质是大多数功率管无法比拟的,唯输出功率稍小。由于同类管的参数相差较大,使用时应予配对。图1中所用每个元器件的选用均经笔者严格试音和反复调校,不宜轻易改动,否则可能影响音质。电源变压器和输出变压器选用广西玉林“宝尔真”牌的产品。电源变压器型号为80WB型,输出变压器为6.5瓦,购时最好能测试配对。滤波电解电容器为菲利浦蓝六角电解电容,容量1OOμF至220μF。油浸电容器为美国罐装油浸电容,容量在20μF左右,前级稍小为8μF。CBB电容器为美国APC或EC薄膜电容,电阻器为美国DALE军工电阻或国产红色金属膜电阻。本放大器电路并不复杂,施加的负反馈亦较浅,在电源电路下足功夫,保证了声音的重播质量。
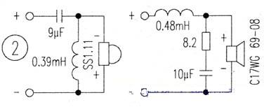
音箱采用6.5英寸书架箱,箱体选用木质成品。前障板最好为倾斜式,以利声音的扩散,这样可使声音余音绕梁,仿佛音箱不存在似的。高音喇叭选用惠威SS1.11丝绢膜球顶高音,中低音选用丹麦VIFA(威发)型号为C17WG-69-08海绵边涂胶纸盆喇叭。分频器自制,见图2。高音分频电容用法国索伦(音色甜美细腻)和德国ERO(音色靓丽)混合使用,中低音阻抗校正电容用普通薄膜电容即可。电感线圈为无氧铜线绕制的成品。由这两款扬声器和二分频器所组成的音箱,声音靓丽通透,细节丰富,聆听音乐堪称一流。



上一篇:6N7P胆电路前级
下一篇:6N2+6P3P廉价单端胆机