音响前级放大电路为音响提供切换
信号、音量调整、缓冲等,并可加上约10倍的电压放大,使音响具有较好的音质。

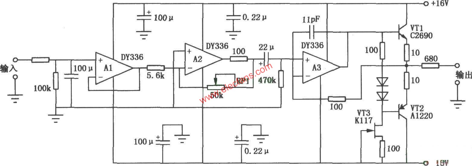
电路采用3只DY336低噪声、高品质运放。其中A1用作输入信号的缓冲跟随器,以减轻信号源的负担。A2和RPl组成负反馈音量调节器,这种音量的调节方式能减小RPl阻值变化所带来的失真与噪声。与常规音量调节相比,由于无RC常数带来的积分效应,因此瞬态失真更小。A3和VTl及VT2组成输出级,工作于单端甲类状态,其单端输出包含偶次谐波,使音质更好,并且
晶体管输出的
电流驱动力较强,与后级搭配时低频的控制力也会更理想。如图所示电路是功放前级的其中一路放大电路(另一路相同)