时间:2010-09-11 15:10
人气:
作者:admin
本文介绍了IGLOO系列闪存FPGA主要特性和优势, 四组I/O器件架构图以及IGLOO视频演示板主要特性, 方框图和详细电路图.
Actel 公司的IGLOO系列闪存FPGA采用Flash Freeze 技术和130nm技术制造,具有最低的功耗,可重新编程,占位面积小和单片解决方案.内核工作电压1.2-1.5V, Flash Freeze模式的功耗仅为5uW.该系列具有15K到100万个系统门,多达144kb 真双端口 SRAM和300个用户I/O.适用于相机、智能电话、便携式媒体播放器和条形码读取器等设备。
IGLOO 系列器件表:

图1.IGLOO四组I/O器件架构图(AGL250, AGL600, AGL400和AGL1000)
IGLOO视频演示板
IGLOO Video Demo Kit: A Plug-and-Play Demonstration Platform
The IGLOO Video Demo Kit consists of an IGLOO video demo board and your choice of an LCD adapter board. You can choose from two plug-and-play display adapter boards mounted with different LCDs, ranging from 5.5" to 7", and resolutions from QVGA (320x240) to SVGA (800x480). You can also build your own customized LCD adapter board. The IGLOO video demo board has an IGLOO device that interfaces with several video/image sources, such as a digital visual interface (DVI) input and a CMOS sensor interface. In addition, off-chip memory is provided for data buffer and storage.
IGLOO视频演示板特性和优势:
Rapid evaluation and development platform with choice of multiple LCDs
Flexibility of demonstrating different IP cores for display applications
Ultra-low power IGLOO FPGA with Flash*Freeze technology
Low static power and quick entry/exit from Flash*Freeze mode
Free evaluation of IP cores with customizable display functions
On-board devices
Ultra-low power IGLOO AGL600-FG256 FPGA device
Micron 2 MB x 32 SDRAM for frame buffer
Numonyx™ 64 MB flash for image and data storage
USB microcontroller
Interfaces
5 user buttons and reset
2 RJ-45 connectors for 8 pairs of low-voltage differential signaling (LVDS) outputs
Plug-and-play to display adapter board via 50-pin connector
DVI-D input
26-bit connector for Micron CMOS sensor head board
JTAG programming connector 
图2.IGLOO视频演示板方框图
图3.IGLOO视频演示板LCD控制器框图
图4.IGLOO视频演示板外形图
IGLOO® Video Demo Kit Schematics
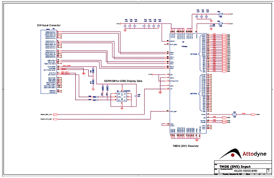
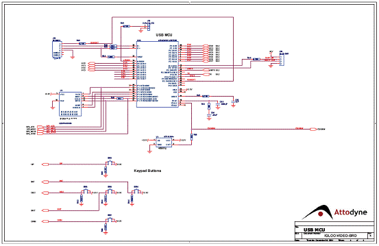
图5.IGLOO视频演示板电路图(1)
图6.IGLOO视频演示板电路图(2)
图7.IGLOO视频演示板电路图(3)
图8.IGLOO视频演示板电路图(4)
图9.IGLOO视频演示板电路图(5)
图10.IGLOO视频演示板电路图(6)