时间:2010-10-27 15:40
人气:
作者:admin
监听音箱是发烧友的首选器材,但对于工薪族的发烧初哥来说,该音箱价格之高令他们望而却步。自己动手制作音箱,价格仅为同类成品音箱的1/3,且能获得制作成功的快乐。笔者利用T&T公司的卓越1号监听系统套件制作了一款书架式音箱,收到了意想不到的效果,整体效果达到了Hi-End水准,但价格仅为杜希天鹅M1监听箱的1/3,感兴趣者不妨试试。
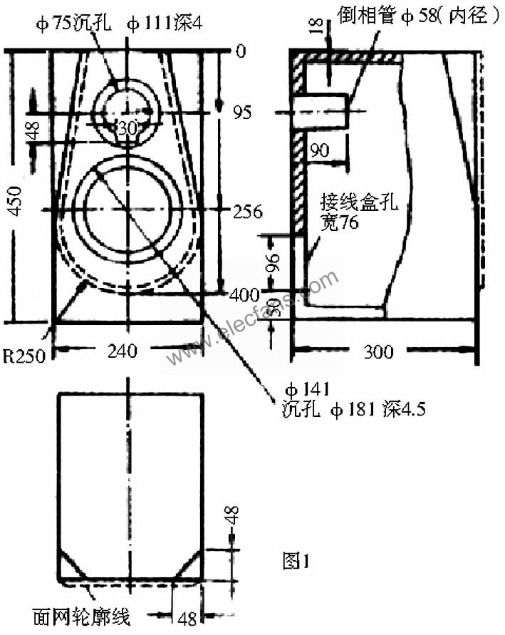
T&T全部采用英国特制的松压羊毛盆,无论是低频下限还是瞬态响应,都胜过市场上普通羊毛盆(国内市场大多为紧压羊毛纤维盆)。卓越1号监听音箱属Hi-End系统,外观豪华美观,音色纯净甜美,该音箱结构如图1所示。外形尺寸为450×240×300mm,箱体上方左右削角,除了具有装饰作用外,还可改善中高频特性。
卓越1号采用典型的二分频倒相式结构,中低音为W-180D型子弹头羊毛盆,磁体加大,具有20mm长的冲程,超大磁路结构,一体化低碳T铁,上夹板厚达6mm,这样充分保证了大功率、大动态,而且克服了羊毛盆效率相对较低的缺点。其铝质子弹头防尘帽,能有效抑制谐振空腔引起的失真,降低了三次谐波失真,改善了中频特性与塑料相位塞相比,铝质散热性能更好。由于子弹头位于盆中央,与音盆及音圈完全分离,保证了音箱后的声像定位能力和空间感,提高了音色的清晰度。W-180D锥盆使用了陶瓷粉末喷涂盆,刚性好,内阻适中,使单元具有平坦的频响和低失真,并具有良好的脉冲响应。卓越1号的高音单元为H-600Q,系28芯高音,透明蚕丝膜,磁液冷却,灵敏度高达90dB以上,音质细腻,层次感特好。
卓越1号分频器如图2所示。采用双线分音输入,电感均采用高纯无氧铜漆包线绕制成的空心线圈。关键电容均采用MKP高品质聚丙烯电容。高音通路在主电容两端并联了一只"杂信抑制器",因其具有正温度特性,当高频奇次谐波幅度较大时,具有吸收作用。在扬声器输入端,并联了一个由小电感和小电容串接的LC回路,可抑制干涉运动。该音箱主要参数如下:灵敏度≥89dB,承载功率≥250W,总谐波失真<2%,频响约40Hz~20kHz。 卓越1号音箱整体表现不俗,虽然是书架音箱,但低音相当丰满,爆发力不错,很适合播放古典音乐、交响乐。
