时间:2010-06-04 09:41
人气:
作者:admin
本章先对自制电子管功放的元件选配、安装程序、调试技巧及关键制作要领作一简要介绍。当你胸有成竹,跃跃欲试时,就可以动手操作了。
电子管音频功率放大器,以其卓越的重放音质,广受HiFi发烧友的青睐。市售成品电子管功放动辄数千元,乃至上万元,如此高价是大多数爱好者无法企及的。爱好者说得好:“自己动手,丰衣足食”。只要你有一定的电子知识和一定的动手能力,自制一台物美价廉的电子管功放并非难事。电子管功放较之晶体管功放,看似庞大复杂,但当你了解了电子管电路的工作方式后,会发现,电子管劝放电路较之晶体管分立元件功放相对简洁,所用元件也少得多。除输出变压器自制有一定难度外,其他元器件只要选配得当,电路调试有方,一台靓声的电子管功放就会在你的手上诞生。
第一节 电子管功放的装配与焊接技巧
一、搭棚焊接方式
国内外许多著名的电子管功率放大器过去和现在均采用搭棚式装配焊接方式。因为,搭棚式接法的优点是布线可走捷径,使走线最近,达到合理布线。另外,电子管功放的元件数量不多,体积较大,借助元件引脚,即可搭接,减少了过多引线带来的弊病。只要布局合理,易收到较好的效果。图8—1为搭棚式接法示意图。
搭棚式接法一般将功放机内的各种元器件分为3—4层,安装元件的步骤是由下而上。接地线与灯丝走线一般置于靠近底板的最下层,其地线贴紧底板,并保持最好的接触;第二层多为各电子管阴极与栅极接地的元器件。注意同一管子阴极与栅极的相关元件接地最好就近在同一点接地;第三层是各放大级之间的耦合电容等元件;最上层则为以高压架空接法连接的阻容等元件。高压元件置于上层可以有效地防止高压电场对各级电路造成的干扰。
二、关于一点接地
一点接地,在电子管功放电路的布线中是一项值得重视的措施。图8—2为一点接地示意图。
对于输入级与电压放大级的元件接地问题尤为重要。需要实行一点接地的元件,主要有栅极电阻、阴极电阻与旁路电容等。最好仅用元件引线直接焊接,尽量不使用导线,否则极易产生交流杂声干扰。
栅极电阻敏感性最强,因此对前级功耗很小的栅极电阻,其体积越小越好,可采用0.25-0.5w的小体积电阻为宜。其电阻一端应直接焊接在管座上;另一端直接通地。如果因元件尺寸或位置关系,难以做到同一点接地时,亦可就近接在同一根粗的地线上。图8—3为近端接地示意图。
三、焊接要领
由于电子管功放的零部件尺寸较大,而且接地线又与金属底板直接相通,焊接时的散热性较强,所以在焊接时必须采用50W左右的内热式电烙铁才能保证焊锡的充分熔化。而一般用来焊接晶体管元件的25W左右电烙铁热量不够,容易产生假焊或脱焊等现象。
焊接时所使用的助焊剂,应该采用松香或一级的中性焊剂,避免使用酸性助焊剂。因为酸性焊剂不但有腐蚀作用,而且会引起电路漏电现象。
对一般元件的焊接,其电烙铁与元件间最好保持45度左右的倾斜角,这样接触面较大,热量均匀,容易焊牢。其焊接时间一般应保持1—2秒为宜,时间过长容易损坏元件;接地线的焊接时间可适当加长一些;
元件焊上支架前应先将元件引线在支架绕牢,或穿进孔内勾牢,然后再进行焊接。对于元件,在焊接前必须将引脚表面氧化层用砂皮擦清,并镀好焊锡后再焊接。图8—4是管座与支架焊接示意图。
元件与地线进行焊接时,也必须将通地端与地线先绕牢,或者与焊片孔勾牢,然后再焊接。焊接时,烙铁接触焊点时间要稍长些,以确保焊牢。对需要进行调整的元器件,可暂时采用搭焊,待调试完毕后再绕住焊牢。图8—5是零件与地线焊接示意图。
对架空元件的焊接,可采用镊子或尖嘴钳夹住元器件,以免热量传导烫痛手指。焊接时可先将焊锡丝对准要焊部分,再用电烙铁边熔边焊,这样焊接质量最佳。图8—6是架空元件的焊接示意图。
焊锡丝的品质对焊接质量也有很大关系,一般的锡块和焊锡条最好不用,而采用1—3mm含松香芯的高纯度焊锡丝为宜;品牌胆机所采用的为含银2%的焊锡丝。
直流高压部分的分压电阻、降压电阻等,使用时发热量较大,因此必须采用架空接法,并将元件安置在最上层,以利于热量的散发。同时,还应注意有高压电流通过的导线不宜与其他栅极连线靠近或平行,最好使用不同颜色的接线、以示区别。而且导线的距离也不宜过长。
高压去耦电阻及电容必须靠近屏极电阻焊接,而电解电容的通地端与电源变压器高压接地端如相距较远时,还应加接优质通地线,以防止滤波电容器内的交流成分影响前级的电压放大管。图8—7是高压元件架空接法示意图。
支架与灯座间的过桥接法,主要解决跨度较长的屏极元件的耦合。电位差较大的元件,不要焊接在同一个支架上,以免产生不必要的干扰。图8—8是支架与管座间架空接法示意图。
各级电子管的屏极与栅级元件尽可能使之远离,后一级屏极回路的元件,切不可与前一级栅极元件相近或平行。
功放管屏极或栅极回路要串接的电阻,应直接焊接在电子管座的屏极或栅极接线片上,如电子管座上无空脚架空,可在最近距离内使用小支架,不宜再用较长导线相连接。图8—9为管座自架空接法示意图。
功放管屏极与帘栅极回路的接线一般不用支架,直接由灯座上接出,并以最短的距离穿过底板与输出变压器一次侧相连接,切不可用支架绕道而行。这样不但损耗增大,而且会影响前级放大器。
第二节 电子管功放的安装步骤
现代电子管功放除了声道分立的高档机型外,大都为合并式的立体声功放。下面即以立体声功放为例,介绍其安装程序。
按照事先设计好的地位,先将各种小零部件装上。如电子管管座、开关、电位器、输入与输出接线端子、插口、接线支架、接地焊片等逐一装好。
电子管灯座在安装时必须认清图示的方向,这样可保持走线距离最近。管脚识别,可将电子管管脚朝向自己方。功放管用瓷八脚灯座时,从中心对正缺口开始,按顺时针方向,分别为1→8号接脚;前级放大与推动管为九脚灯座时,从开档较大处开始,按顺时针方向,分别为1→9号接脚。特殊管座的管脚识别大都是在特定标志下按上述方法识别。
左、右声道输出变压器、电源变压器、阻流圈等因较为笨重,在安装焊接各种零件时,底板要四面翻动,容易损伤外表漆皮,应当在全部阻容元件和接线焊接完毕后,最后再装上。安装电源变压器与输出变压器时,必须在螺丝上加装弹簧垫片,使之不易松动,以防止变压器通电后与底板之间产生振动,从而引起涡流损耗与交流声。
1 合理的接地方式
电子管功放中的接地走线,对功故机的信噪比与电性能的优劣有重要影响。特别是在增益较高的多级放大器中,其接地走线的布局方式尤为重要。因为功放机中的接地线具有双重作用,既是直流电压与电流供给回路,又是音频信号的通路,其间通过的直流电压电流大小及交流信号的强弱亦不相同。
虽然用万用电表测量功放机内的所有接地回路,其阻值均为0Ω,但对交流信号而言,各接地通路之间仍存在着电位差。如果采用高频微伏表测量时,其间的电位差可达数微伏以上。在高增益的多级功放机中,如接地走线布局不当,在高增益的输入端如混入数微伏的交流杂波信号,经过多级放大器逐级放大后,将给功放机的信噪比带来极大的影响。
目前比较流行的接地方式有两种:母线接地方式与单点接地方式。
功放机的母线接地方式是采用直径为1-1.5M左右的粗裸铜丝或镀银铜丝作为接地母线,在功放机的底板上按照放大器的电子管位置就近顺序排列。一般由输入端子至第一级、再至倒相级、推动放大级、功率放大级,最后至电源变压器的接地端。接地走线的次序切不可前级与后级颠倒。立体声功放的接地走线必须左右声道严格分开,并各自按照顺序排列。同时必须注意输出端的大电流接地线切不可与输入端小电流接地线直接相通。图8-10为母线接地方式示意图。
单点接地方式一般使用在高增益放大器的输入级,或者当功放机中部分采用电路板时,其接地走线的原则也必须按照功放级的前后级顺序排列,切不可前级与后级颠倒。
单点接地方式所强调的是,每一级的通地必须接在同一接地点上(就是我们常说的“一点接地”),其中该级的栅极电阻、阴极栅负压电阻及旁路电容的通地尤为重要,两者之间不允许再有导线存在。因为导线难免存在电阻,它可能存在的电位差,对高灵敏的放大器来说,等于在放大管阴极与栅极之间串接了一个交流电源,经过逐级放大后,即会产生严重的交流声。
输入端子的屏蔽隔离层接地,也必须在前级放大管的同一接地点通地。外层屏蔽罩壳或输入端子外壳应与功放机外壳相通。图8—11是单点接地方式示意图。
单点接地方式与母线接地方式不是绝对分开的,一般可混合使用。如在高灵敏的前级采用单点接地方式,而在功放级、电源滤波级等处可采用母线接地方式。
对于带前置放大级的功放来说,其放大级数可达5—6级。这样在MIC传声器或AUX拾音输入端的灵敏度极高,可高达3—5mv。如果在输入端混入微弱的噪声电平,即使输入端噪音电平仅为0.01mv时,经多级放大后,如其有用信号输出电压从3mv增加到30v时、噪声电平亦会由0.01mv,被放大至0.1V。这样该功放的信噪比将近于50dB,会给输出信号造成极大的干扰。
而对3—4级的功放来说,其输入灵敏度为0.3—0.5v,如果输入级同样也混入了0.01mv的噪声电平,经过较少级数放大后,有用信号被放大了100倍,噪声电平即被放大至1mv。则该机的信噪比即达到了80dB,如此,尚可接受。
对高灵敏度的多级放大器来说,由于放大级数多,增益也高,对微弱的噪声信号决不能等闲视之,因此高品质的放大器多采取电路隔离措施。如在一台功放机内,将前级与后级分开,使的级放大与后级放大各成回路,再由多芯插头将前后级相连。
此外,对灵敏度较高的MIC传声输入端,为防止噪声电平干扰,多采用低阻抗、平衡式的输入方式,在输入端还常备有屏蔽式隔离装置,将前级放大予以独立,这样即可有效地减少噪声的干扰。
2 交流电源线的配线方法
功放机内的交流电源走线,特别是大电流的交流灯丝走线,如果布线不当,会达成电磁场向外辐射,给放大器带来交流声干扰。
50Hz交流电的波形为正弦波,当接上负载后,交流走线回路上的电流即随着交流电的周期变化。交流走线中的电流越大,向外辐射的电磁场也越大。如采用单向走线时,其外辐射电磁场将感应到功放机内的其他走线及元件产生严重的感应交流声。
如果功放机中的交流电源线或交流灯丝走线,采用双股平行走线时,由于平行线之间存在一定的分布电容,虽然可将部分电磁场旁路,但仍不能清除干扰。
如果将功放机中的交流电走线,采用双股线绞合起来,因为绞合的两根交流走线其电流相依相反,能将交流电外辐射电磁场相互抵消,因此能消除外电场的于扰(图8-12)
3 高压电源的布局
以立体声功放为例,其布线原则是左右声道应严格分开。接地走线置于底板最下层,采用母线接地方式,左右声道的接地线分成两路,并按照放大器前后级顺序排列。交流灯丝走线与交流电源走线均采用双线绞合的方式,以减少外电磁场的辐射。
立体声功放的直流高压高达400V左右,为防止高压外电场的辐射,所以必须采用接线支架,将高压供电线置于各元器件的最上层,即采用所谓的架空接法。高压供电线还要注意尽量避开电子管栅极回路走线,以防止产生感应交流声与啸叫声。
立体声功故的直流高压电源总电流一般约0.4A左右、其静态工作电流与满信号时的工作电流波动较小,故高压滤波电容器的容量也无需太大,一般采用几十微法至几百微法即能满足。而晶体管功放则工作于低压大电流状态之下,而且静态与满载时电流波动极大,故必须采用几千至几万微法的滤波电容才能满足要求。
前级滤波电容通常采用100-470uF,可采用电容夹圈或粗铜丝与底板固定。经被釉电阻降压后为次高压电源,专门供前置放大与推动放大级使用,其去耦滤波电容可采用CDZ组合式,容量20-30uF即可,因前级电流仅20-30mA左右。
4 元器件的组装
布线工作结束后,即可开始安装与焊接各级管座上的电阻电容等元器件。自制功放多采用搭棚式焊接方式。搭棚方式可以就近走线,达到合理布线的要求。功放所使用连接线,为了便于识别,一般习惯上直流高压线用红色,屏极连线用黄色或橙色,栅极连线用绿色或蓝色,阴极连线用棕色或黑色。
各放大级的栅极电阻、阴极电阻与旁路电容必须在就近处同一段母线上一点接地。栅极电阻由于功耗最小,为防止感应噪声,可采用体积较小的0.5W金属膜色环电阻为最佳。
电子管栅极阻抗很高,灵敏度也较高,所以栅极回路的耦合电容、电阻等元件,不能与高压回路及屏极回路的元件贴近,以防止外辐射电磁场的干扰。同时对有极性的耦合电容在焊接时必须识清,正端接电子管屏极,负端接电子管栅极。接反时会因漏电加大,耐压降低引起弊病。此外,要注意耦合电容的耐压必须在400V以上。
级间精合电容与功放的靓声有很大关系,可选用介质损耗小、转换速率快的电容,如采用CBB聚丙烯、CB聚苯乙烯、CZM油浸电容、CZ30纸介电容等。如选用WIMA、SOLEN、MKP等音响专用金属化无感电容则更好。
输入管栅极灵敏度很高,相关音量控制电位器的引线又较长,为防止杂波信号的干扰,必须采用金属屏蔽隔离线,其金属编织线的外层接地,必须安排在输入管阴极处入地,切勿将接地端接到大电流的输出端子上。
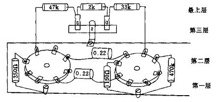
图8—13是立体声功放元件排列示意图。
第三节 电子管功放的业余调试
全部安装焊接完毕后,应先将新装机与电路图仔细对照一遍,是否存在漏焊或接错之处,屏极与栅极之间的元件不可紧贴,导线不可平行,全部检查无误,即可开始进行初调。
对初装电子管功放机的朋友来说,由于电子管功放的工作电压比晶体管功放高得多,而且其金属底板即为负极,为防止疏忽而被电击,调试与测量时最好单手操作,切勿用另一只手扶住底板。电源关断后,机内的高压滤波电容器内仍有储存的高压电荷,一旦触及电容引线会遭电击。每次关断电源后,应将电容器正极通过低阻值电阻(直接对地短路会产生火花)对底板放电后,再检测其他部分元件。
调试前功放尚未进入正常工作状态,为保护音箱不致意外受损必须在输出端子上先接上假负载代替音箱,其阻值为8-16Ω/20W。开机三分钟后,密切注视机内是否有跳火或冒烟等异常现象,所有零部件的温升是否正常。
1 测量各级电压
先测量电源变压器各档交流电压数值,全部测量无误后再测量直流高压。
初学者可先将万用表负极用鳄鱼夹与接地线或底板夹牢,再用正极表棒测量各级电压。
直流高压在轻载时应为交流高压的1.4倍左右。测高压时先将万用表拨到直流500V档。如交流高压为320V时,经桥式整流后在滤波电容器两端的直流高压应为440V左右。
2 测量各电子管屏极电压
图8—14是测量各屏极电压示意图。
测量各屏极电压为简便起见,可按照图8—14进行。准确的屏极电压数值,应为该电子管屏极与阴极之间的电压。
如功放管的屏极对地电压为400V左右,而阴极电阻对地的压降仅为数伏,故可忽略不计。但对采用屏阴分割式倒相管来说,由于屏极与阴极的负载电阻均为22kΩ,对地压降很大,故必须测量屏阴之间的电压才行。
3 栅极负压的测量
图8—15是功放管栅极负压测量示意图。
功放管的栅极负压是随着推动情号大小而变化的。测量功放管自给栅负偏压时,必须在注入音频信号后测量。准确的栅极负压值应为栅极与阴极之间的数值,由于功放管对地压降较小,往往可以忽略不计。
如果两只功放管栅负压相差较大时,先看前级推动电压是否平衡,再通过调整栅极电阻来校准。
如果阴极电压相差较大时,应先了解功放管的配对情况,并可互相调换试一下,最后则可通过调节阴极电阻的阻值,使两管平衡。
4 功放管屏极电流的测量
图8—16是屏极电流测量示意图。
电子管推挽功放对功率管的配对工作没有晶体管那样严格,因为同一型号的晶体管放大系数也会有较大差异,参数一致性没有电子管好。而电子管只要采用同一品牌,同一时期的产品,其放大特性基本相同。
对于电子管来说,如属保存较久的管型,选配功放管的配对工作是必不可少的。比较简单的办法是用测量功故管的静态电流与满信号电流,两者基本平衡,即可以配成一对。
测量时先将功放管屏极与输出变压器的连接点用电烙铁焊开,分别将万用电表拔到直流电流250-500mA档串入屏极回路内,一般前级无推动信号时所测得的是该管的静态电流,推动信号最强时所测值即为满载信号电流。
如两管推挽功率管静态电流与满载信号电流相差不大时,则可以通过调整功放管的阴极电阻与栅偏压电阻来进行校准,使两管电流达到基本平衡即可。如两管电流数值相差很大时,只有调换新管。
表8-1为常用功率管作AB类推挽放大的特性参数表。
5 负反馈电阻的调整
整机初调结束后,冉接上输入级与输出级之间的负反馈电阻,阻值一般在12—24kΩ之间,负反馈量控制在10-20dB之间:负反馈接入后,最明显的感觉是背景噪声大大减小。如接上负反馈电阻后,输出功率增大,或伴有啸叫声,则表明输出变压器线圈相位接反,应将变压器线圈相位调换。
6 输入音频信号
关断电源卸下假负载,接上音箱,然后将音量电位器调至音量最小位置。从输入端注入信号进行试听。功放机一般输入灵敏度为0.3—0.7V。可将CD、VCD、DVD、录音卡座、调谐器等的线路输出信号注入,音量电位器由小逐渐调至中等音量连续试听1小时左右,如各部分均无异常现象,即可认为初装顺利。
但一般初装中不可避免地出现诸多问题,如交流声、杂声、失真等现象,故可进一步进行复调
第四节 电子管功放的整机复调及故障检测
整机初调后,如输入音频信号时,出现无声、交流声、杂声、声小、失真等一系列不正常现象时、说明功放机中存在某些故障,因此必须进行仔细的复调,找出故障所在,从而才能获得满意的音响效果,
1 无声故障检查
功放整机电压,电流检测无误,但从输入端注入音频信号后扬声器毫无声响,则应进行逐级检查。
先关断功放机电源,并将扬声器音箱接线卸下,确定扬声器及喇叭线完好无损。用万用表测量功放机输出端子是否有接触不良现象。继而检查各输入端的插头、插座、电位器接点及音频信号线的屏蔽层与芯线等是否有短路、开路现象。如无误可开启功放电源,将音量电位器中心臂置于中间位置,用单手持旋凿直接接触输入管栅极,如果仍然毫无声响,则须进行逐级检查。一般故障寻迹多采用自输出终端,逐级向前检测的方法,这种方法能较快地找到故障点。
先检查功放级与输出变压器之间的回路,再检查功放管脚是否按错。也可接一个0.1uF隔直电容直接在功放级的输入端输入较强的音频信号,如输出信号正常,可将经隔直电容器的音频信号直接送至推动放大管的栅极,如果扬声器有正常声音发出,则表明故障出在输入级与倒相级之间,应仔细向前查找输入电路级中各元件是否有接错或开路现象。
因单只功放管的放大倍数很有限,而且常要较强的推动电压,故将音源信号注入功放管栅极时,扬声器中只有轻微的声响;
2 严重交流声故障分析
电子管功放的交流声级比晶体管功放显著,一般晶体管功放成品机的信噪比可达90—100dB;国产各牌斯巴克电子管功放信噪比为85dB,而—般业余制作的电子管功放信噪比达到70-80dB已能令人满意。自制电子管功放,音量开大时,音箱中若有轻微的交流声属正常现象。如果交流声比较显著时,也要作为一种故障来查找、排除。
先将音量电位器关小,如交流声随着减小,音量增大,交流声亦加大,则表明此故障发生在输入级。发生这种现象,最常见的原因是输入信号的金属屏蔽线接地不实、音量电位器外壳通地不良、输入管栅极与阴极接地回路布局不当、输入电子管本身灯丝与阴极间有轻微的漏电现象等。
倒相与推动级的栅极电阻通地不良,或阻值偏大容易产生交流声。级间耦合电容器装置位置不当,受到附近其他元件杂散电磁场的感应干扰,亦会引起交流声,应仔细检查元件布局和接地点是否合理。
前级故障排除后,可将前级放大管与推动级电子管全部拔去,只留下功放管。如仍存在较大交流声,可能是功放管灯丝电压不足,或者电子管陈旧轻微漏电所引起。应用电压表先测量灯丝电压,如压降较大时应及时采取补救措施。如怀疑功放管本身质量有问题时,可以调换其他功放管一试。
电源部分引起交流声的概率最大。滤波电容器的容量不足或存在漏电时均会导致交流声。当第一级滤波电容严重漏电时,不但交流声大,而且直流高压输出偏低;第二级滤波电容严重漏电时,不但交流声大,而且伴有啸叫声。
电源变压器一次侧与二次侧中间的静电屏蔽隔离层引出线焊接不良或通地不良时,也会引起交流声,如无法拆开重绕时,其补救办法是在交流电源进线与地线之间跨接一只0.01uF/400V以上的电容器,可以起到一定抑制作用;但缺点是触及功放机壳会有轻微的麻电现象。
此外,电源变压器或阻流圈在装置时,如果铁芯直接与底板接触,则铁芯内所产生的涡流磁场会延伸到铁底板上,从而诱发交流声。所以在装置电源变压器时、必须在变压器与底板之间加装防震垫片;高档胆机采用全密封式的罩壳,这样即可较彻底地消除交流声。
3 噪声故障分析
功故机在正常放音时,伴随着不规则的喀喀声或吱吱声等异常声音可分为:内部噪声与外部噪声;
图8-17是功放内部噪声干扰示意图:
一)内部噪声干扰
当功放机内的电源变压器、输出变压器、高压阻流圈等内部层间绝缘不良,高压电通入后,由于电位差增大,而产生级间跳火,引起整机的噪声干扰。
功放所选用的电子管,如属珍藏品、陈旧品,日久真空度不良,阴极与灯丝间出现漏电等均会引起噪声干扰。
当采用质量不佳的碳质电阻时,该电阻由于内部阻值不均、接触不良而造成阻值不稳定
时,通电工作后会产生断续的噪声。
当功放机内所选用的耦合电容、滤波电容等内部绝缘性能不良或严重漏电时,均会导致产生各种噪声干扰。
二)外部噪声干扰
图8—18是功放外部噪声干扰示意图。
在灵敏度较高的电路中,如MIC传声与AUX拾音输入端,经常会受到外来高频电磁波干扰,干扰信号通过输入管栅极经逐级放大后,即会形成严重的杂声干扰。
现代各种大功率的电器设备、调光调速等设备,还可以通过交流电网窜入功放机的电源内,造成各种电磁波的干扰。
功放机中的电源变压器、输出变压器等,当电源接通后,也会产生各种电磁场的辐射干扰。
此外,如输入插座接地不良、布线与布局不当也会使外来的各种杂波信号通过信号线与机内高压线串入功放机各级,经逐级放大后,形成干扰噪声。
三)噪声的抑制措施
图8—19为抵抗杂波干扰的示意图。
为防止高灵敏度的功放机受内部与外部的各种杂波干扰,以提高功放机的信噪比,可采取如下措施:
一、输出功率的测试与调整
1 输出功率的简易测试法
功放机装配调试好以后,总想了解一下本机的输出功率大小。在无正规测试仪表的情况可借助万用表来进行简单的估测。
图8-20是用万用表估测输出功率的示意图。
将CD、VCD、录音卡座等的音频信号,由新装好的功放机输入端注入,音量电位器置于最大位置。
将万用表拨到交流电压25V或50V档上。由于所测是交流信号电压,故表笔不分正负。测量时将两只表笔并联在功放机输出端子上或音箱两端。此时万用表针在不停地随着音频信号的强弱摆动,记下表针摆动最大时的电压数值。
计算方法如下:
额定输出功率 P=V2/Z
式中:V为所测得输出电压,Z为负载阻抗值。
在4Ω负载下,如测得的最大交流电压值为10V或12V时,则功放的额定输出功率分别为:
P1=V2/J=102/4=25W
P2=V2/J=122/4=36W
在8Ω负载下,如测得的最大交流电压值为12V或16V时,则功放的额定输出功率分别为:
P1=V2/Z=122/8=18W
P2=V2/Z=162/8=32W
因CD、VCD等音乐信号的输出电平,比音频信号发生器连续正弦波信号偏弱。用万用表测得的数值与交流电压有效值相接近,故可认为其数值为额定输出功率。如果用峰值功率来衡量时可加大4倍,即额定功率如为30W+30W时,而峰值功率即可达120W+120W。
2 增强输出功率的措施
如经上述简单的估测后,功放机的输出电压达不到要求的数值或输出电压较高,但失真与噪声显著偏大,则可进行如下的调试:
我们知道,一般声频放大器的输出功率有最大输出功率和最大不失真输出功率两个指标。最大输出功率表明功放的最大负载能力;最大不失真输出功率,表示功放的不失真放大能力。对于电子管功放,了解最大不失真功率更值得关注;所以在增强输出功率的同时,要照顾到整机失真度指标及其他性能参数。一味追求加大输出功率并不可取。
在保证失真度不致下降太多的前提下,提高输出功率的方法有以下可考虑的措施:
减小功率管的阴极电阻的阻值,使输出电流增大,输出功率可以有一定幅度的增大。但由于阴极电阻负反馈作用的减小,放大器的稳定性及其他性能指标要受到一定影响。
以上措施均有利有弊,不能两全。较可靠的方法是更换性能更好的电子管。如输出功率放大管由6P3P更换为EL34、6CA7、KT88等。更换电子管,必须考虑到原来的电源变压器、输出变压器等是否符合设计要求。如变压器功率余量的大小、高压电流的大小、滤波电容的耐压高低等各项性能是否符合要求。管脚的排列也要对应。
二、施加负反馈改善放大器的性能
对现代高保真功率放大器来说,如何减小功放的非线性失真,提高放大器的信噪比,拓宽频率响应,是至关重要的。
采用施加负反馈来改善与提高放大器工作的稳定性和各项性能指标,在国内外高保真功放系统中得到了广泛的应用。所谓“反馈”,就是把输出信号的电流或电压的一部分回送到输入端去调节输入信号的一种方法。反送回输入端的信号削弱了输入情号,使放大器放大倍数降低,称之为“负反馈”,反之,称为“正反馈”。根据反馈信号正比于输出电压还是电流,对于放大器来说则有电压反馈和电流反馈之分。要提出的是,功放整机加了深度的大回环负反馈以后,虽然放大器的性能提高不少,但对放大器瞬态响应、转换速率等性能却带来了不利的影响。所以负反馈的运用必须恰如其分、适可而止。
1,对放大器施加负反馈的好处
对放大器施加负反馈主要有如下作用
此外,负反馈对放大器的输入、输出阻抗也有一定影响。
三、电子管放大器常用的负反馈措施
图8-21是一种单级电压负反馈电路。
图8-21中的RC负反馈网络加在放大管的屏极,将输出信号反馈一部分至该管的栅极。因为在共阴极电路中,电子管屏极的电位与栅极电位正好相反,故形成负反馈。栅极因负反馈加入而使输入电压降低,放大管的放大倍数也随之降低;放大器因负载变化所引起的相位失真和频率失真均得到改善,其电压反馈量是由电阻R与C来决定的。一般电路中R的阻值为几百千欧,它与放大器的频率无关。C的容量为0.01-0.1左右,C与放大器的频率特性相关,可以对某一频段的信号实施负反馈。
图8—22是一种级间负反馈电路图。
将后一级放大管屏极的信号,通过电阻R反馈到前一级电子管的屏极。因前级信号经栅极倒相后,前级与后级两管的屏极相位亦相反,这样即组成屏至屏极的负反馈网络。反馈电阻R的阻值—般取1—1.5MΩ。若R的阻值过小时,会降低输入阻抗,同时对放大器的低频响应造成影响。
图8-23是电流负反馈电路图。
图8—23中阴极电阻RK不加旁路电容,音频信号的屏极电流通过RK以后,使RK两端由于降压作用产生了一个音频电压,这个电压和栅极上原来输入电压相位是相反的,所以产生了负反馈作用。
电流负反馈一般加在功放机中的中间放大级或推动放大级。一般功率管阴极施加电流负反馈功率放大会降低输出功率和增大屏极内阻。
图8—24是另一种极间负反馈电路。
利用极间负反馈亦能有效地抑制噪声,图8—24中的电压负反馈电阻RP是设置在中间放大级与输出级之间。
级间负反馈电阻与阴极电阻相串连,凡被加负反馈的中间放大级,除了受反馈电阻RP作用外,一定还要有本级的电流负反馈。
级间负反馈不限定二级,亦可为三级或四级,但必须注意其相位关系,因为负反馈电压的相位必须和原来输入信号相差180°。如相位相同,会形成正反馈而产生自激,破坏放大器的正常工作。
图8—25是整机负反馈电路。
图8—25中为整机负反馈电路,RC负反馈网络设置在输入级与输出级之间。这种整机的负反馈被称为大回环负反馈。
近年采由于这种深度的大回环负反馈,对功放的瞬态响应、转换速率等性能带来影响,故对整机负反馈量都加以合理控制。一般的反馈量控制在6—12dB之间。
四、电子管功放的频率补偿
音频功率放大器的频率响应曲线,通常总是中频段比较平坦,低频段与高频段会显著下降。与此相关的相位特性,若以中频段的相位作为基准,则低频段的相位相对超前,而高频段的相位则相对滞后。从中频段到低频段和从中频段到高频段的频率响应曲线的下降和相位变化,各种功率放大器均不相同,但最低频段与最高频段的频率响应斜率和相位角的大小,总是决定于该功放机的放大级数和电路形式。
在这种情况下补偿的方法较多,但总的原则必须增大在相位变化为180度的频率时的增益量下降值,而且频率响应的终端斜率不允许增大。
为了实现上述要求,应从声频范围的低频段与高频段,由频率响应开始下降的频率起到相位变化达180度的范围内进行频率特性补偿,与相位的变化相比尽可能使增益量衰减大些。一般来说,使这范围的频率响应的斜率不大于6分贝/倍频程,即能达到目的。
1 低频补偿
一般的阻容耦合式放大电路的低频段的频率响应,最后可以用通用低频衰减特性来表示。
在多级放大器中,应采用阶梯法来进行补偿。在这种情况下阶梯补偿网络尽可能接在前级放大器中。如果将此电路接在靠近功放级时,则放大器低音频段的最大输出即会减小,若要勉强增大输出,则阶梯网络之前的放大级中将会产生显著的非线性失真。
图8—26是一种低频补偿电路。
低音频段的阶梯补偿网络的电参数,一般选择在低频段的频率响应是从40HZ处开始下降,则阶梯补偿的高度约为12dB,在阻容耦合放大电路中的耦合电容器的容量尽可能大一些。
图8—27是低频补偿特性曲线图。
2 高频补偿
在阻容耦合与变压器输出的多级功率放大器中,高频段的频率响应也随着电路中杂散电容的存在而衰减,故必须进行补偿,才能获得高频段较平坦的特性。
图8—28是一种高频补偿电路。
在多级放大器中,输出变压器的高频特性是由自身决定的,故高频衰减的基准频率是固定不变的。而阻容耦合放大器的基准频率则由耦合电容、屏极电阻与电路中的杂散电容所决定。在实际电路中,一般高频段的频率特性从10kHz以上即呈衰减趋势。
这样阻容耦合放大器的高频段在补偿时的基准频率可以选择在10kHz到50kHz之间。高频补偿网络是由网络中的电阻与电容所决定的,提高基准频率的方法可减小补偿网络中电阻的阻值。
图8—29是高频补偿特性曲线图。
高频补偿电路与低频补偿电路原则相同,其阶梯补偿网络应接入前级放大器中。如将该补偿网络接到末级中,则它的频率响应开始下降的频率移到音频范围之外,否则会减小高频的最大输出。
下一篇:高品质有源超重低音音箱设计实现