时间:2009-12-25 09:39
人气:
作者:admin
采用LM1875设计BTL电路的制作方法
直流化电流负反馈OCL电路应用
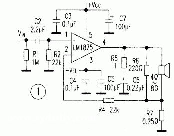
按《电子报》2001年第27期《LNl875功放制作体会》一丈的电路(图1)进行实验,结果确如文中所说,电路直流化并改为电流反馈后,频响拓宽,低音力度明显增强,高频解析力增加,中音质感增强,音质较标准电路提高很多,使入久听不厌、用此功放与新德克6800纯甲类功放对比试听,推惠威天鹅M1.2音箱,15平方米房间,约有10W左右输出,音色极为接近新德克机,声音力空、解析力与之不相上下。LMl875高音细腻一点,新德克6800人声厚度强——点,二者差别之小,出乎意料。
但LMl875直流化电流负反馈电路的不足也使人觉得若有所失:功率偏小,静态时有可闻的交流声,实测LMl875静态时输出端有几到十几mV的电压。
LMl875直流化电流负反馈BTL设计 LM1875应用电路
直流化电流负反馈BTL电路见图2,取消标准BTL电路中的C12、C22,使电路直流化;电阻R16与R26是取样电阻,电流反馈信号经R15、R16、R25、R26分别进入放大器A1、A2的反相输入端,R13、R14、R15、R16的阻值决定放大器增益的大小。
用图2电路实验,不管怎样通断电源与输入信号,输出端始终没有直流输出,并且没有静态输出噪音,开机时喇叭中只有轻微“叭”音,关机时扬声器中绝无噪音可闻。通过实验可知,此种输入电路工作十分稳定,即使在开大音量或静态时将输入端子拔掉再插上,电路也不会自激。电容C11对音质影响很大,去掉此电容后,眼前马上一亮,中高音变得清澈细腻,低音富有弹性和力度。直流化电流负反馈BTL电路继承了直流化电流负反馈OCL电路音质的优点,失真进一步减小,输出功率增大到原来的3倍,达到了60瓦以上,克服了其开关机扬声器中有冲击声和静态时有交流声的缺点,是LM1875的理想优化电路。
上一篇:用运放驱动的高性能功率放大器
下一篇:高保真BTL放大器的原理及设计