TI TPA6140A2 G类立体声耳机放大电路设计
TI 公司的TPA6140A2和TPA6141A2是25mW G类立体声耳机放大器,它的系统级音乐播放时间比AB类放大器提高了20%.这两个器件采用DirectPath技术,不需要大的隔直流电容和开关机抑制电路,增强了听觉效果.小型封装,超低功耗和高质量音频保真,使它们非常适合手提设备应用如手机/智能手机和MP3播放器.本文介绍了TPA6140A2和TPA6141A2的主要特性和指标, 功能方框图以及差分输入,单端输入的应用配置图.此外还介绍了评估模块的主要特性,详细电路和所用元件清单。
TPA6140A2: CLASS-G DIRECTPATH STEREO HEADPHONE AMPLIFIER WITH I2C VOLUME CONTROL
TI’s new TPA6140A2 and TPA6141A2 25-mW Class-G stereo headphone amplifiers improve system-level music playback time by 20 percent over Class-AB technology in the best-in-class music phones shipping today. DirectPath technology eliminates the need for large DC-blocking capacitors and pop-suppression circuitry improves the listening experience. Small package size, ultra-low power consumption and high audio fidelity makes these devices ideal for portable applications such as mobile/smart phones and MP3 players.
TPA6140A2主要指标:

TPA6140A2主要特性:
Consume 0.6-mA/channel quiescent current and deliver 5 mW/channel into a 32-Ω load, while keeping the total supply current below 5 mA
Enable energy-efficient system when coupled with TI’s low-power audio converters, speaker amplifiers, OMAP 3 processors and TMS320C550x and TMS320C540x devices
Variable and fixed g
ain options:
TPA6140A2: –59-dB to +4-dB variable gain range prog
rammable via a 32-step I2C volume control
TPA6141A2: 0-dB or +6-dB fixed gain
Separate SGND pin reduces ground loop noise when interfacing with a non-headphone accessory
Key Applications:
Mobile/smart phones
Portable media/MP3 players

图1.TPA6140A2功能方框图

图2.TPA6140A2差分输入应用配置图

图3.TPA6140A2单端输入应用配置图
TPA6140A2评估模块(EVM)
The TPA6140A2 is a DirectPath Class-G stereo headphone amplifier with a built-in I2C volume control. Class-G technology
maximizes battery life by adjusting the voltage supplies of the headphone amplifier based on audio signal level. DirectPath eliminates external DC-blocking capacitors. Availability in a 0.4 mm pitch WCSP package makes TPA6140A2 an ideal choice for both cellular handsets and PDAs.
The TPA6140A2 evaluation module (EVM) is a complete, stand-alone audio board. It contains the TPA6140A2 WCSP (YFF) Class-G stereo headphone amplifier.
The TPA6140A2YFFEVM allows the engineer to evaluate the TPA6140A2, a stereo Class-G DirectPath (capacitor-free) headphone amplifier in a WCSP package. The TPA6140A2 has extremely low power consumption that enables much longer battery life in portable applications.
TPA6140A2评估模块特性:
Highly Power-Efficient Class-G Operation
DirectPath Ground-Referenced Outputs
Power Supply Voltage Range: 2.5 V to 5.5 V
I2C Volume Control: -59 dB to +4 dB Gain Range
Separate SGND Input for Preventing Ground Loop Noise
High Power Supply Rejection Ratio
Differential Inputs for Maximum Noise Rejection
Advanced Pop and Click Suppression Circuitry
High-Imp
edance Output Mode
Tiny 1.6 mm x 1.6 mm 16-WCSP (0.4mm pitch)

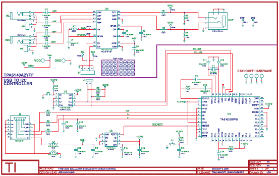
图4.TPA6140A2EVM带YFF器件的电路图
TPA6140A2EVM元件列表: