Abstract: This appl
ica
tion no
te describes a PC prog
ram, downlo
adable f
or free, to assist in the evaluation of the MAX7219 and MAX7221
LED display drivers.
The MAX7219 and MAX7221 are 8-digit, 7-segment, common-cathode, multiplexed, LED display drivers which drive up to 40mA peak segment current, while operating from a 4V to 5.5V supply. Control is
accomplished through a 4-wire (MAX7219) or SPI (MAX7221) serial interface.
This application note describes a utility program which allows up to 16 MAX7219 or MAX7221 drive
rs to be controlled from a PC. The utility
can be used standalone to help an engineer become familiar with the registers and functions of the drivers or to test an application board prototype by directly controlling the MAX7219 or MAX7221 registers before the equipment's software is designed.
Requirements
A PC running Windows 95, 98, 98SE, ME, NT, 2000, or XP with a parallel printer port configured for either LPT1 or LPT2.
Description
The utility is a Visual B
asic 5 program called MAX7221.EXE which requires the standard Visual Basic run time library MSVBVM50.DLL. The program uses the DriverLINX™ freeware parallel port driver DLPortIO.DLL which provides Win32 DLL hardware I/O functions that are not a standard part of Visual Basic. Windows NT and 2000 users also require the DLPortIO.SYS kernel mode driver. Both of these drivers are copyright Scientific Software Tools, Inc. (www.driverlinx.com). DriverLINX™ is a registered trademark of Scientific Software Tools, Inc.
Installation
To install under Windows 95, 98, 98SE, or ME, download the MAX7219-21.EXE file (800KB). This is a WinZIP self-extracting archive that cont
ains ReadMe.txt, ReadMeSST.txt, MAX7221.EXE, DLPortIO.DLL, and MSVBVM50.DLL. The default download directory is C:\MAX7221. MSVBVM50.DLL may be deleted if the library is already registered on the computer.
To install on a Windows NT, 2000, or XP platform, download the MAX7219-NT.EXE file (2.3MB). This is a WinZIP self-extracting archive that contains ReadMe.txt, ReadMeSST.txt, MAX7221.EXE, PORT95NT.EXE, and MSVBVM50.DLL. The default download directory is C:\MAX7221. PORT95NT.EXE is the install program for the DriverLINX drivers which installs and registers the DLPortIO.DLL library and DLPortIO.SYS driver. PORT95NT.EXE can be deleted after installation. Windows 95, 98, 98SE, ME users can also use this installation procedure if they wish.
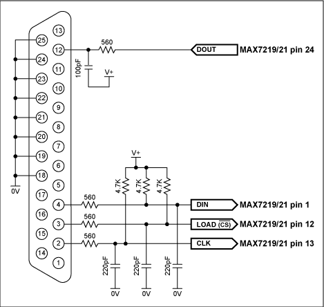
Connecting a MAX7219 or MAX7221 to the Parallel Port
The utility uses 3 of the 8 parallel port printer output lines to drive the LED drivers. A parallel port control input line is used for serial interface read back, and is only needed if registers are to be examined (see the description for the 'Utility' button). You can control up to 16, daisy-chained MAX7221s and/or MAX7219s at once. Either the LPT1 or LPT2 port may be selected from the software. The port can be a standard, ECP, or EPP type. The port connections are shown in Figure 1.

Figure 1. The MAX7219 and MAX7221 connections to the parallel port.
The program brings up 4 windows: main control, intensity control, I/O control, and segment control. The register settings mirror the register power-up conditions of the MAX7219 and MAX7221.
The main control is shown in Figure 2 below. The 'Driver type' radio buttons select whether the software is intended to drive MAX7221s (using a SPI connection) or MAX7219s (using a 4-wire connection).

Figure 2. Program display on startup.
The software controls up to 16 MAX7219 or MAX7221 drivers. The drivers are presumed to be cascaded, (i.e., the DOUT
pin of the first MAX7219 or MAX7221 connects to the DIN pin of the second MAX7219 or MAX7221, whose DOUT pin connects to the DIN pin of the third MAX7219 or MAX7221, and so on). The total number of MAX7219 or MAX7221 devices is set by the 'Number of Drivers' slider. When this is set to more than 1, the 'Enable global driver write' and 'Enable auto-increment' check boxes are available. When 'Enable global driver write' is clear, only the MAX7221 driver selected by the 'Current Driver' slider is written to when a write command is selected - the others receive the no-op instruction. When 'Enable global driver write' is checked, all the MAX7219 or MAX7221 drivers are written to with the same data. When 'Enable auto-increment' is checked, the current driver number is automatically incremented after each write action. This allows the user to quickly send the same data for a series of MAX7219 or MAX7221 drivers.
The serial interface connection to the parallel port can be tested with the 'Test Stream' facility which can be found under 'Port Connections and Help...' when the program is running. The 'Test Stream' facility transmits the no-op instruction continuously to the MAX7219(s) or MAX7221 (s) (as set by the 'Number of Drivers' slider) allowing the interface connections to be verified without affecting register contents.
The 'Fast serial interface' check box sets the serial interface speed. When checked, serial interface runs at machine-dependent full speed up to 1 Mbits/sec; unchecked, the speed is limited to 500 bits/sec
maximum. The slow speed may be useful when connecting over very long cables. The program will normally only communicate with the target driver (or drivers) when a 'Write' or 'Read' button is pressed.
The 'Utility' button calls up a
simple utility which allows the user to send a byte from any register or read a byte from any register. The rules for cascading, auto-incrementing, interface speed etc that have been already set up are followed.
The Exit button, or pressing the Esc key, closes the program. Before closing, the program stores the last settings for device configuration in a file called MAX7221.ini in the same directory that the program was executed from. Nothing is written to the Windows registry. The settings include the position of the main window, and the interface settings on the main window. If the MAX7221.ini doesn't exist then it is created; otherwise it is overwritten. To restore program default settings, or if the MAX7221.ini is corrupted, simply delete the MAX7221.ini file.