时间:2009-02-08 23:10
人气:
作者:admin
虚拟环绕处理器芯片MM1454
MM1454是三菱公司开发的Q Surround虚拟处理器IC,能够实现由Q SOUND Labs研制的音响算法。当左/右(L/R)两个通道中采用Dollby Pro逻辑编码的立体声信号输入到该芯片时,能产生一个背面的虚拟扬声器。这样仅仅使用左右两个扬声器,就可以逼真地再现3D音响。对于通常的立体声信号,MM1454使用Q Xpander技术,仍可以产生具有纵深感和宽范围的音响效果。由于采用了有源滤波器,MM1454仅需很少的外部元件,而且具有尺寸小、成本低的优点。
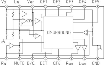
MM1454的内部结构如图1所示。
图1 MM1454内部结构图
MM1454采用16脚SOP封装,引脚功能如表所列。
MM1454的静噪抑制信号输至4脚(DTE脚),可以关断功率放大器的电源。在关断IC电源之前,通过关断连接到IC内部最后一级的功率放大器,可以抑制乃至消除在电源电压降落期间的噪声。
MM1454在电视、音响和有源扬声器中有着广泛的应用。图2示出的是其典型应用电路,电源电流ICC=16mA,输出噪声电压典型值为15μVrms,典型总谐波失真率THD≤0.1%,电压增益典型值是10.5dB(VIN=0.75Vrms,f=1KHz,SW1接通触点B)。
在图2中,典型值为0.75Vrms的左/右两个通道输入信号来自前一级预放大器的输出。MM1454脚6和脚7上的两路输出信号,经22μF的耦合电容器输至下一级音频功率放大器电路。9V的电源电压Vcc与地之间分别连接100μF的平滑电容和0.1μF的旁路电容。当3脚上的开关SW1接地(接通触点B)时,为旁路模式;当SW1接5V电源(接通触点A)时,则为Q Surround模式。在Q Surround模式下,约有一个350μA的电流流入脚3。静噪抑制信号连接到4脚,用来关断功率放大器的电源。2脚与地之间所接的10μF电容可以减小接通电源时的噪声。5脚和9~13脚外部滤波器电阻容差为±1%,电容器容差是±5%。
表1 MM1454引脚功能
| 引脚 | 符号 | 功 能 |
| 1 | RIN | 左通道输入 |
| 2 | MUTE | 静噪抑制 |
| 3 | B/Q | Q SUurround旁路 |
| 4 | DET | Vcc关断检测 |
| 5 | QF6 | (Qf1-Qf6)滤波器脚 |
| FFFFFF | QF5 | |
| 10 | QF4 | |
| 11 | QF3 | |
| 12 | QF2 | |
| 13 | QF1 | |
| 6 | ROUT | 右通道输出 |
| 7 | LOUT | 左通道输出 |
| 8 | GND | 地 |
| 14 | VREF | 参考电压 |
| 15 | LIN | 左通道输入 |
| 16 | Vcc | 电源电压 |
