Presen
ting numbe
rs on a 7–segment
LED display is
simple with 7–segment LED drivers like
IC1 of Figure 1, but 7–segment LED displays are not capable of displaying all the let
ters of the alphabet. Yet, a display of text is valuable in communicating status inf
ormation or operating directions to a product user. The usual drawb
ack of an alphanumeric display driver is its greater complexity.

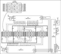
For Larger Graphic
Figure 1. This circuit enables two 7–segment display drivers to display text.
To minimize complexity, the Figure 1 circuit displays text using two common–cathode, 7–segment, LED–display drivers. All 14 segments share the same common cathode, and because the drivers (IC1 and IC2) multiplex from LED0 to LED7, you
cannot just simply set IC1 to control seven of the segments and IC2 to control the other seven without producing "ghosting." In
addition, you must set IC1 to control seven of the segments while IC2 is shut down, and vice versa.
Shutdown must be toggled between IC1 to IC2 ra
pidly enough so the illuminated segments will be visible, and the shutdown times for each chip must be equal. Otherwise, an observer can detect a difference in brightness between the first seven segments and the last seven segments. IC3, a popular microcontroller, is prog
rammed to control both 7–segment display drivers via a single SPI port, by cascading them together.
A microcontroller program for cascading two MAX7221 LED display drivers using only one SPI™ port to control eight 14 segment alphanumeric displays is av
ailable to download.
SPI is a trademark of Motorola, Inc.